GM Service Manual Online
For 1990-2009 cars only
Makes
🢒
Pontiac
🢒
2006
🢒
Vibe - FWD
🢒
Transmission/Transaxle
🢒
Automatic Transmission - MU5
🢒 Automatic Transmission Controls Schematics
Figure
1:
Powertrain Control Module (PCM) Power and Ground
Master Electrical Component List
Powertrain Control Module Description
Control Module References
Automatic Transmission Schematic Icons
Park/Neutral Position Switch
Horn, Dome, Main, Amp, OnStar Fuses
Air Pump, ETCS, Head, Alt S, EFI, Hazard EFI 2 Fuses
Ignition Switch 1 of 2
Air Pump, ETCS, Head, Alt S, EFI, Hazard EFI 2 Fuses
Fuel Injectors
Air Pump, ETCS, Head, Alt S, EFI, Hazard EFI 2 Fuses
S100
Air Pump, ETCS, Head, Alt S, EFI, Hazard EFI 2 Fuses
Air Pump, ETCS, Head, Alt S, EFI, Hazard EFI 2 Fuses
Air Pump, ETCS, Head, Alt S, EFI, Hazard EFI 2 Fuses
SP107, SP108, G104
SP107, SP108, G104
S103, G103
SP107, SP108, G104
S105, G105, G106, G107, G108
SP201 and G201
Figure
2:
Park/Neutral Position Switch
Master Electrical Component List
Transmission General Description
Control Module References
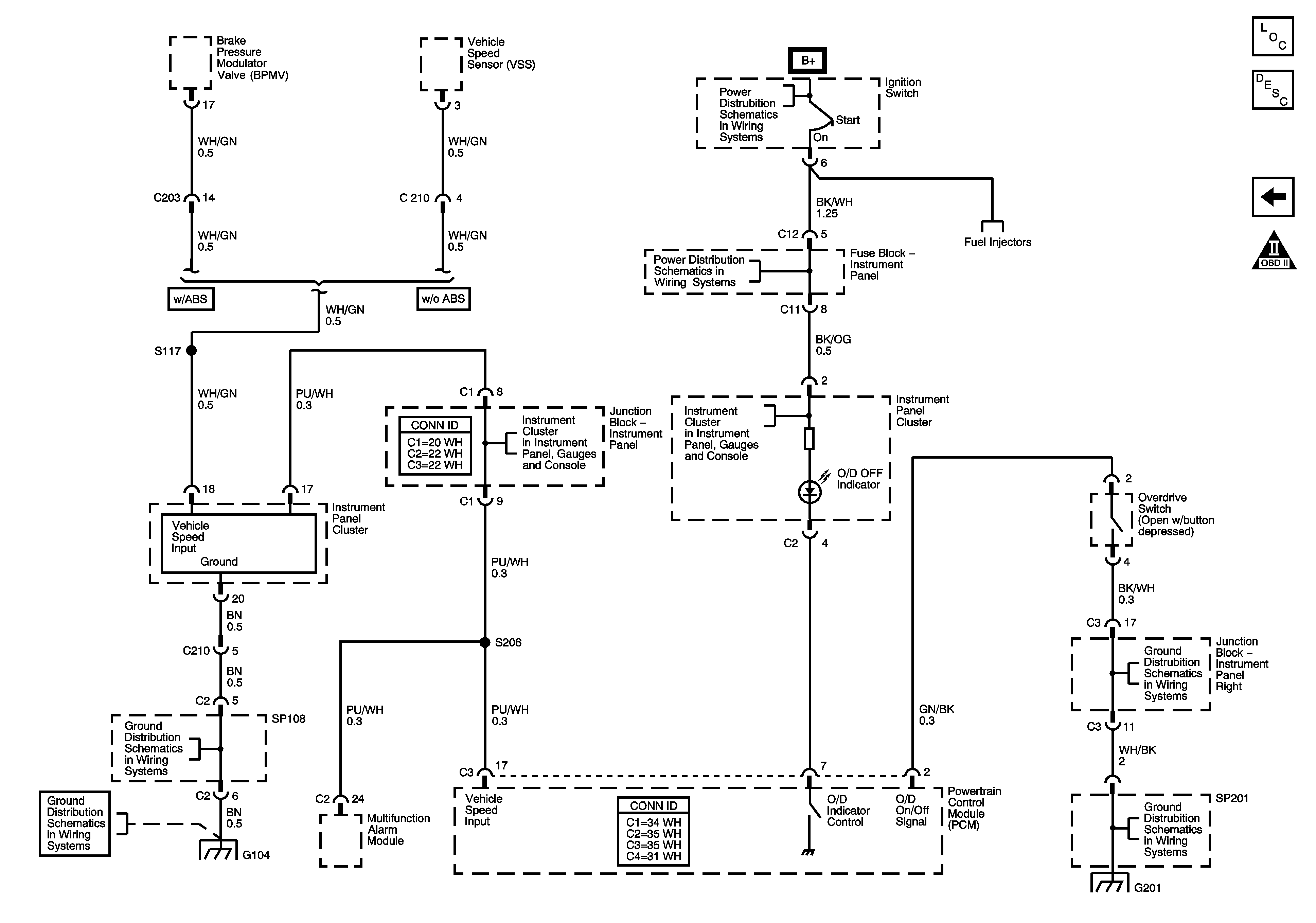
Park/Neutral Position Switch, Brake Pressure Modulator Valve (BPMV), Multifunction Alarm Module
Powertrain Control Module (PCM) Power and Ground
Automatic Transmission Schematic Icons
Ignition Switch 1 of 2
Wash, RR WIP, Wiper, ECU-IG, Gage, Heater, DEF Fuses
P/W Relay, SP109, S230
Air Pump, ETCS, Head, Alt S, EFI, Hazard EFI 2 Fuses
Air Pump, ETCS, Head, Alt S, EFI, Hazard EFI 2 Fuses
Back Up Lamps
Starting System
Figure
3:
Park/Neutral Position Switch, Brake Pressure Modulator Valve (BPMV), Multifunction Alarm Module
Master Electrical Component List
Transmission General Description
Control Module References
Automatic Transaxle Controls (AWD) 2 of 2
Park/Neutral Position Switch
Automatic Transmission Schematic Icons
Figure
4:
Automatic Transaxle Controls (AWD) 1 of 2
Master Electrical Component List
Control Module References
Overdrive Switch and Indicator
Automatic Transaxle Controls (FWD)
Engine Controls Schematic Icons
Engine Coolant Temperature (ECT) Sensor, A/C Resistor, Fuel Tank Pressure (FTP) Sensor, Throttle Position (TP) Sensor (AWD)
Figure
5:
Automatic Transaxle Controls (AWD) 2 of 2
Master Electrical Component List
Transmission General Description
Control Module References
Vehicle Speed Signal and Overdrive Switch
Park/Neutral Position Switch, Brake Pressure Modulator Valve (BPMV), Multifunction Alarm Module
Automatic Transmission Schematic Icons
Engine Coolant Temperature (ECT) Sensor, A/C Resistor, Fuel Tank Pressure (FTP) Sensor, Throttle Position (TP) Sensor (AWD)
Figure
6:
Vehicle Speed Signal and Overdrive Switch
Master Electrical Component List
Transmission General Description
Automatic Transaxle Controls (AWD) 2 of 2
Automatic Transmission Schematic Icons
Ignition Switch 1 of 2
Ignition Switch 1 of 2
Charge, Air Bag, Malfunction, O/D OFF, Cruise Indicators
Charge, Air Bag, Malfunction, O/D OFF, Cruise Indicators
SP107, SP108, G104
Junction Block Instrument Panel - Right
SP107, SP108, G104
SP107, SP108, G104
SP201 and G201
SP201 and G201