GM Service Manual Online
For 1990-2009 cars only
Makes
🢒
Pontiac
🢒
2007
🢒
Vibe - FWD
🢒
Engine
🢒
Cruise Control
🢒 Cruise Control Schematics
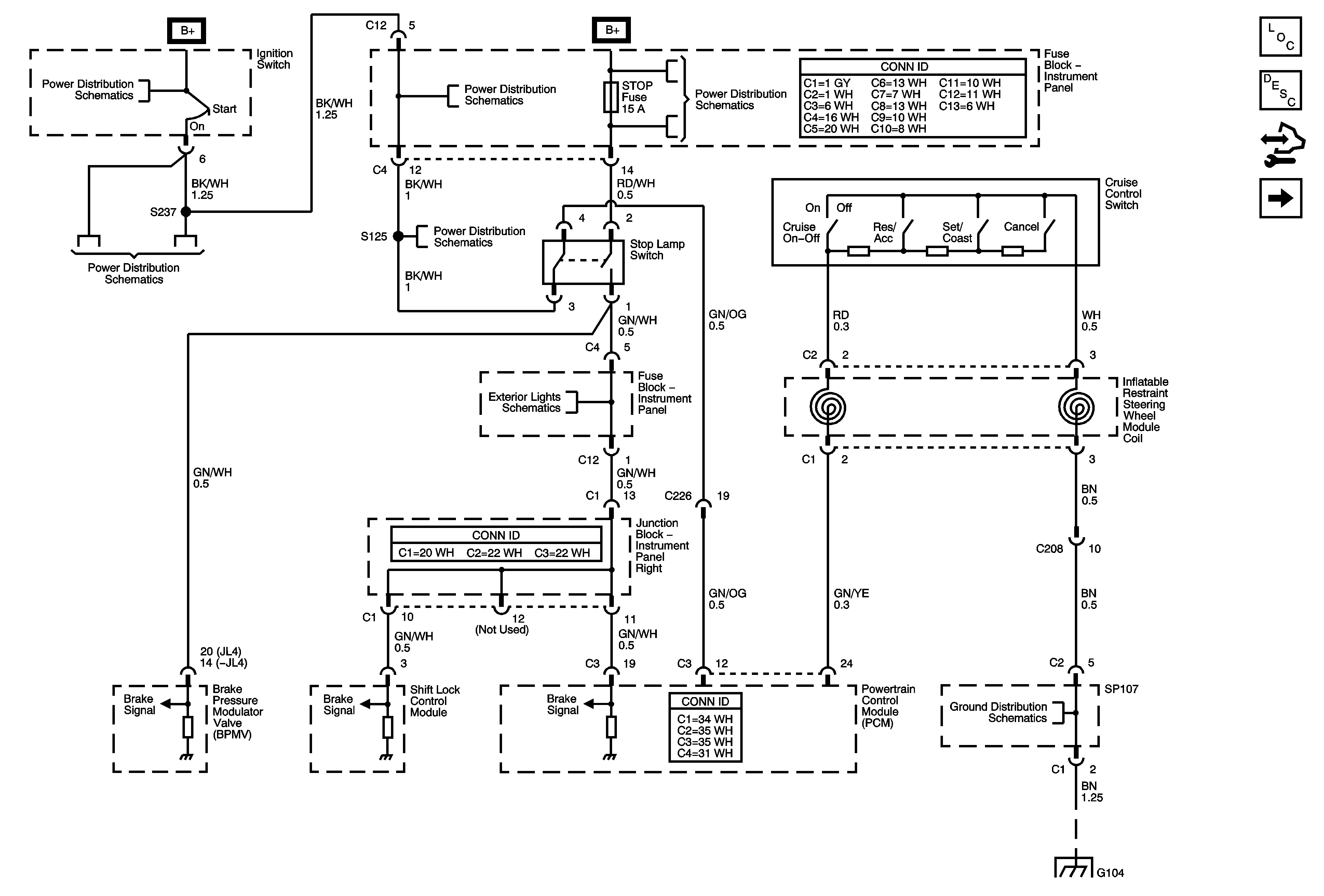
Figure
1:
Powertrain Control Module, Stop Lamp Switch and Cruise Control Switch
Master Electrical Component List
Cruise Control Description and Operation
Control Module References
Cruise Control Module, Cruise Control Release Switch, Cruise Indicator
Air Pump, ETCS, Head, Alt S, EFI, Hazard EFT 2 Fuses
Air Pump, ETCS, Head, Alt S, EFI, Hazard EFT 2 Fuses
Air Pump, ETCS, Head, Alt S, EFI, Hazard EFT 2 Fuses
Air Pump, ETCS, Head, Alt S, EFI, Hazard EFT 2 Fuses
Air Pump, ETCS, Head, Alt S, EFI, Hazard EFT 2 Fuses
Stop Lamps
G100, G101, G102
Figure
2:
Powertrain Control Module, Cruise Control Release Switch, Cruise Indicator
Master Electrical Component List
Cruise Control Description and Operation
Control Module References
Cruise Control Module and Switch
Air Pump, ETCS, Head, Alt S, EFI, Hazard EFT 2 Fuses
Air Pump, ETCS, Head, Alt S, EFI, Hazard EFT 2 Fuses
Air Pump, ETCS, Head, Alt S, EFI, Hazard EFT 2 Fuses
Fuel Injectors
Air Pump, ETCS, Head, Alt S, EFI, Hazard EFT 2 Fuses
Air Pump, ETCS, Head, Alt S, EFI, Hazard EFT 2 Fuses
Air Pump, ETCS, Head, Alt S, EFI, Hazard EFT 2 Fuses
Charge, Air Bag, Malfunction, O/D Off, Cruise Indicators