GM Service Manual Online
For 1990-2009 cars only
Makes
🢒
Pontiac
🢒
2007
🢒
Vibe - FWD
🢒
Engine
🢒
Engine Cooling
🢒 Engine Cooling Schematics
Master Electrical Component List
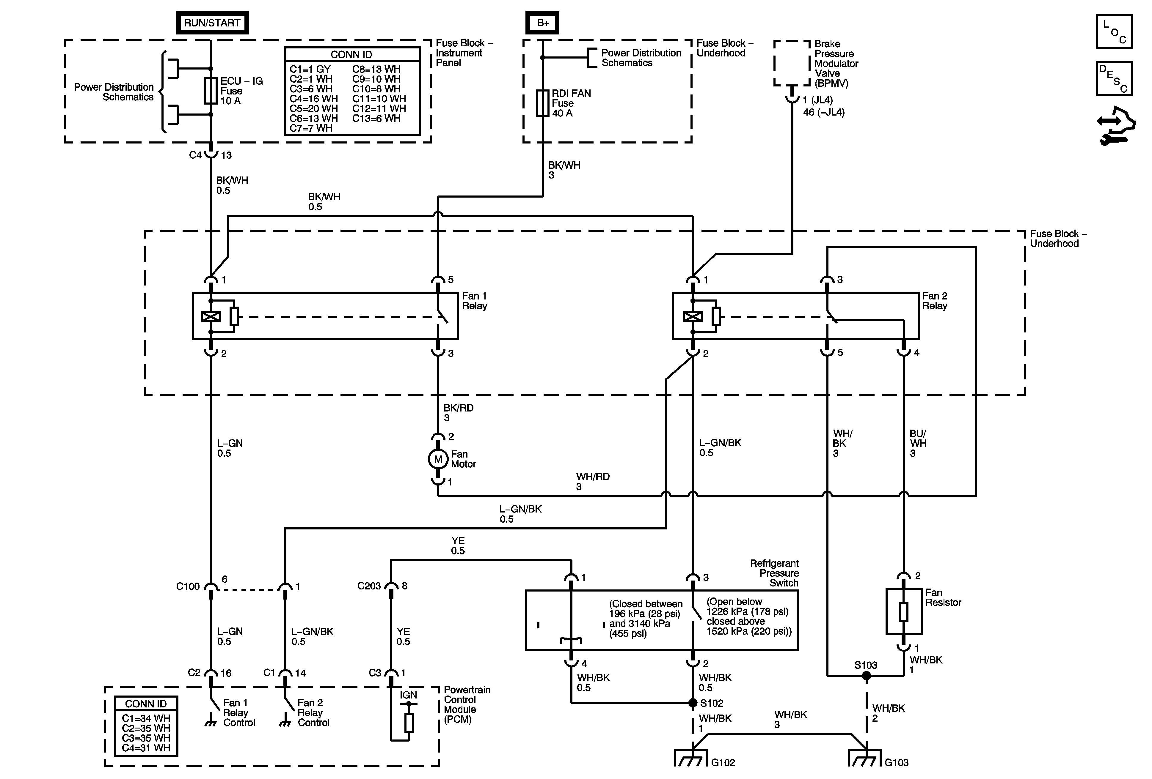
Cooling System Description and Operation
Control Module References
Air Pump, ETCS, Head, Alt S, EFI, Hazard EFT 2 Fuses
Air Pump, ETCS, Head, Alt S, EFI, Hazard EFT 2 Fuses