GM Service Manual Online
For 1990-2009 cars only
Makes
🢒
Pontiac
🢒
2007
🢒
Vibe - FWD
🢒
Body Systems
🢒
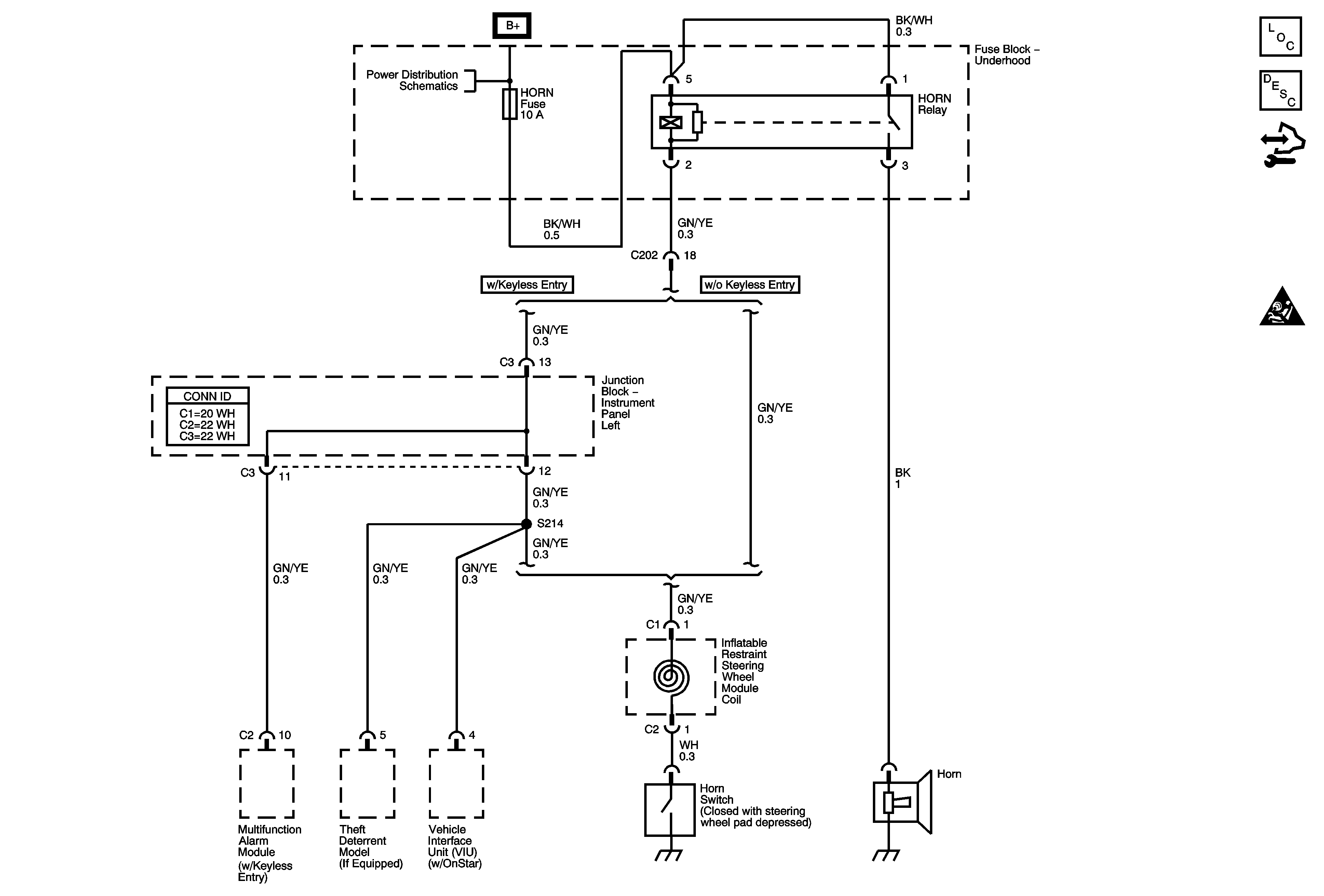
Horns
🢒 Horn Schematics
Master Electrical Component List
Horns System Description and Operation
Control Module References
SIR Schematic Icons
Air Pump, ETCS, Head, Alt S, EFI, Hazard EFT 2 Fuses