GM Service Manual Online
For 1990-2009 cars only
Makes
🢒
Pontiac
🢒
2007
🢒
Vibe - FWD
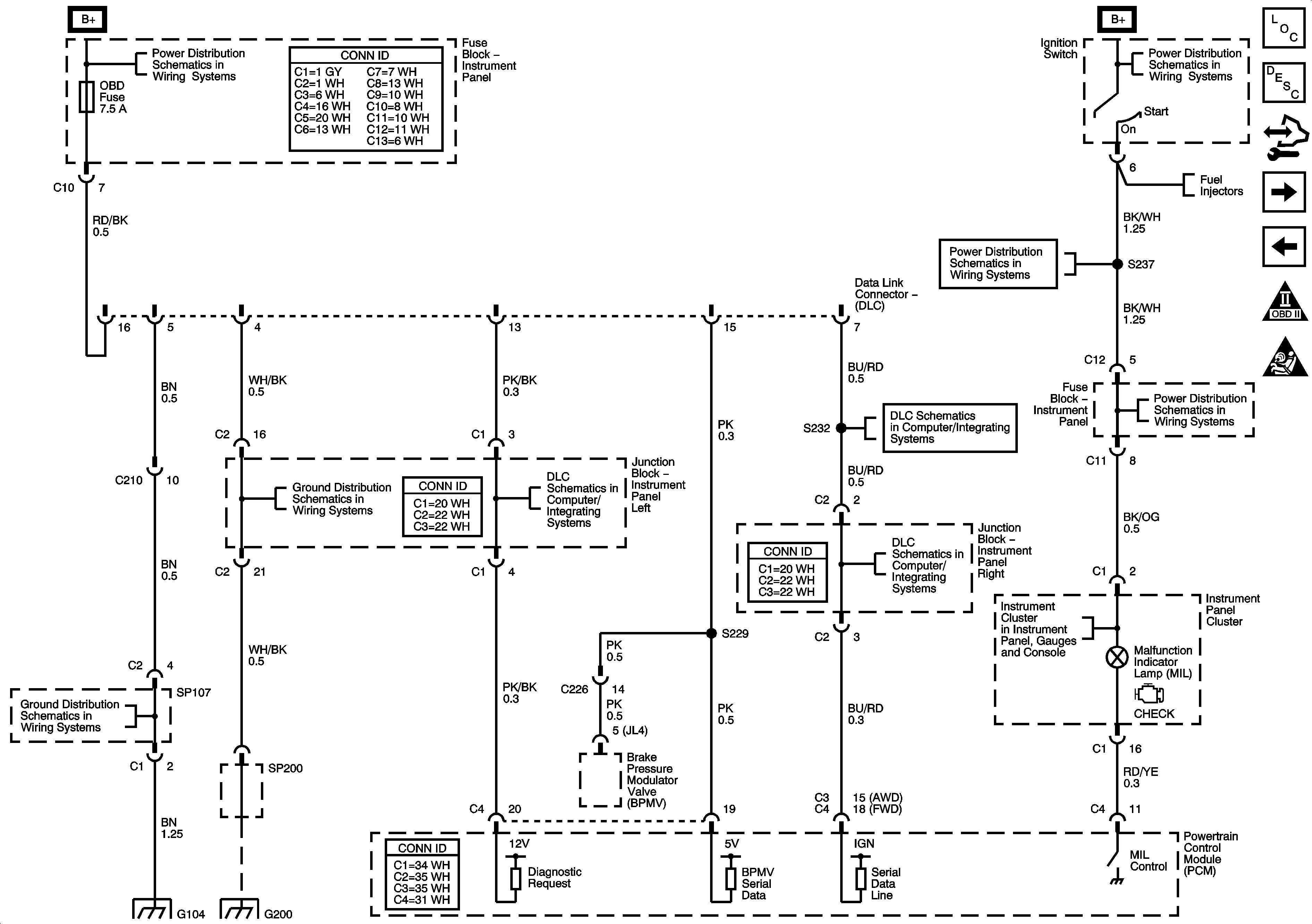
🢒 Data Link Connector (DLC)
Data Link Connector (DLC)
Data Link Connector
Master Electrical Component List
Powertrain Control Module Description
Control Module References
Fuel Sender Assembly
EFI Relay, S100
Engine Controls Schematic Icons
Engine Controls Schematic Icons
Power, AM 1, Door, Tail, P/Point, ECU-B, Stop, OBD, INV Fuses
Ignition Switch 1 of 2
Fuel Injectors
Air Pump, ETCS, Head, Alt S, EFI, Hazard EFI 2 Fuses
Computer/Integrating Systems DLC Schematic Figure for Graphic 1666852
Air Pump, ETCS, Head, Alt S, EFI, Hazard EFI 2 Fuses
Junction Block Instrument Panel - Left
Computer/Integrating Systems DLC Schematic Figure for Graphic 1666852
Computer/Integrating Systems DLC Schematic Figure for Graphic 1666852
Charge, Air Bag, Malfunction, O/D OFF, Cruise Indicators
SP107, SP108, G104