GM Service Manual Online
For 1990-2009 cars only
Makes
🢒
Pontiac
🢒
2007
🢒
Vibe - FWD
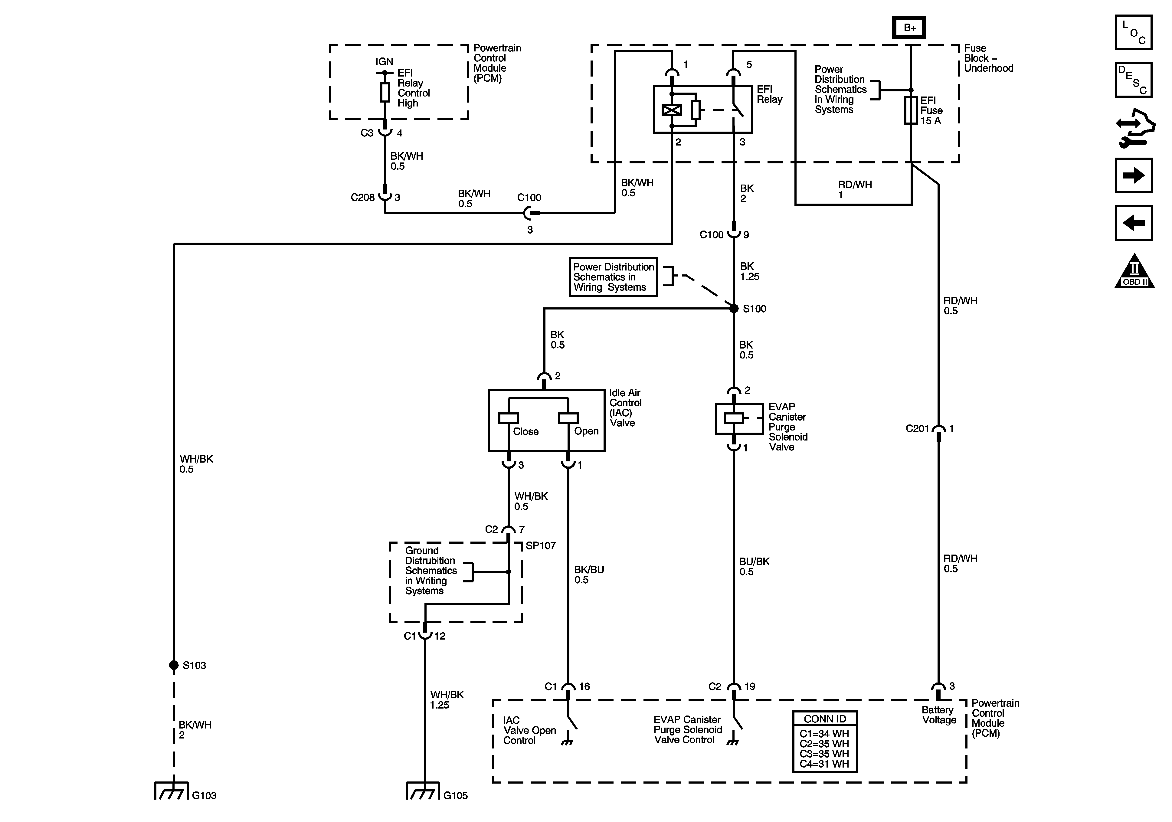
🢒 Idle Air Control (IAC) Valve and EVAP System (AWD)
Idle Air Control (IAC) Valve and EVAP System (AWD)
Idle Air Control Valve and EVAP System (AWD)
Master Electrical Component List
Evaporative Emission Control System Description
Control Module References
Engine Coolant Temperature (ECT) Sensor, Fuel Tank Pressure (FTP) Sensor, Throttle Actuator Control (TAC) Module (FWD)
EVAP System (FWD)
Engine Controls Schematic Icons
Air Pump, ETCS, Head, Alt S, EFI, Hazard EFI 2 Fuses
Air Pump, ETCS, Head, Alt S, EFI, Hazard EFI 2 Fuses
SP107, SP108, G104
S103, G103
S105, G105, G106, G107, G108