GM Service Manual Online
For 1990-2009 cars only
Makes
🢒
Pontiac
🢒
2007
🢒
Vibe - FWD
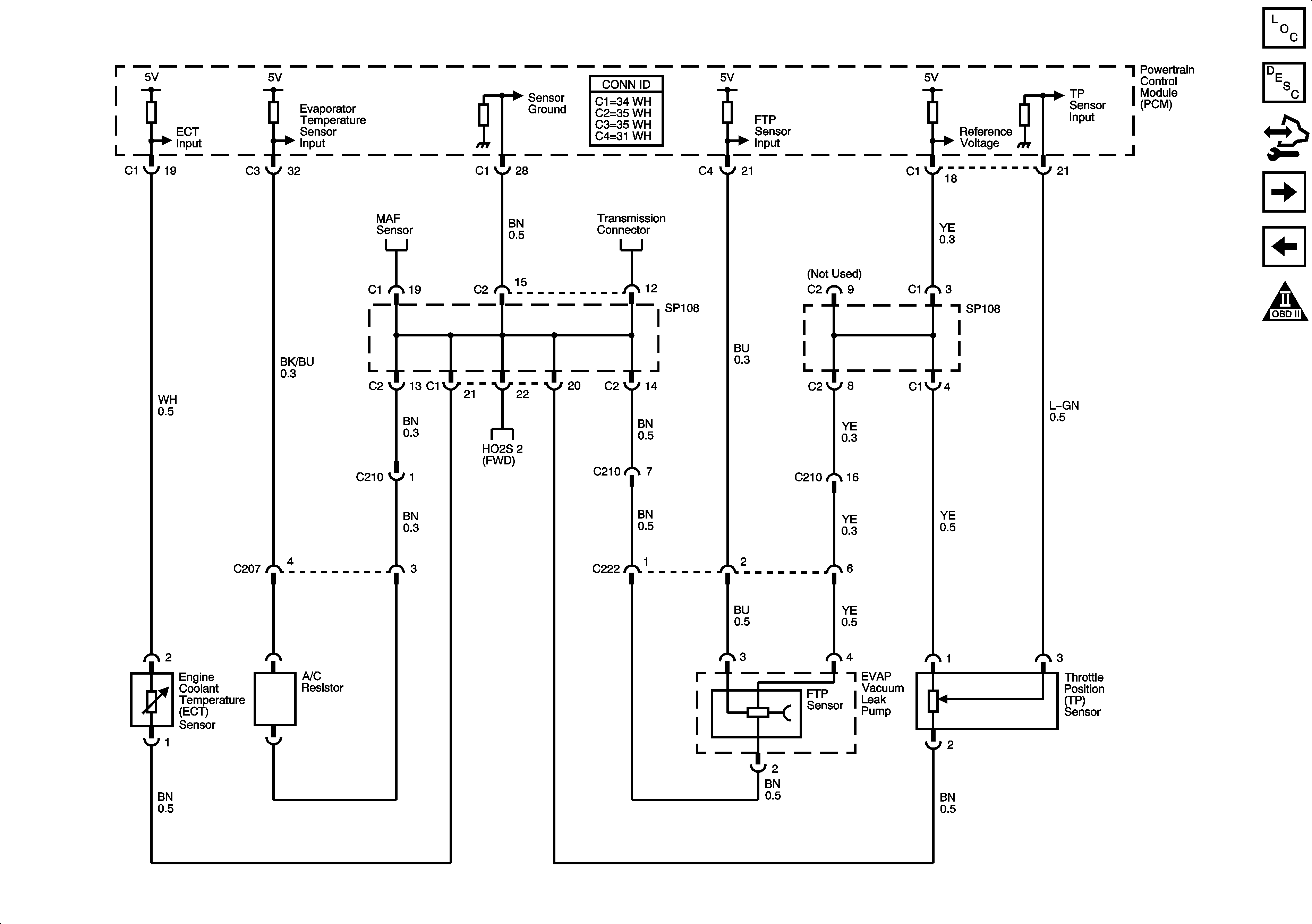
🢒 Engine Coolant Temperature (ECT) Sensor, A/C Resistor, Fuel Tank Pressure (FTP) Sensor, Throttle Position (TP) Sensor (AWD)
Engine Coolant Temperature (ECT) Sensor, A/C Resistor, Fuel Tank Pressure (FTP) Sensor, Throttle Position (TP) Sensor (AWD)
Engine Coolant Temperature (ECT) Sensor, A/C Resistor, Fuel Tank Pressure (FTP) Sensor, Throttle Position (TP) Sensor (AWD)
Master Electrical Component List
Fuel System Description
Control Module References
Mass Air Flow (MAF) Sensor
Engine Coolant Temperature (ECT) Sensor, Fuel Tank Pressure (FTP) Sensor, Throttle Actuator Control (TAC) Module (FWD)
Engine Controls Schematic Icons