GM Service Manual Online
For 1990-2009 cars only
Makes
🢒
Pontiac
🢒
2007
🢒
Vibe - FWD
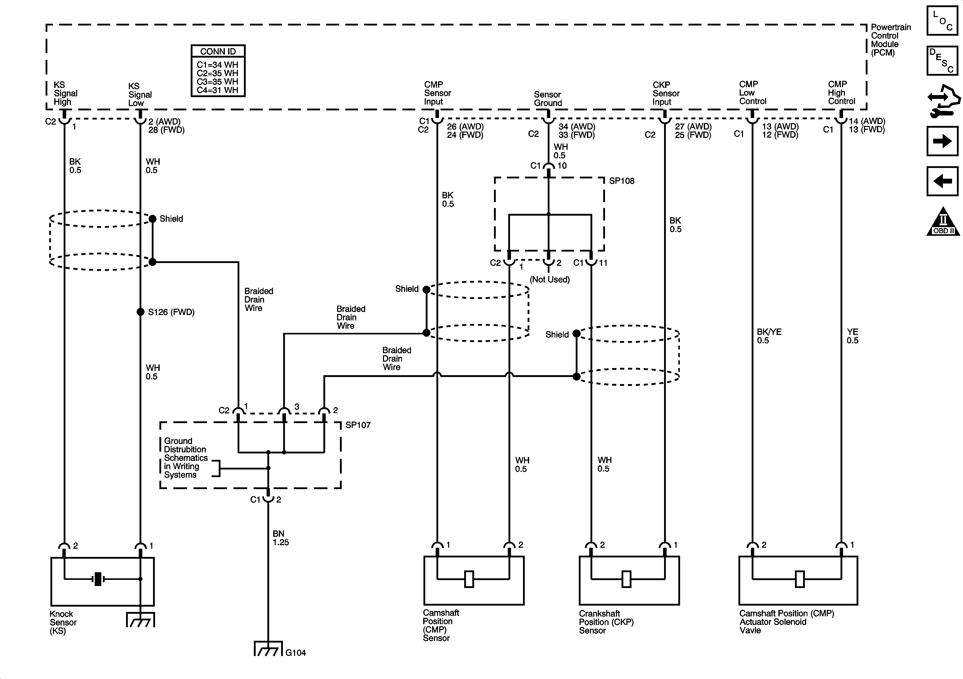
🢒 Knock Sensor (KS), Camshaft Position (CMP), Crankshaft Position (CKP) Sensor, Camshaft Position Actuator Solenoid Valve
Knock Sensor (KS), Camshaft Position (CMP), Crankshaft Position (CKP) Sensor, Camshaft Position Actuator Solenoid Valve
Knock Sensor (KS), Camshaft Position (CMP), Crankshaft Position (CKP) Sensors, Camshaft Position Actuator Solenoid Valve
Master Electrical Component List
Camshaft Actuator System Description
Control Module References
Heated Oxygen Sensors (HO2S) (FWD)
Mass Air Flow (MAF) Sensor
Engine Controls Schematic Icons
SP107, SP108, G104
SP107, SP108, G104