GM Service Manual Online
For 1990-2009 cars only
Makes
🢒
Pontiac
🢒
2007
🢒
Vibe - FWD
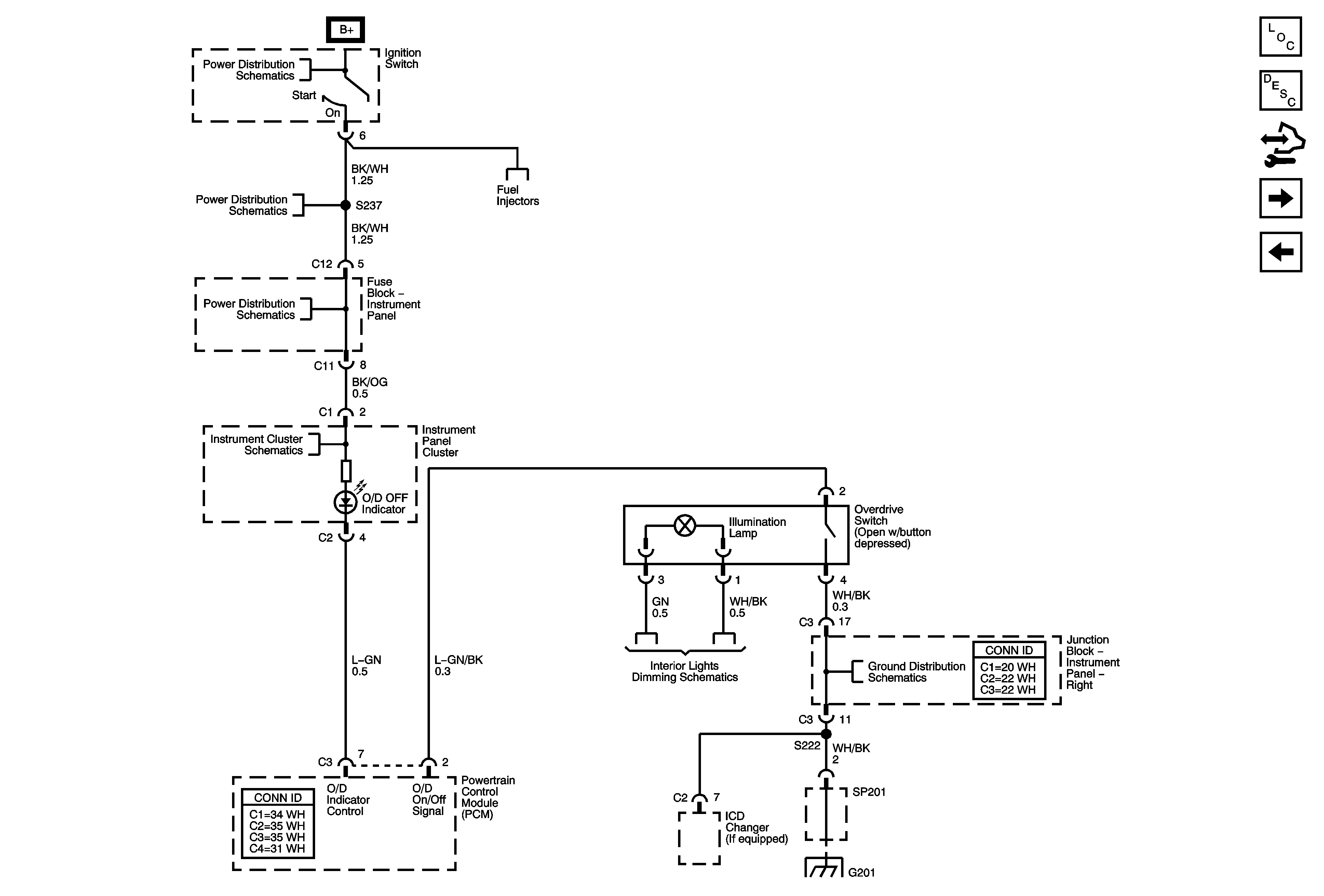
🢒 Overdrive (OD) Switch and Indicator Lamp
Overdrive (OD) Switch and Indicator Lamp
Overdrive Switch and Indicator (A/T)
Master Electrical Component List
Powertrain Control Module Description
Control Module References
PCM Idle-Up Inputs
Automatic Transaxle Controls (FWD)
Air Pump, ETCS, Head, Alt S, EFI, Hazard EFT 2 Fuses
Air Pump, ETCS, Head, Alt S, EFI, Hazard EFT 2 Fuses
Air Pump, ETCS, Head, Alt S, EFI, Hazard EFT 2 Fuses
Fuel Injectors
Charge, Air Bag, Malfunction, O/D Off, Cruise Indicators
G100, G101, G102