GM Service Manual Online
For 1990-2009 cars only
Makes
🢒
Pontiac
🢒
2007
🢒
Vibe - FWD
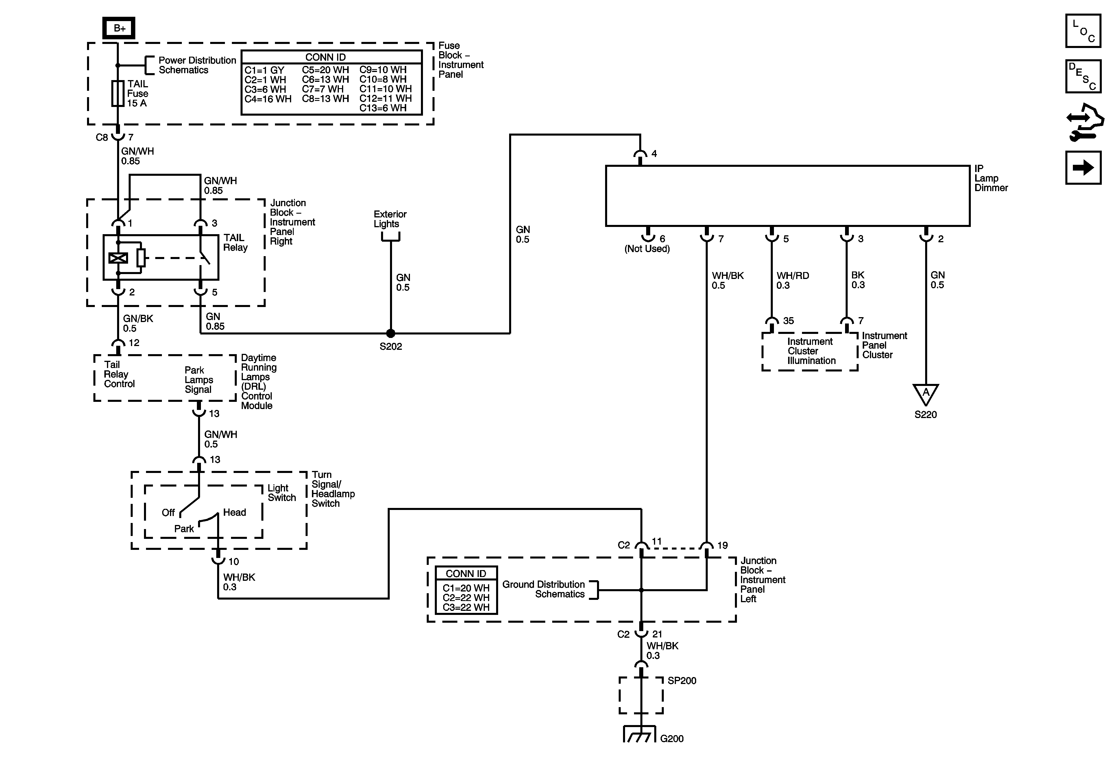
🢒 I/P Lamp Dimmer
I/P Lamp Dimmer
I/P Lamp Dimmer
Master Electrical Component List
Interior Lighting Systems Description and Operation
Control Module References
Illumination Lamps
Air Pump, ETCS, Head, Alt S, EFI, Hazard EFT 2 Fuses
Tail Relay, Turn Signal Headlamp Switch
G100, G101, G102