GM Service Manual Online
For 1990-2009 cars only
Makes
🢒
Pontiac
🢒
2007
🢒
Vibe - FWD
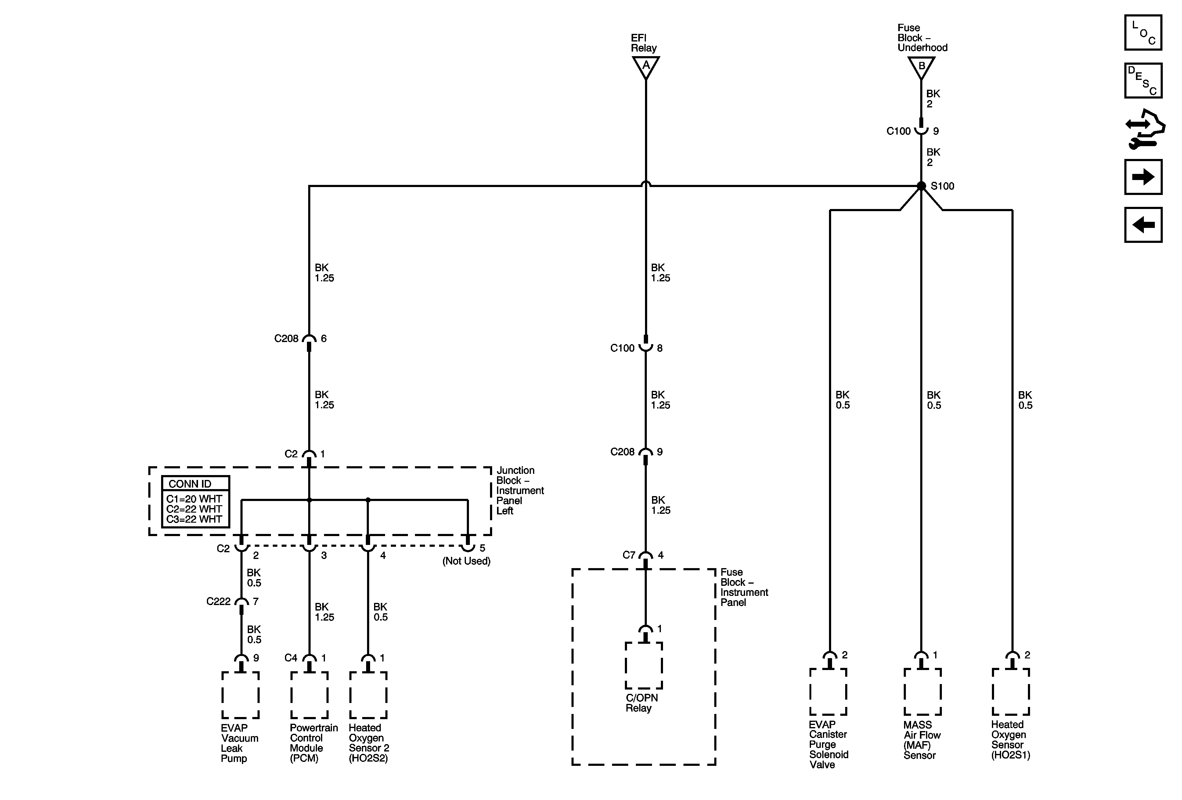
🢒 S100
S100
S100
Master Electrical Component List
Control Module References
Horn, Dome, Main, Amp, OnStar Fuses
Air Pump, ETCS, Head, Alt S, EFI, Hazard EFT 2 Fuses