GM Service Manual Online
For 1990-2009 cars only
Makes
🢒
Pontiac
🢒
2008
🢒
Vibe - FWD
🢒
Brakes
🢒
Hydraulic Brakes
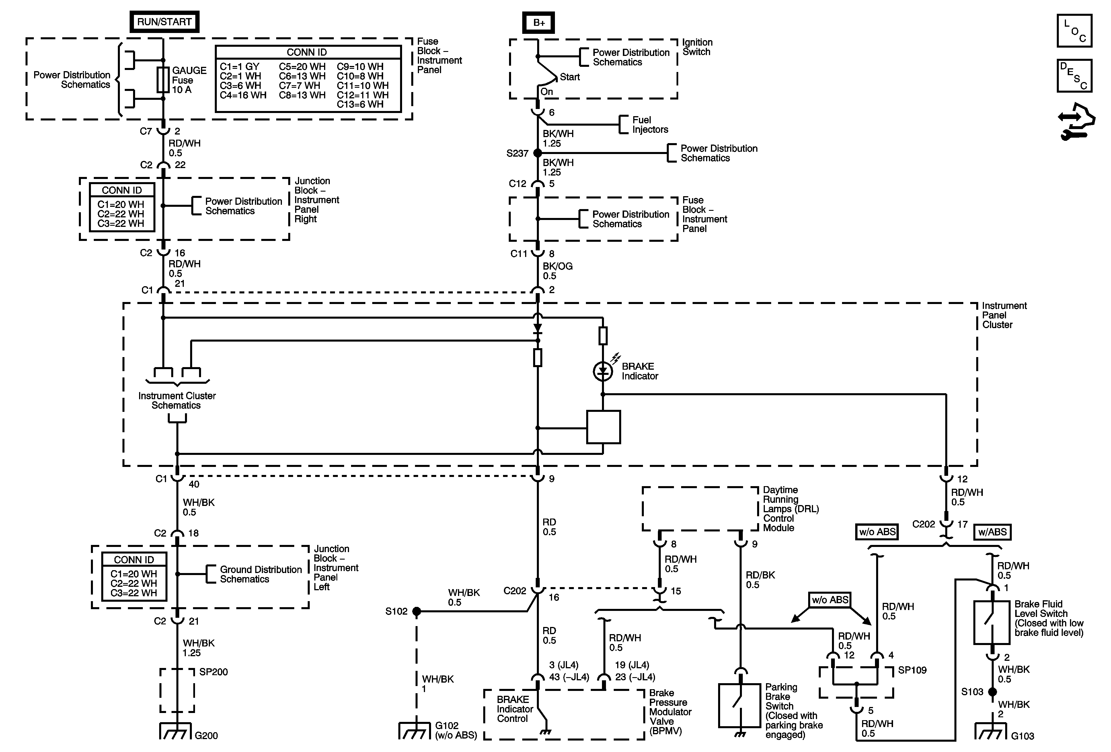
🢒 Hydraulic Brake Schematics
Master Electrical Component List
Brake Warning System Description and Operation
Control Module References
Wash, RR WIP, Wiper, ECU-IG, Gage, Heater, DEF Fuses
Ignition Switch 1 of 2
Fuel Injectors
Ignition Switch 1 of 2
Junction Block Instrument Panel - Right
Ignition Switch 2 0f 2
Brake, ABS, Turn Indicators
Junction Block Instrument Panel - Left
SP200 and G200
G100, G101, G102
S103, G103