GM Service Manual Online
For 1990-2009 cars only
Makes
🢒
Pontiac
🢒
2008
🢒
Vibe - FWD
🢒
Power and Signal Distribution
🢒
Power Outlets
🢒 Cigar Lighter/Power Outlet Schematics
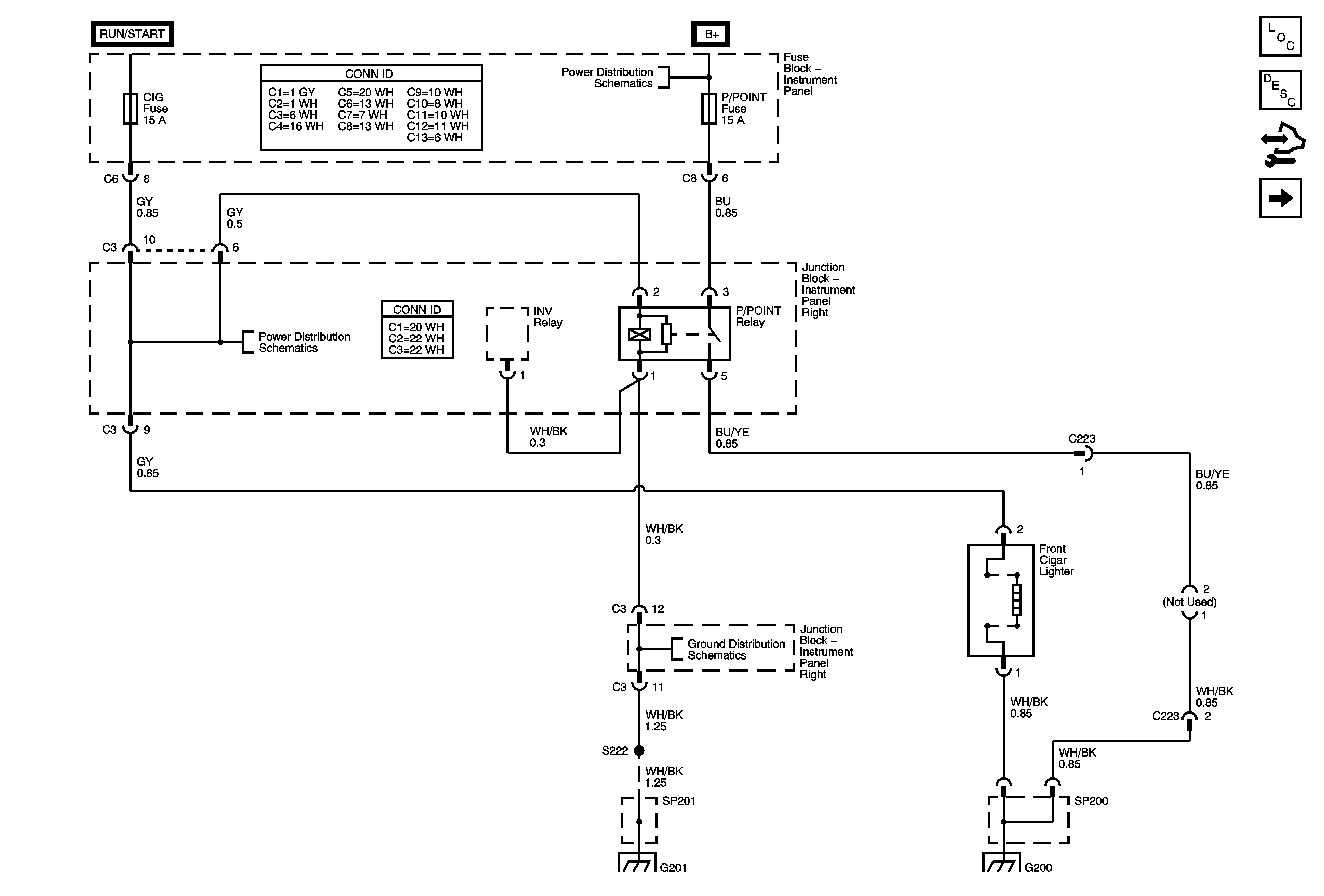
Figure
1:
Cigar Lighter
Master Electrical Component List
Power Outlets Description and Operation
Control Module References
Power Outlet
Air Pump, ETCS, Head, ALTS, EF1 Hazard EF2 Fuses
Air Pump, ETCS, Head, ALTS, EF1 Hazard EF2 Fuses
G100, G101, G102
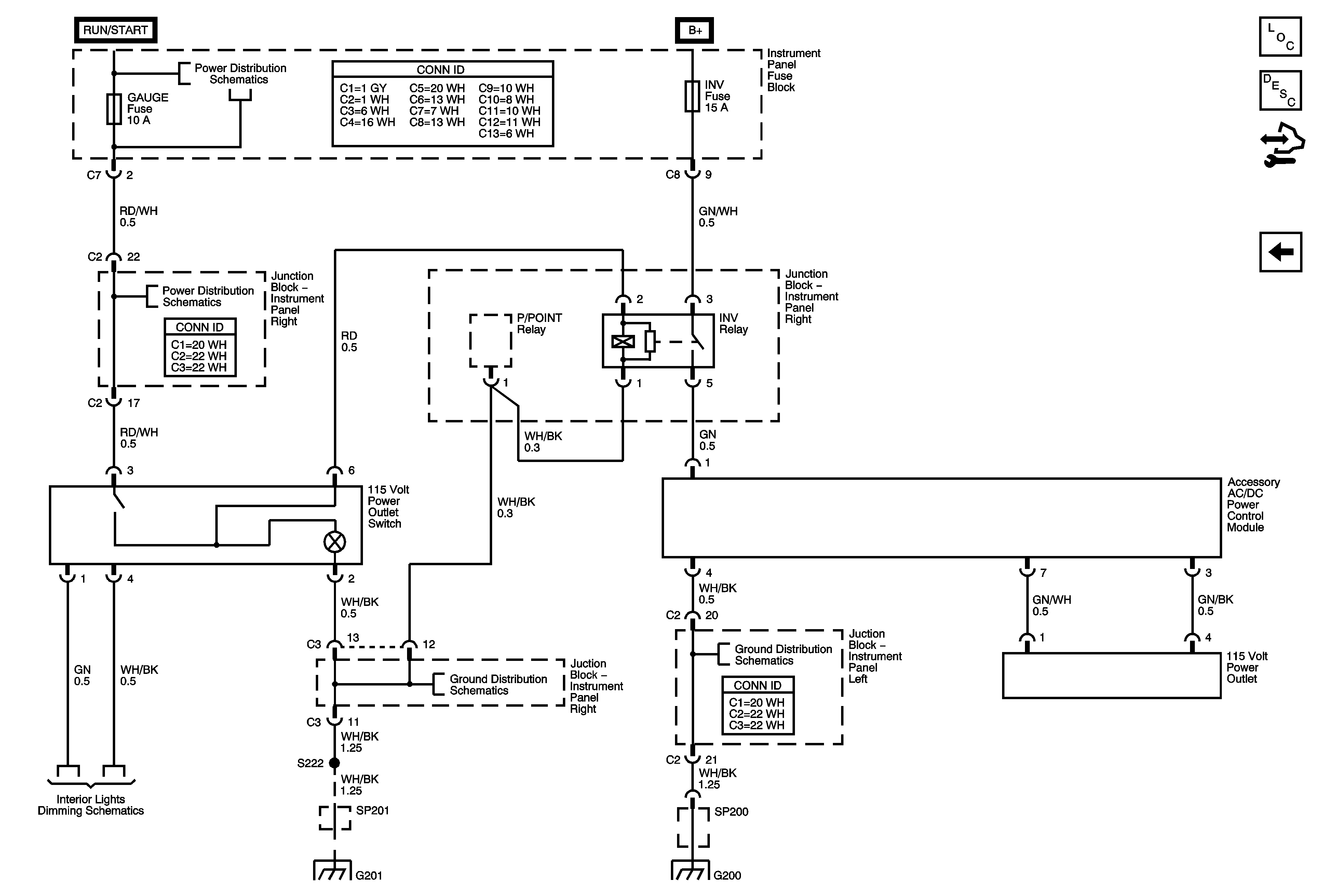
Figure
2:
Power Outlet
Master Electrical Component List
Power Outlets Description and Operation
Control Module References
Cigar Lighter
Air Pump, ETCS, Head, ALTS, EF1 Hazard EF2 Fuses
Air Pump, ETCS, Head, ALTS, EF1 Hazard EF2 Fuses
G100, G101, G102
G100, G101, G102
Illumination Lamps