GM Service Manual Online
For 1990-2009 cars only
Makes
🢒
Pontiac
🢒
2008
🢒
Vibe - FWD
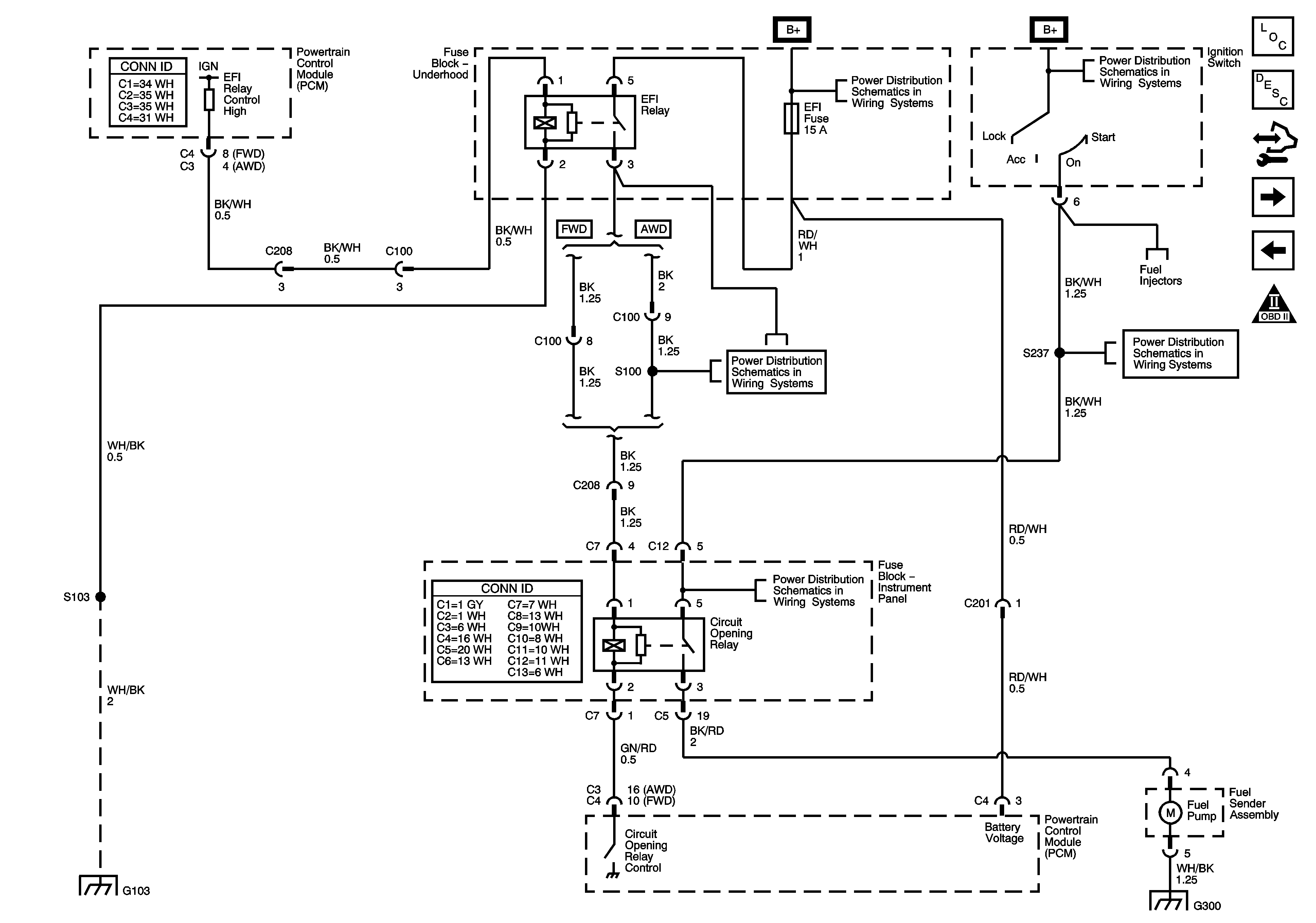
🢒 Fuel Sender Assembly
Fuel Sender Assembly
Fuel Sender Assembly
Master Electrical Component List
Fuel System Description
Control Module References
Fuel Injectors
Data Link Connector (DLC)
Engine Controls Schematic Icons
Air Pump, ETCS, Head, Alt S, EFI, Hazard EFI 2 Fuses
Ignition Switch 1 of 2
Fuel Injectors
Air Pump, ETCS, Head, Alt S, EFI, Hazard EFI 2 Fuses
Air Pump, ETCS, Head, Alt S, EFI, Hazard EFI 2 Fuses
S100
S103, G103
G202, G300, G301, G302