GM Service Manual Online
For 1990-2009 cars only
Makes
🢒
Pontiac
🢒
2008
🢒
Vibe - FWD
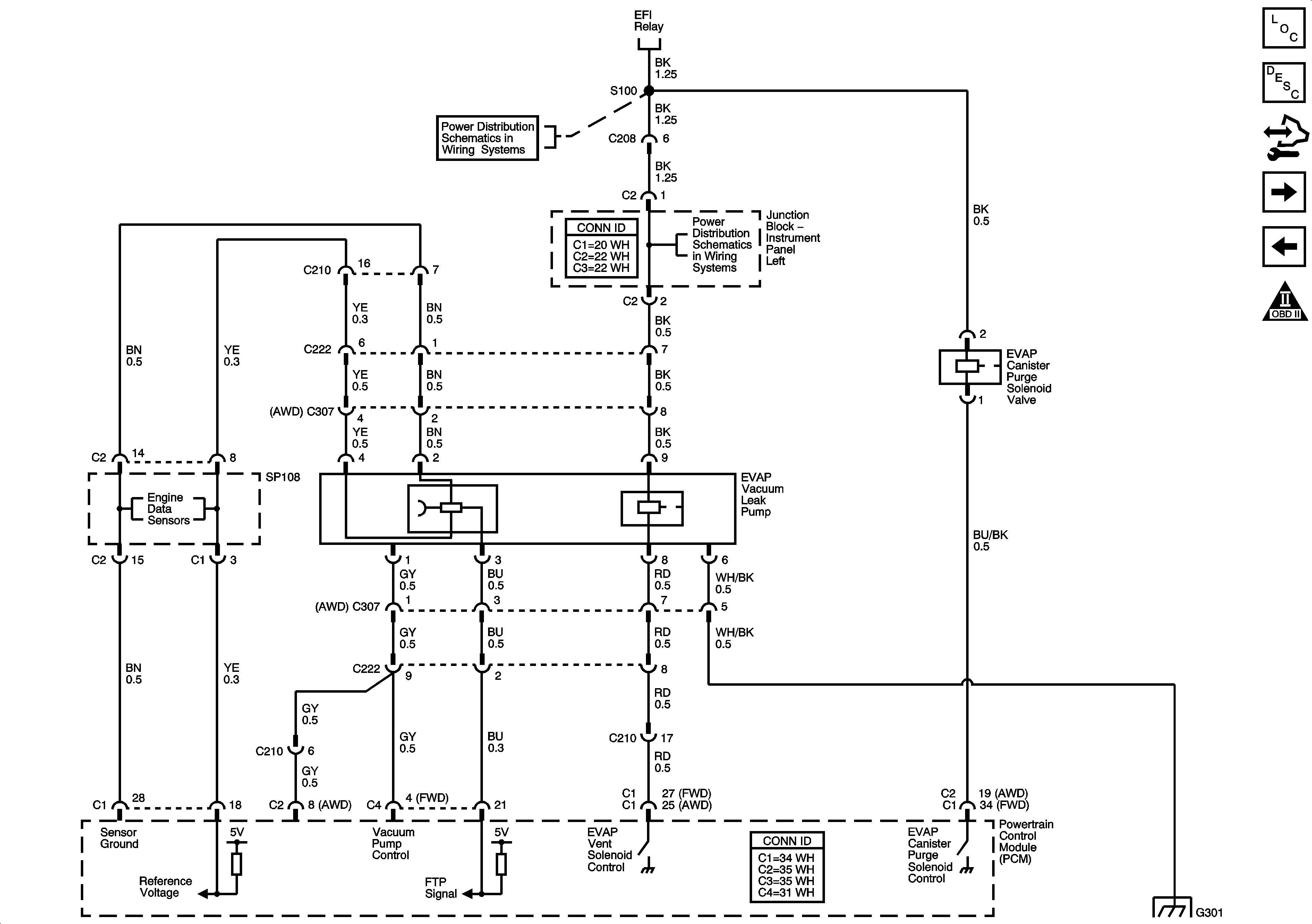
🢒 EVAP System (FWD)
EVAP System (FWD)
EVAP System (FWD)
Master Electrical Component List
Evaporative Emission Control System Description
Control Module References
Idle Air Control (IAC) Valve and EVAP System (AWD)
Accelerator Pedal Position (APP) Sensors
Engine Controls Schematic Icons
EFI Relay, S100
Air Pump, ETCS, Head, Alt S, EFI, Hazard EFI 2 Fuses
S100
G202, G300, G301, G302