GM Service Manual Online
For 1990-2009 cars only
Makes
🢒
Pontiac
🢒
2008
🢒
Vibe - FWD
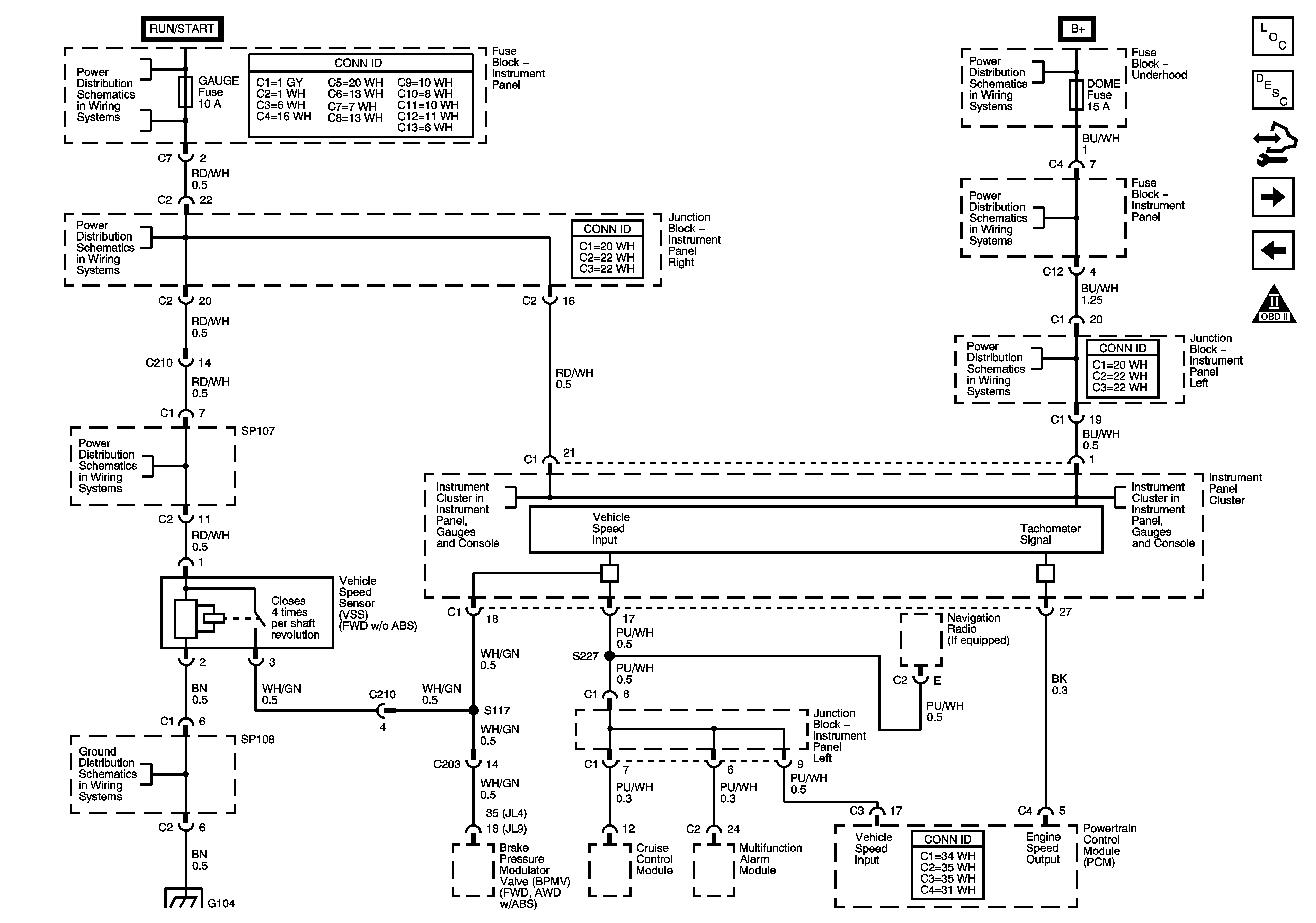
🢒 Vehicle Speed Sensor (VSS) (FWD w/o ABS)
Vehicle Speed Sensor (VSS) (FWD w/o ABS)
Vehicle Speed Sensor (VSS) (FWD w/o ABS)
Master Electrical Component List
Control Module References
Automatic Transaxle Controls (FWD)
Park/Neutral Position Switch, Brake Pressure Modulator Valve (BPMV), Multifunction Alarm Module
Engine Controls Schematic Icons
Wash, RR WIP, Wiper, ECU-IG, Gage, Heater, DEF Fuses
Horn, Dome, Main, Amp, OnStar Fuses
Ignition Switch 1 of 2
Power, AM 1, Door, Tail, P/Point, ECU-B, Stop, OBD, INV Fuses
Air Pump, ETCS, Head, Alt S, EFI, Hazard EFI 2 Fuses
Headlamps ON Indicator, Crank Signal, Vehicle Speed Signal
S100
Headlamps ON Indicator, Crank Signal, Vehicle Speed Signal
SP107, SP108, G104
SP107, SP108, G104