GM Service Manual Online
For 1990-2009 cars only
Makes
🢒
Pontiac
🢒
2008
🢒
Vibe - FWD
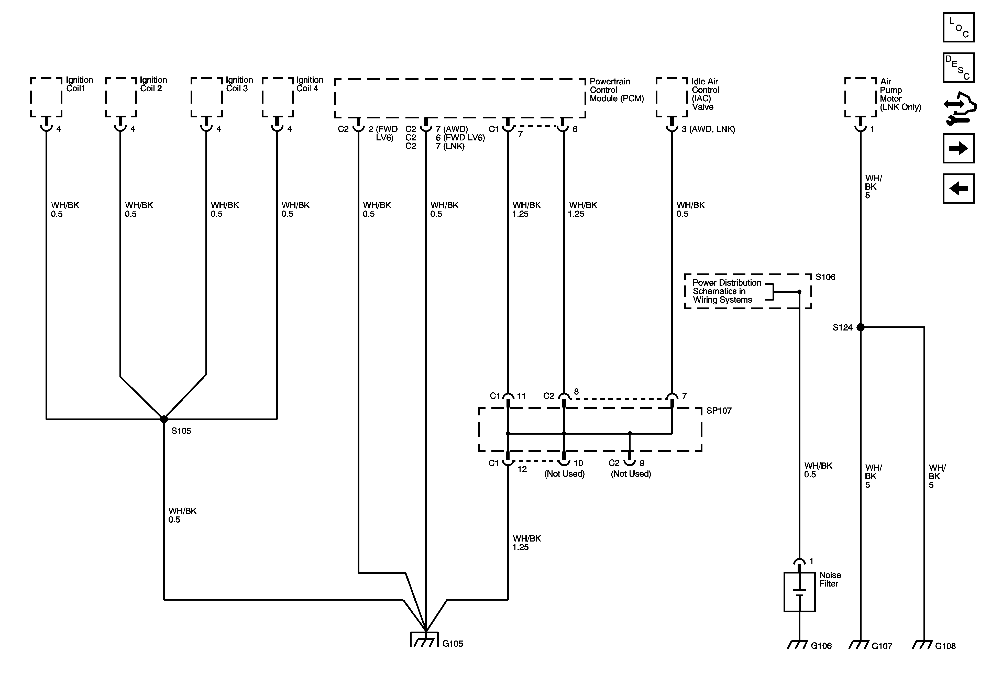
🢒 S105, G105, G106, G107, G108
S105, G105, G106, G107, G108
S105, G105, G106, G107, G108
Master Electrical Component List
Control Module References
SP200 and G200
SP107, SP108, G104