GM Service Manual Online
For 1990-2009 cars only
Makes
🢒
Pontiac
🢒
2008
🢒
Vibe - FWD
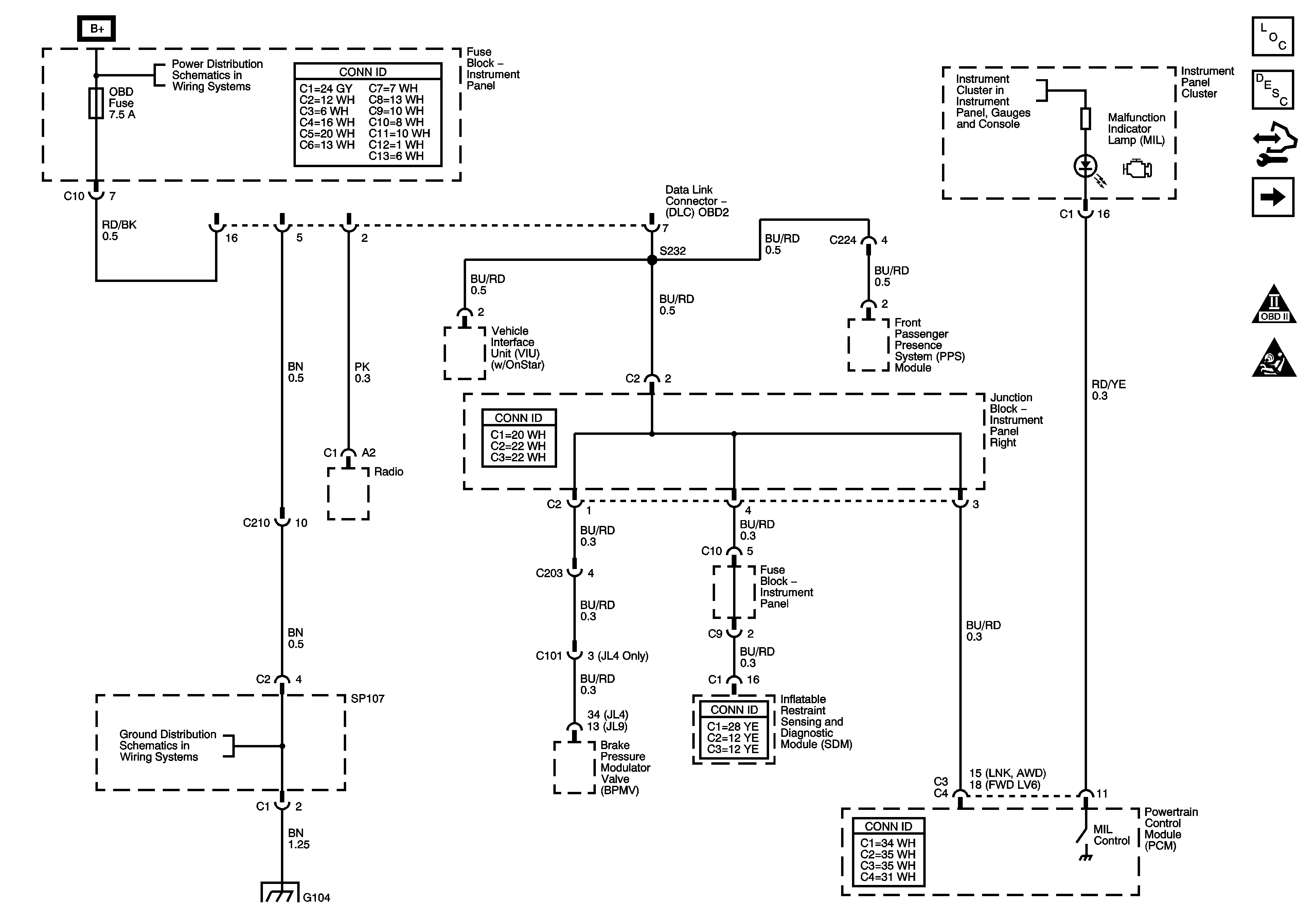
🢒 Computer/Integrating Systems DLC Schematic Figure for Graphic 1666852
Computer/Integrating Systems DLC Schematic Figure for Graphic 1666852
1 of 3
Master Electrical Component List
Data Link Communications Description and Operation
Control Module References
Computer/Integrating Systems DLC Schematic Figure for Graphic 1422199
Computer/Integrating Systems Schematic Icons
Computer/Integrating Systems Schematic Icons
Power, AM 1, Door, Tail, P/Point, ECU-B, Stop, OBD, INV Fuses
Charge, Air Bag, Malfunction, O/D OFF, Cruise Indicators
SP107, SP108, G104
SP107, SP108, G104