GM Service Manual Online
For 1990-2009 cars only

    Object Number: 2014217  Size: SH
  1. Remove the 3 bolts (1-3) and engine mounting bracket.

  2. Object Number: 2014220  Size: SH
  3. Remove the 4 bolts (1-4) and oil filter bracket.

  4. Object Number: 2014222  Size: SH
  5. Remove the 2 O-rings (1-2).

  6. Object Number: 2014226  Size: SH
  7. Remove the 19 bolts (1-19).

  8. Object Number: 2014227  Size: SH

    Note: Tape the screwdriver tip before use.

  9. Remove the timing chain cover by prying between the timing chain cover and cylinder head or cylinder block with a screwdriver.

  10. Object Number: 2014229  Size: SH
  11. Remove the 3 O-rings (1-3).

  12. Object Number: 2014232  Size: SH
  13. Remove the 3 bolts (1-3) and water pump.

  14. Object Number: 2014235  Size: SH
  15. Remove the gasket.

  16. Object Number: 2017051  Size: SH

    Note: Tape the screwdriver tip before use.

  17. Using a screwdriver and hammer, remove the timing chain cover oil seal.

  18. Object Number: 2017052  Size: SH
  19. Remove the 3 bolts (1-3), gasket and inlet water housing.

  20. Object Number: 2017054  Size: SH
  21. Remove the 4 bolts (1-4) and generator bracket.
  22. Remove the chain tensioner slipper.
  23. Remove the chain vibration damper.
  24. Remove the chain assembly.

  25. Object Number: 2014237  Size: SH
  26. Remove the 2 bolts (1) and chain vibration damper.
  27. Hand tighten the crank pulley bolt.

  28. Object Number: 2014242  Size: SH

    Note: Do not rotate the crankshaft more than 90 degrees. If the crankshaft is rotated too much without the timing chain installed, the valves may hit the pistons and cause damage.

  29. Turn the crankshaft 90 degrees clockwise to align the adjusting hole (1) of the oil pump drive shaft sprocket with the groove of the oil pump.
  30. Remove the crank pulley bolt.

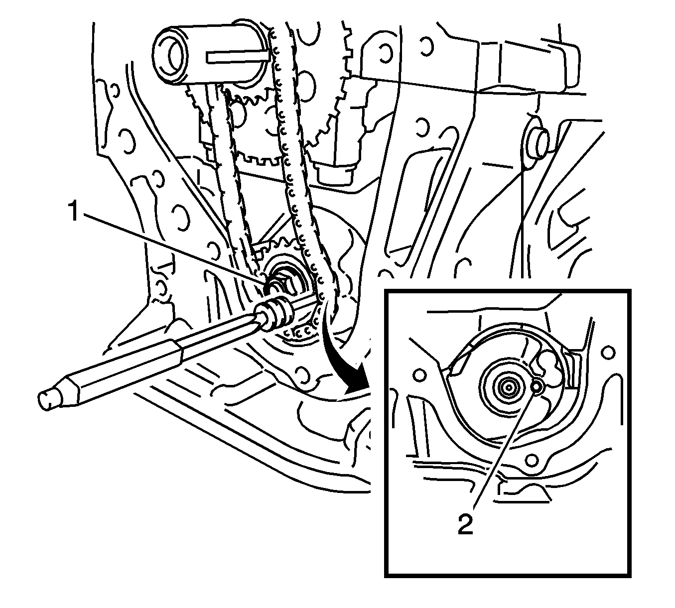
  31. Object Number: 2014246  Size: SH
  32. Insert a pin punch (3 mm) into the adjusting hole (2) of the oil pump drive shaft sprocket (1) to lock the gear in position, and then remove the nut.

  33. Object Number: 2014248  Size: SH
  34. Remove the bolt, chain tensioner plate, and spring.

  35. Object Number: 2014253  Size: SH
  36. Remove the crankshaft timing sprocket, oil pump drive shaft gear, and chain assembly.

  37. Object Number: 2017057  Size: SH
  38. Remove the crankshaft position sensor plate (1).

  39. Object Number: 2017059  Size: SH

    Note: Tape the screwdriver tip before use.

  40. Using a screwdriver, remove the 2 crankshaft timing gear keys.