GM Service Manual Online
For 1990-2009 cars only

    Object Number: 2017183  Size: SH
  1. Inspect cylinder head for flatness.
  2. Using a precision straight edge and a feeler gauge, measure the surfaces contacting the cylinder block and the manifolds for warpage.
  3. If the warpage is greater than the maximum, replace the cylinder head.

  4. Object Number: 2017184  Size: SH
  5. Using a dye penetrant, check the intake ports, exhaust ports and cylinder surface for cracks. If cracked, replace the cylinder head.

  6. Object Number: 2017185  Size: SH
  7. Apply a light coat of Prussian blue to the valve face.
  8. Lightly press the valve face against the valve seat.
  9. Check the valve face and valve seat according to the following procedure:
  10. 7.1. If Prussian blue appears 360 degrees around the valve face, the valve face is concentric. If not, replace the valve.
    7.2. If Prussian blue appears 360 degrees around the valve seat, the guide and valve face are concentric. If not, resurface the valve seat.
    7.3. Check that the valve seat contact (a) is in the middle of the valve face with the valve seat width between 1.0 and 1.4 mm (Intake side - 0.039 to 0.055 in).
    7.4. Check that the valve seat contact (a) is in the middle of the valve face with the valve seat width between 1.0 and 1.4 mm (Exhaust side - 0.039 to 0.055 in).
  11. Install the camshafts.

  12. Object Number: 2017186  Size: SH
  13. Using a dial indicator, measure the thrust clearance while moving the camshaft back and forth.
  14. If the thrust clearance is greater than the maximum, replace the camshaft housing. If the thrust surface is damaged, replace the camshaft.
  15. Inspect camshaft oil clearance.
  16. Clean the bearing caps and camshaft journals.
  17. Place the camshafts on the camshaft housing.

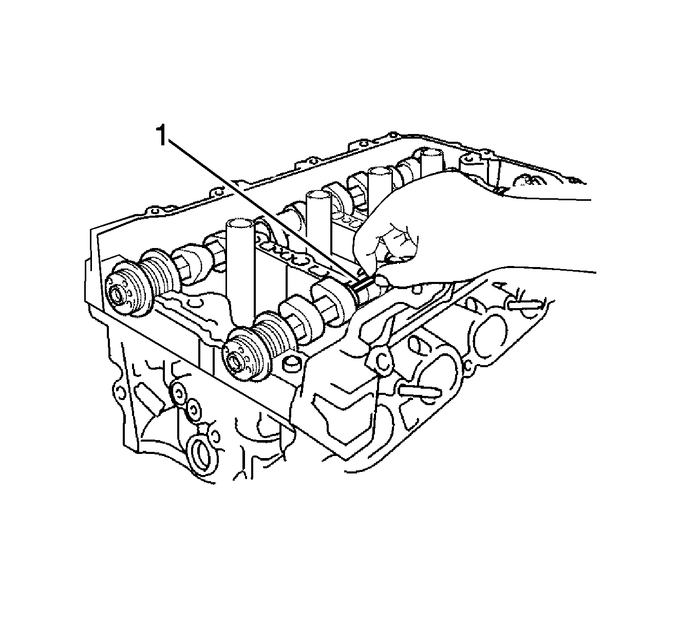
  18. Object Number: 2017187  Size: SH
  19. Lay a strip of Plastigage (1) across each of the camshaft journals.
  20. Note: Do not turn the camshaft.

  21. Install the bearing caps.
  22. Remove the bearing caps.

  23. Object Number: 2017188  Size: SH

    Note: Completely remove the Plastigage after the inspection.

  24. Measure the Plastigage (1) at its widest point.
  25. If the oil clearance is greater than the maximum, replace the camshaft. If necessary, replace the cylinder head.

  26. Object Number: 2017190  Size: SH
  27. Inspect compression spring.
  28. Using vernier calipers, measure the free length of the valve spring.
  29. Specification
    Free Length: 53.36 mm (2.1008 in)

  30. If the free length is not as specified, replace the valve spring.

  31. Object Number: 2017191  Size: SH
  32. Using a steel square, measure the deviation (a) of the valve spring.
  33. Specification
    Maximum Deviation: 1.0 mm (0.0394 in)

  34. If the deviation is greater than the maximum, replace the valve spring.

  35. Object Number: 2017192  Size: SH
  36. Inspect intake valve.
  37. Using a gasket scraper and wire brush, scrape off any carbon on the valve head.

  38. Object Number: 2017193  Size: SH
  39. Using vernier calipers, measure the overall length (a) of the valve.
  40. Specification

        • Standard Overall Length: 109.34 mm (4.3047 in).
        • Minimum Overall Length: 108.84 mm (4.2850 in).
  41. If the overall length is less than the minimum, replace the valve.

  42. Object Number: 2017194  Size: SH
  43. Using a micrometer, measure the diameter of the valve stem.
  44. Specification
    Valve Stem Diameter: 5.470 to 5.485 mm (0.2154 to 0.2159 in)

  45. If the valve stem diameter is not as specified, check the oil clearance.

  46. Object Number: 2017195  Size: SH
  47. Using vernier calipers, measure the valve head margin thickness (a).
  48. Specification

        • Standard Margin Thickness: 1.0 mm (0.0394 in)
        • Minimum Margin Thickness: 0.5 mm (0.0197 in)
  49. If the margin thickness is less than the minimum, replace the valve.

  50. Object Number: 2017192  Size: SH
  51. Inspect the exhaust valve.
  52. Using a gasket scraper and wire brush, scrape off any carbon on the valve head.

  53. Object Number: 2017196  Size: SH
  54. Using vernier calipers, measure the overall length (a) of the valve.
  55. Specification

        • Standard Overall Length: 109.34 mm (4.3047 in)
        • Minimum Overall Length: 108.84 mm (4.2850 in)
  56. If the overall length is less than the minimum, replace the valve.

  57. Object Number: 2017198  Size: SH
  58. Using a micrometer, measure the diameter of the valve stem.
  59. Specification
    Valve Stem Diameter: 5.470 to 5.485 mm (0.2154 to 0.2159 in)

  60. If the valve stem diameter is not as specified, check the oil clearance.

  61. Object Number: 2017199  Size: SH
  62. Using vernier calipers, measure the valve head margin thickness (a).
  63. Specification

        • Standard Margin Thickness: 1.0 mm (0.0394 in)
        • Minimum Margin Thickness: 0.5 mm (0.0197 in)
  64. If the margin thickness is less than the minimum, replace the valve.

  65. Object Number: 2017200  Size: SH
  66. Inspect valve guide bush oil clearance.
  67. Using a caliper gauge, measure the inside diameter of the guide bush.
  68. Specification
    Bushing Inside Diameter: 5.510 to 5.530 mm (0.2169 to 0.2177 in)

  69. Subtract the valve stem diameter measurement from the guide bush inside diameter measurement.
  70. If the clearance is greater than the maximum, replace the valve and guide bush.

  71. Object Number: 2017112  Size: SH
  72. Inspect the cylinder head set bolt.
  73. Using vernier calipers, measure the length (a) of the cylinder head set bolt from the seat to the end.

    If the bolt length is greater than the maximum, replace the cylinder head set bolt.

    Specification

        • Standard Bolt Length: 146.8-148.2 mm (5.7795-5.8346 in)
        • Maximum Bolt Length: 149.2 mm (5.874 in)

    Note: Using a straightedge, visually check the thinner areas of the threaded part of the cylinder head set bolt.

  74. Using vernier calipers, measure the minimum diameter (b) of the elongated thread at the measuring point.
  75. If the diameter is less than the minimum, replace the cylinder head set bolt.

    Specification
    Maximum Warpage: 0.7 mm (0.028 in)