GM Service Manual Online
For 1990-2009 cars only
  1. Remove the ventilation hose.

  2. Object Number: 2017001  Size: SH
  3. Disconnect the No. 3 water by-pass hose (1) from the water inlet housing.

  4. Object Number: 2017002  Size: SH
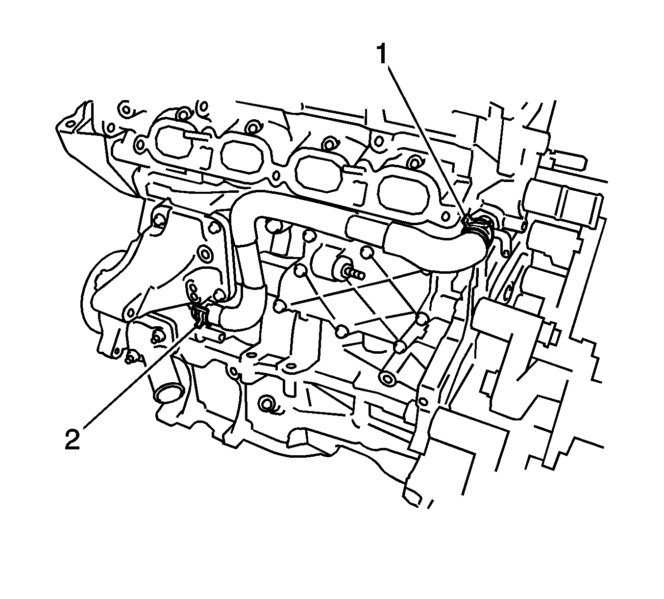
  5. Remove the 2 bolts (1,2) and No. 1 water by-pass pipe.
  6. Remove the clamp and water by-pass hose.

  7. Object Number: 2017005  Size: SH
  8. Remove the 2 clamps (1, 2) and inlet water hose.
  9. Remove the inlet water.
  10. Remove the thermostat.
  11. Remove the bolt and radio setting condenser.

  12. Object Number: 2017009  Size: SH
  13. Remove the oil filler cap (1).

  14. Object Number: 2017012  Size: SH
  15. Remove the oil filler cap gasket (1).

  16. Object Number: 2017015  Size: SH
  17. Remove the 2 engine cover joints.

  18. Object Number: 2017021  Size: SH
  19. Remove the 4 bolts and 4 ignition coils.
  20. Using a 14 mm spark plug wrench, remove the 4 spark plugs.

  21. Object Number: 2017024  Size: SH
  22. Remove the 2 bolts (1,2) and 2 camshaft position sensors.

  23. Object Number: 2017025  Size: SH
  24. Remove the 2 bolts (1,2), O-rings, bracket and 2 oil camshaft timing control valves.

  25. Object Number: 2017027  Size: SH
  26. Remove the 13 bolts (1-13), seal washer and cylinder head cover.

  27. Object Number: 2017028  Size: SH

    Note: Be careful not to drop any of the gaskets into the engine when removing the cylinder head cover because gaskets may stick to the cylinder head cover.

  28. Remove the 3 gaskets (1-3) from the camshaft bearing cap.

  29. Object Number: 2017032  Size: SH
  30. Remove the cylinder head cover gasket.