GM Service Manual Online
For 1990-2009 cars only
Makes
🢒
Pontiac
🢒
2009
🢒
Vibe - FWD
🢒
Diagnostic Navigation
🢒
Vehicle Diagnostic Information
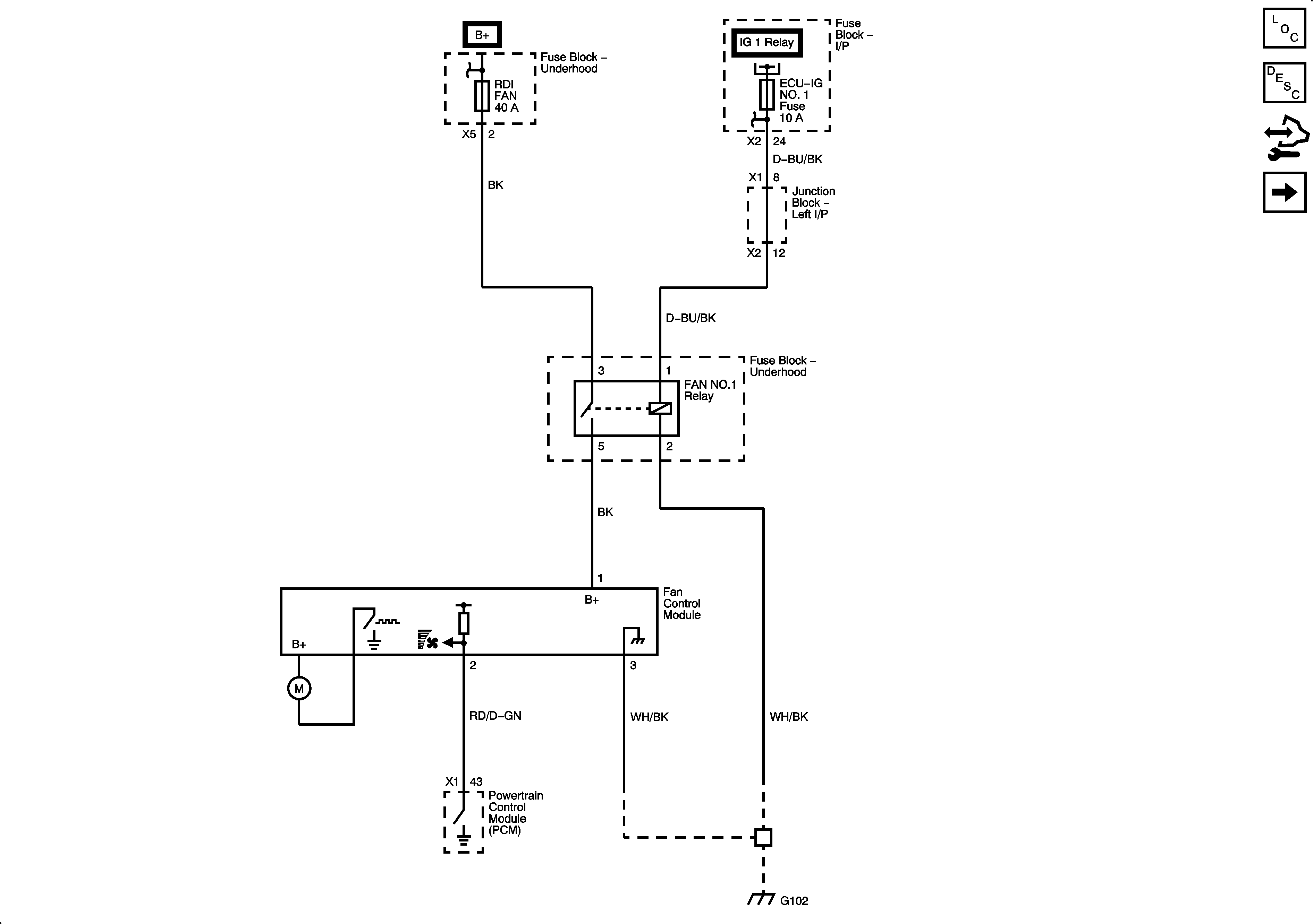
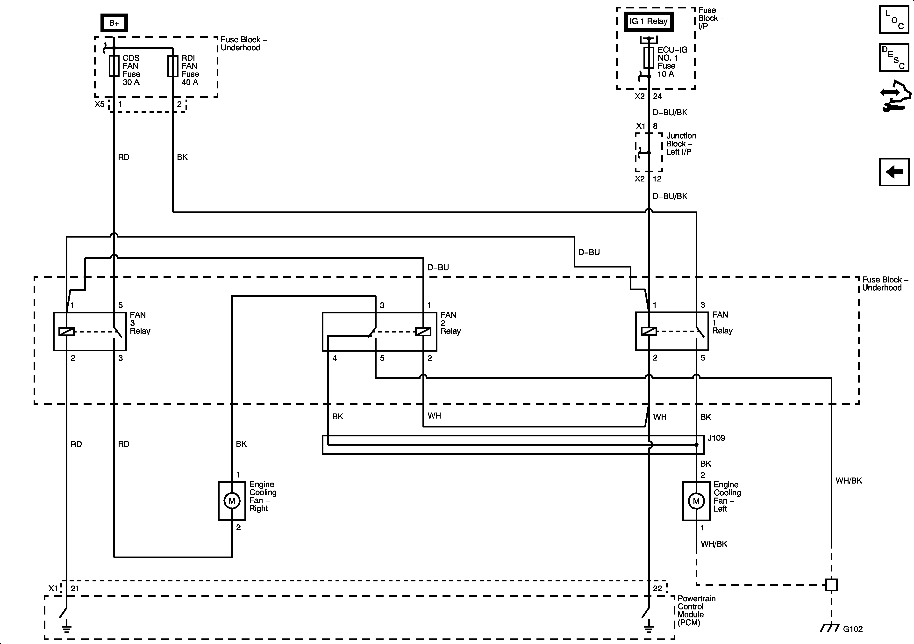
🢒 Engine Cooling Schematics
Figure
1:
1.8L
Figure
2:
2.4L