GM Service Manual Online
For 1990-2009 cars only
Makes
🢒
Pontiac
🢒
2009
🢒
Vibe - FWD
🢒
Diagnostic Navigation
🢒
Vehicle Diagnostic Information
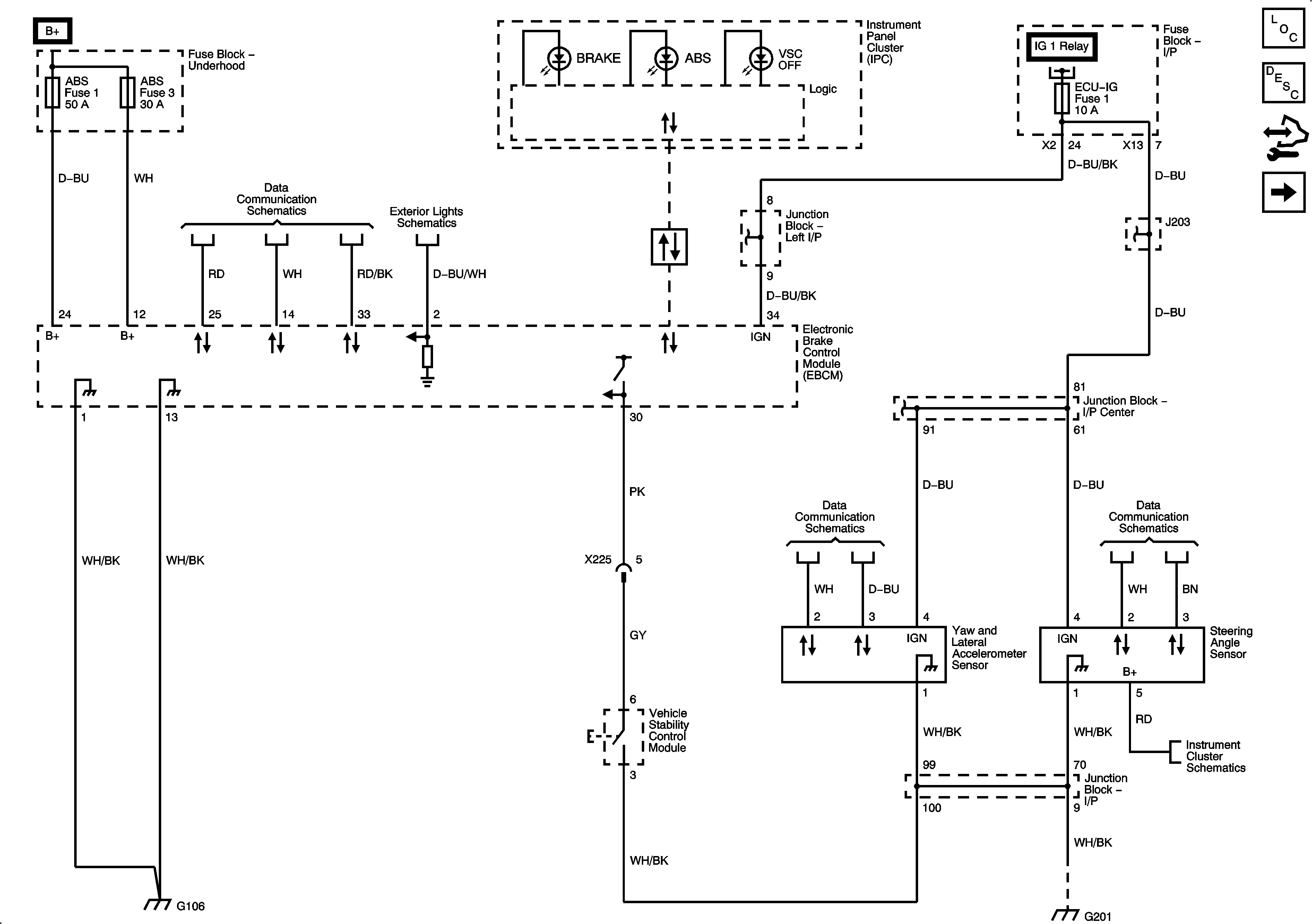
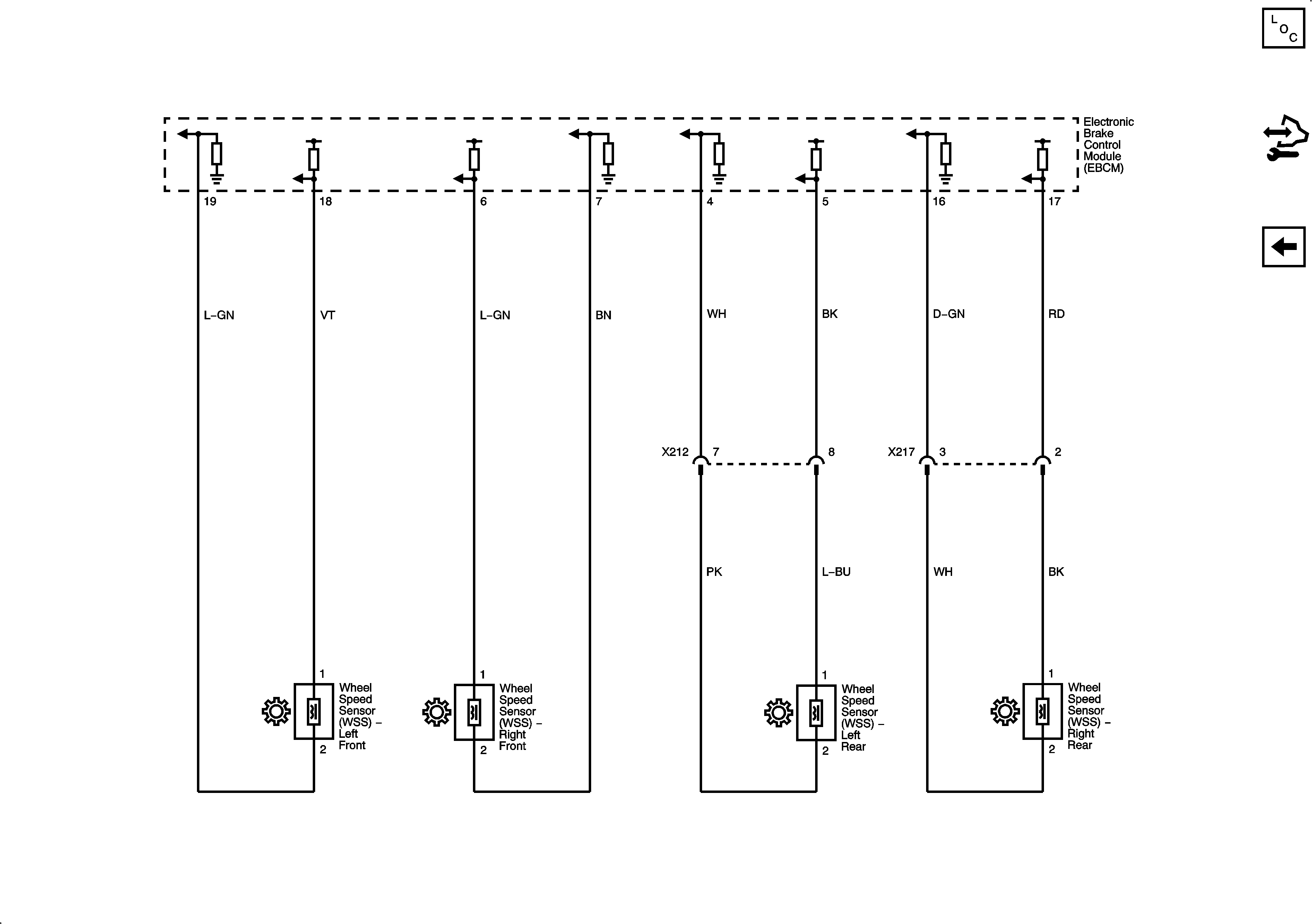
🢒 Antilock Brake System Schematics
Figure
1:
Power, Ground, Indicator/Warning Lamps, Electronic Stability Sensors and Switches
Figure
2:
Wheel Speed Sensors