GM Service Manual Online
For 1990-2009 cars only

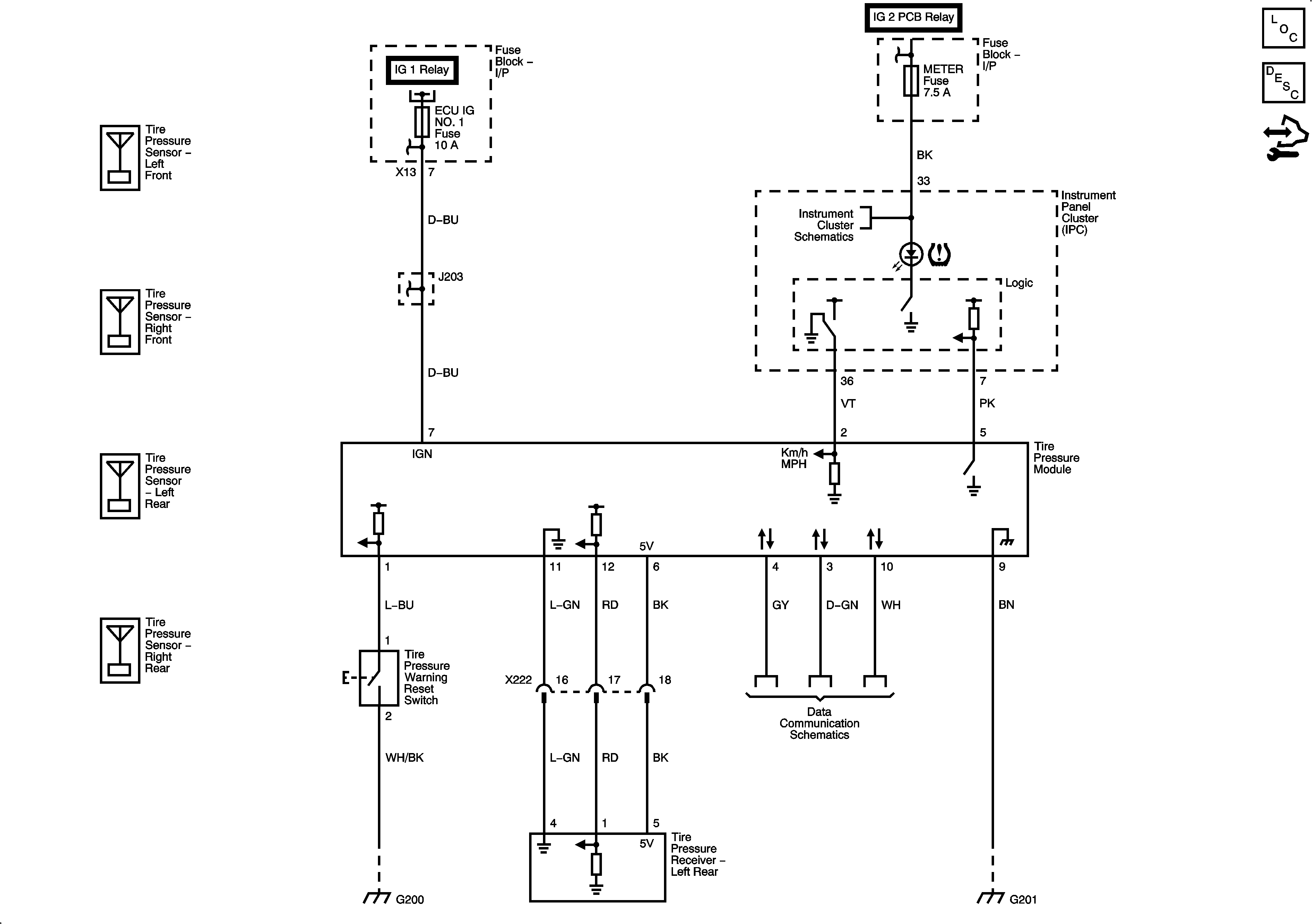
Object Number: 2041950  Size: FS