GM Service Manual Online
For 1990-2009 cars only
Makes
🢒
Pontiac
🢒
2009
🢒
Vibe - FWD
🢒
Driver Information and Entertainment
🢒
Cellular, Entertainment, and Navigation
🢒 Radio/Navigation System Schematics
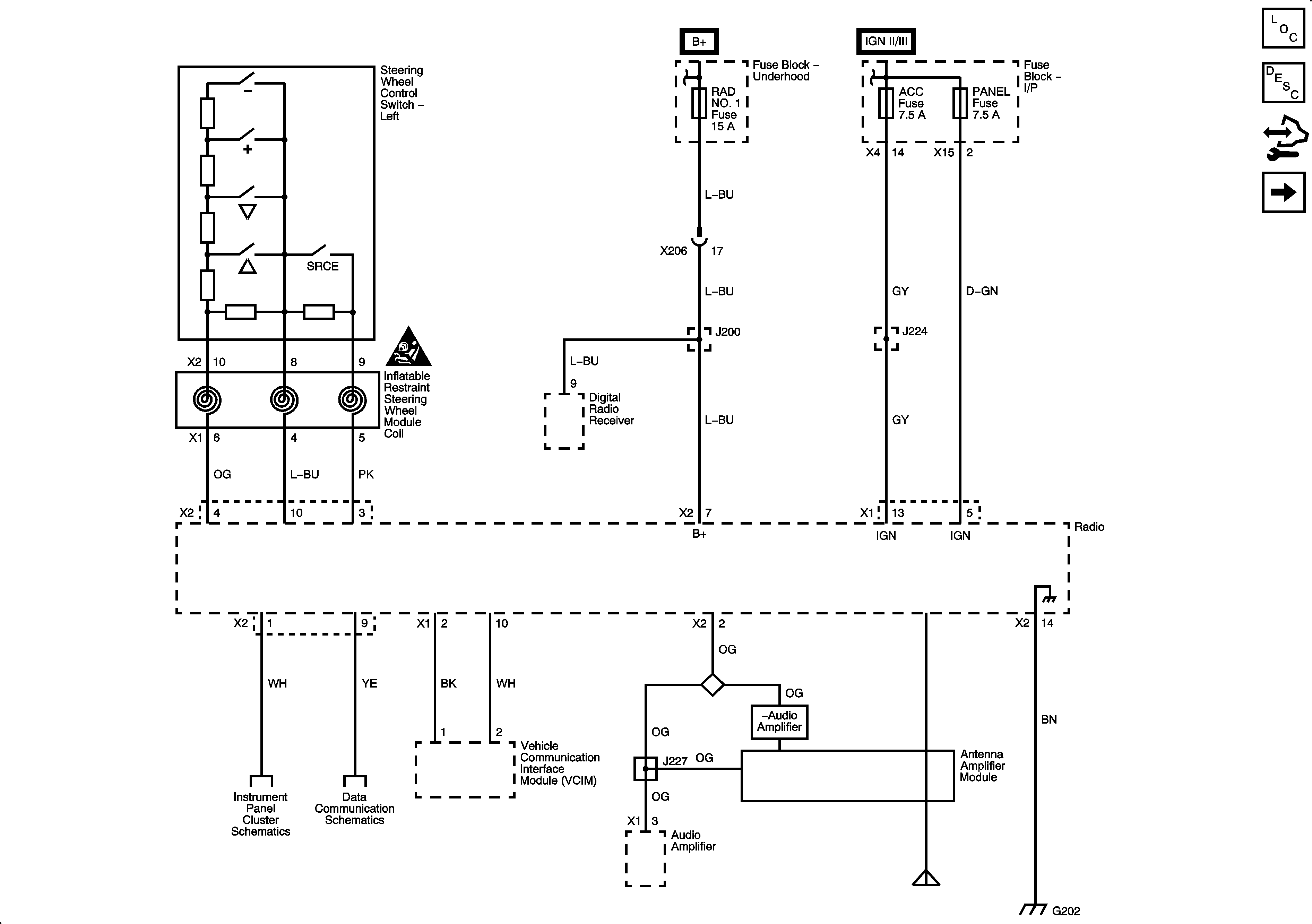
Figure
1:
Power, Ground, Steering Wheel Controls, Antenna
Figure
2:
Speakers (U65) W/Audio Amplifier
Figure
3:
Speakers (UW4)
Figure
4:
Digital Radio Receiver (U2K)