GM Service Manual Online
For 1990-2009 cars only
Makes
🢒
Pontiac
🢒
2009
🢒
Vibe - FWD
🢒
Transmission
🢒
Automatic Transmission - MVA 4 Speed
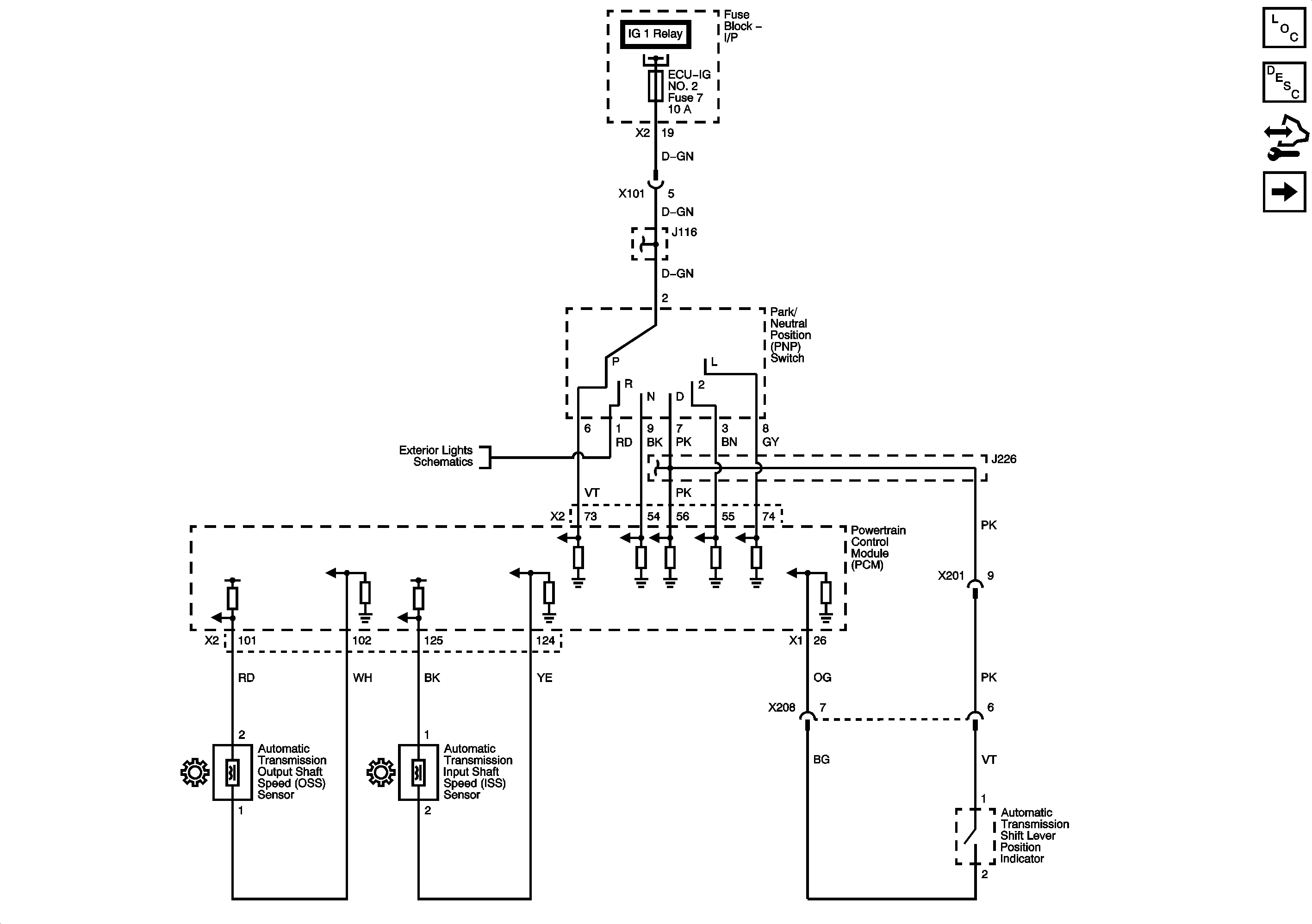
🢒 Automatic Transmission Controls Schematics
Figure
1:
Power, PNP Switch, Shift Lever, Sensors
Figure
2:
Transaxle Controls