- Install the front differential side gear.
Note: When installing them, set the alignment of the front differential pinions perpendicular to that of the side gear and rotate them so that their holes are aligned with the holes in the differential case.
- After applying ATF WS to the front differential side gears, front differential side gear thrust washers, front differential pinions and front differential pinion thrust washers, install them to the front differential case.
- Install the front No. 1 differential pinion shaft so as to align the lock pin holes in the pinion shaft and front differential case.
- Inspect the differential side gear backlash.
- Using a pin punch and a hammer, install the pinion shaft straight pin.
- Using a chisel and a hammer, stake the differential case.
- Install the front differential ring gear.
- Using ATF WS and a heater, heat the front differential ring gear to 90 to 110°C (194 to 230°F).
- Clean the contact surface of the front differential case.
Caution: Refer to Fastener Caution in the Preface section.
- Install the new ring gear lock plates with the bolts and tighten to
88 N·m (65 lb ft).
- Using a suitable tool (1), stake the ring gear lock plate.
- Using a press (1), install the front differential case rear tapered roller bearing inner race to the differential case.
- Using a press (2), install the shim and bearing outer race to the transaxle case.
- Using a press, install the front differential case front tapered roller bearing inner race to the differential case.
- Using a press (1), install the front differential case front tapered roller bearing to the transaxle housing.
- Check each bearing position and installation direction.
- Inspect the differential case tapered roller bearing preload.
- Coat the front differential case and bearing with ATF WS and install them to the transaxle case.
- Install the transaxle housing with the bolts (1-2).
| • | Tighten bolts 1 to
29 N·m (21 lb ft). |
| • | Tighten bolts 2 to
22 N·m (16 lb ft). |
- Using
J-35405 Differential Preload Wrench
and a small torque wrench, measure the preload of the differential gear. Refer to
Transmission General Specifications for
Preload.
If the preload is not within the specification, remove the differential from the transaxle case.
Select a new transaxle case side adjusting shim in accordance with the specification. Refer to
Transmission General Specifications for Adjusting Shim Thickness.
- Coat the lip of a new No. 1 transaxle case oil seal with MP grease.
- Using a suitable tool (1), drive in the No. 1 transaxle case oil seal (2).
Specification
Seal depth: -0.5 to 0.5 mm (-0.0197 to 0.0197 in)
- Coat the lip of a new front transaxle case oil seal with MP grease.
- Using a suitable tool (1, 2), drive in the front transaxle case oil seal.
Specification
Seal depth: 2.2 to 3.2 mm (0.0866 to 0.126 in)
- Install the No. 1 transaxle case plate (1) onto the transaxle case.
- Using a suitable tool (1, 2), install the front drive pinion rear tapered roller bearing to the transaxle case.
- Install the thrust bearing to the transaxle housing.
- Using a press (1, 2), install a new front drive pinion front tapered roller bearing to the transaxle housing.
- Install the differential gear lube apply tube (1) to the transaxle housing.
- Install the bearing lock plate to the transaxle housing with the bolt (1) and tighten to
11 N·m (97 lb in).
- Using a screwdriver, install the counter drive gear hole snap ring to the transaxle case.
- Using a suitable tool (1, 2), install the counter drive gear bearing outer race LH to the transaxle case.
- Install the counter drive gear bearing LH to the transaxle case.
- Using a suitable tool (1, 2), install the counter drive gear bearing outer race RH to the transaxle case.
- Install the counter drive gear bearing RH to the transaxle case.
- Coat the lip of a new manual valve lever shaft oil seal with MP grease.
- Using a suitable tool (1, 2), install the new manual valve lever shaft oil seal.
Specification
Seal depth: -0.5 to 0.5 mm (-0.020 to 0.020 in)
Note:
| • | When replacing the counter driven gear, replace the counter drive gear in the transaxle case as well. |
| • | Press in the differential drive pinion until it comes into contact with the counter driven gear. |
- Using a press (1, 2), install the differential drive pinion to the counter driven gear.
- Install a new differential drive pinion plug (3) to the differential drive pinion.
Specification
Standard clearance - 2.5 to 3.5 mm (0.0984 to 0.137 in).
- Install the counter driven gear and drive pinion thrust bearing to the transaxle case.
- Coat the parking lock pawl shaft with ATF WS.
Note: Check that the parking lock pawl moves smoothly.
- Install the parking lock pawl, parking lock pawl shaft torsion spring (1) and parking lock pawl shaft to the transaxle case.
Note: Do not damage the oil seal lip.
- Install the manual valve lever shaft to the transaxle case.
- Install the parking lock rod to the manual valve lever.
- Coat the manual valve lever sub-assembly with ATF WS.
- Install the manual valve lever and a new manual valve lever spacer to the manual valve lever shaft.
- Using a pin punch and hammer, drive in the pin.
- Turn the spacer and lever shaft (1) to align the small hole for locating the staking position mark on the lever shaft.
- Using a pin punch, stake the spacer through the small hole.
- Check that the spacer does not turn.
- Install the manual valve lever shaft retainer spring to the manual valve lever shaft.
- Install the parking lock pawl bracket, parking lock rod and cam guide sleeve to the transaxle case with the bolts and tighten to
20 N·m (15 lb ft).
- Using a press (1), install the counter drive gear to the transaxle case.
- Using a press (1), install the planetary gear assembly to the transaxle case.
- Secure the counter driven gear with the parking lock pawl.
- Using
DT-49190 Counter Gear Nut Wrench
(1) , install a new lock washer and nut and tighten to
280 N·m (207 lb ft).
- Using
DT-49190 Wrench
(1) , measure the rotating torque while turning the counter drive gear at 60 turns per minute. Tighten the drive gear to
0.20-0.49 N·m (1.8-4.3 lb in).
- Using a suitable tool (1), stake the lock nut washer.
- Coat the new No. 2 1st and reverse brake piston O-rings (1) with ATF WS, and install them to the No. 2 1st and reverse brake piston.
Note: Do not damage the oil seal lip.
- Coat the No. 2 1st and reverse brake piston with ATF WS, and install it to the transaxle case.
- Install the 1st and reverse brake return spring sub-assembly to the transaxle case.
- Using a press and a screwdriver, install the snap ring.
- Install the 1st and reverse brake disc.
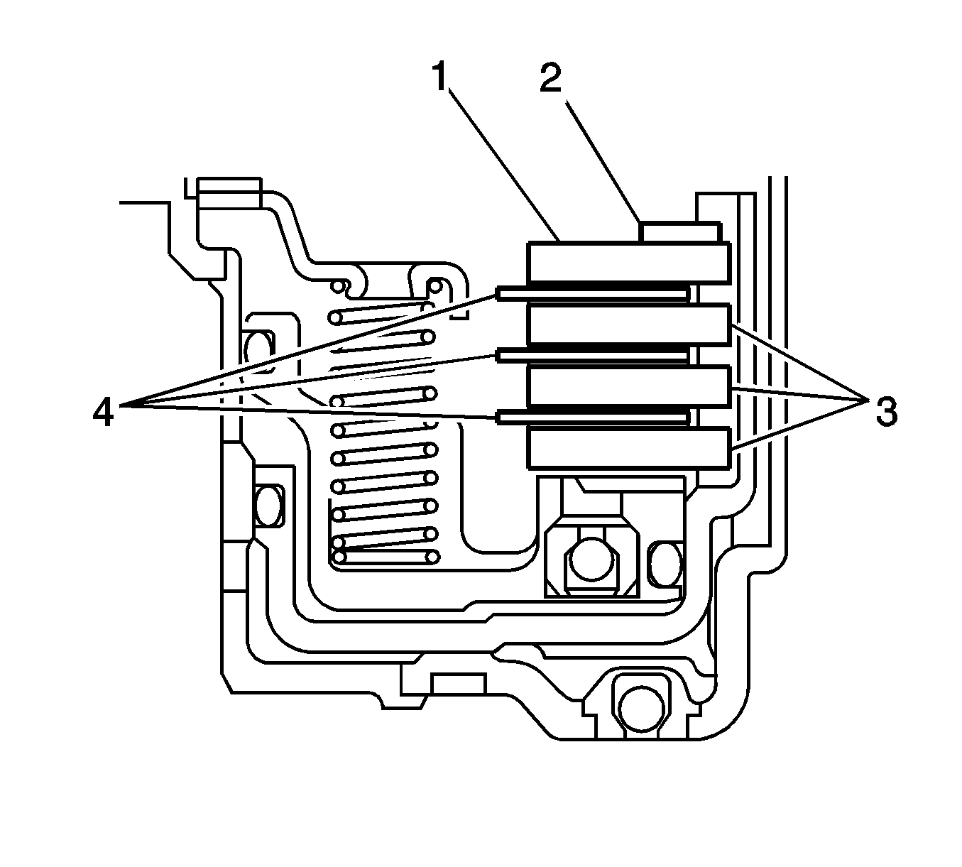
- Install the plates (1), discs (3) and flange (2) to the transaxle case.
- Using a screwdriver, install the snap ring.
- Inspect the pack clearance of 1st and reverse brake.
- Using a dial indicator (1), measure the 1st and reverse brake clearance while pressing the discs and plates from the rear side.
Specification
Pack clearance - 0.81 to 1.20 mm (0.0318 to 0.0472 in).
- There are four different thicknesses of flanges available. Refer to
Transmission General Specifications for Reverse Brake Flange Thickness Chart.
If the clearance is not within the specified range, select a new reverse brake flange.
- Check that the 1st and reverse brake piston moves when compressed air is applied to the oil hole.
- Install the planetary sun gear and needle roller bearing to the planetary gear assembly.
Note: Do not damage the O-rings.
- Coat the new 2nd brake cylinder O-rings with ATF WS and install them into the 2nd brake cylinder.
Note: Do not damage the O-rings when pressing the 2nd brake piston into the 2nd brake cylinder by hand.
- Coat the 2nd brake piston with ATF WS and install it into the 2nd brake cylinder.
- Install the piston return spring.
- Compress the piston return spring with a press (1).
Note: Make sure that the end gap of the snap ring is not aligned with the piston return spring claw.
- Using a screwdriver, install the snap ring.
- Install the outer race retainer (1) to the No. 2 one-way clutch.
- Install the No. 2 one-way clutch and 2nd brake piston assembly to the rear planetary gear assembly.
- Install the No. 2 thrust bearing race, the planetary gear thrust needle roller bearing and thrust bearing race to the rear planetary gear assembly.
- Install the rear planetary gear assembly to the transaxle case.
- Using a screwdriver, install the snap ring.
- Check that the rear planetary gear assembly (1) turns freely counterclockwise and locks when turned clockwise.
- Install the 2nd brake piston sleeve to the transaxle case.
- Install the discs (5), No. 1-2nd brake flanges (3) and 2nd brake flanges (1, 4) to the transaxle case.
- Using a screwdriver, install the snap rings (1, 2) to the transaxle case.
- Inspect the pack clearance of 2nd brake.
Note: If the clearance is not within the specified range, select a new brake flange.
- Using a dial indicator, measure the 2nd brake pack clearance while applying and releasing compressed air.
Specification
Pack clearance - 0.85 to 1.24 mm (0.0334 to 0.0488 in)
- There are four different thicknesses of flanges available. Refer to
Transmission General Specifications for 2nd Brake Flange Thickness Chart.
- Install the No. 2 thrust washer to the rear planetary gear assembly.
- Install the one-way clutch assembly to the rear planetary sun gear assembly.
- Inspect the one-way clutch assembly.
- Hold the rear planetary sun gear, turn the one-way clutch and check that the one-way clutch turns freely counterclockwise and locks when turned clockwise.
- Install the thrust needle roller bearing and the washer to the rear planetary sun gear.
- Install the rear planetary sun gear assembly.
- Install the rear No. 2 planetary sun gear thrust needle roller bearing.
- Install the direct clutch hub.
- Install the No. 3 thrust bearing race, the thrust needle roller bearing and the C-2 hub thrust bearing race to the direct clutch hub.
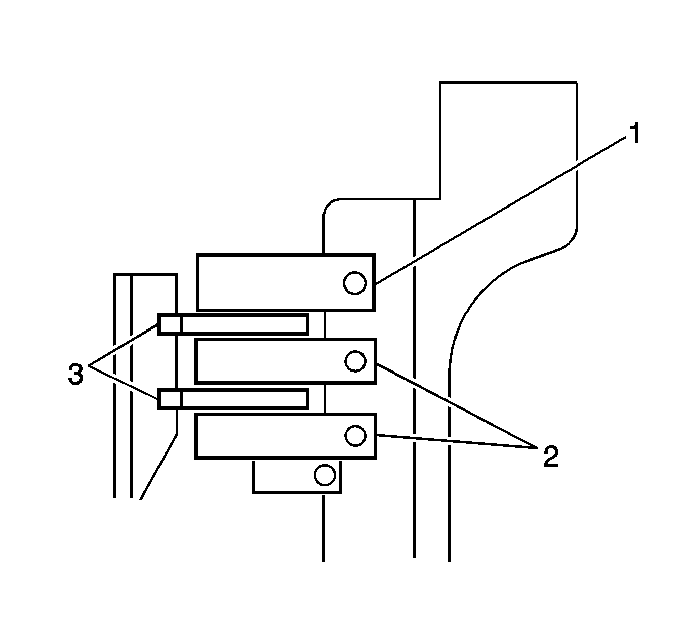
- Install the 2nd coast and overdrive brake disc.
- Measure the flange thickness. (Dimension A)
- Install the discs (3), plates (2) and flange (1) to the transaxle case.
- Coat a new O-ring (1) with ATF WS and install it to the direct clutch drum.
- Coat the new O-rings (1) with ATF WS and install them to the direct clutch piston.
- Coat the direct clutch drum with ATF WS.
- Align a cutout on the intermediate shaft assembly with the matchmark on the direct clutch drum and install the direct clutch drum to the intermediate shaft assembly.
- Coat the direct clutch piston with ATF WS and install it to the intermediate shaft.
- Install the direct clutch return spring onto the direct clutch piston.
- Compress the piston return springs with a press (1).
Note:
| • | Stop pressing when the spring seat is 1 to 2 mm (0.039 to 0.078 in) from the snap ring groove to prevent the spring seat from being deformed. |
| • | Do not expand the snap ring excessively. |
- Using snap ring pliers, install the snap ring to the direct clutch drum.
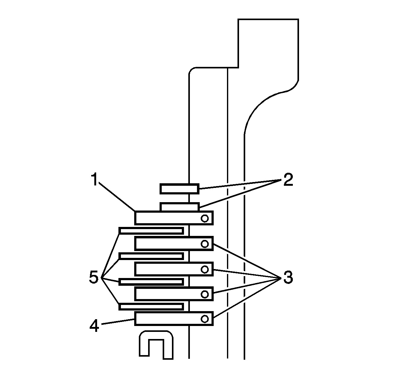
- Coat the rear clutch flanges (3), discs (4) and direct clutch flange (1) with ATF WS and install them to the intermediate shaft.
- Install the snap ring (2) to the intermediate shaft.
- Coat the plates (4), discs (3) and flange (2) with ATF WS, and install them to the intermediate shaft.
- Install the snap ring (1) to the intermediate shaft.
- Inspect the pack clearance of the reverse clutch.
- Install the intermediate shaft and thrust needle roller bearing to the rear transaxle cover.
Note: If the clearance is not within the specified range, select a new clutch flange.
- Using a dial indicator, measure the reverse clutch pack clearance while applying and releasing compressed air.
Specification
Pack clearance - 0.62 to 1.16 mm (0.0244 to 0.0456 in)
- There are four different thicknesses of flanges available. Refer to
Transmission General Specifications
- Inspect the pack clearance of the direct clutch.
- Install the intermediate shaft and thrust needle roller bearing to the transaxle rear cover.
Note: If the clearance is not within the specified range, select a new clutch flange.
- Using a dial indicator, measure the forward clutch pack clearance while applying and releasing compressed air.
The direct and reverse clutch will come out as compressed air is applied.
Therefore, while performing the check, press on the input shaft of the direct and reverse clutch using a press or the equivalent so that the pressure is not applied to the direct and reverse clutch.
Specification
Pack clearance - 0.62 to 1.02 mm (0.0244 to 0.0402 in)
- There are four different flanges thicknesses. Refer to
Transmission General Specifications
- Install the intermediate shaft assembly to the transaxle case.
- Inspect the 2nd coast and overdrive brake clearance.
- Place a straightedge on the transaxle case and measure the distance between the 2nd coast and overdrive brake flange and the straightedge using vernier calipers. (Dimension B)
Note: If the clearance is not within the specified range, select a new brake flange.
- Place a straightedge on the overdrive brake piston and measure the distance between the transaxle rear cover and straightedge using vernier calipers. (Dimension C)
Calculate the piston stroke value using the following formula.
Formula: (Dimension A + Dimension B) - Dimension C
Specification
Pack clearance - 2.10 to 2.49 mm (0.0826 to 0.0980 in)
- There are four different thicknesses of flanges available. Refer to
Transmission General Specifications
- Install the rear clutch drum thrust needle roller bearing.
- Install the bearing to the intermediate shaft.
- Inspect the intermediate shaft assembly.
- Install the rear transaxle cover with the bolts and tighten to
25 N·m (18 lb ft).
- Using a dial indicator, measure the intermediate shaft end play.
Specification
End play - 0.21 to 0.96 mm (0.0082 to 0.0377 in)
- If the end play is not as specified, select and replace the rear clutch drum thrust needle roller bearing.
There are two different thicknesses of trust needle roller bearings available.
| • | Color - Brown, Thickness - 0.785 mm (0.0309 in) |
| • | Color - Black, Thickness - 1.1 mm (0.0433 in) |
- Remove the bolts and the rear transaxle cover.
- Install the new gaskets to the transaxle case.
- Coat a new needle roller bearing with ATF WS.
- Using a press (1), install the needle roller bearing into the rear transaxle cover.
Specification
Standard clearance - 25.1 mm (0.988 in)
- Compress the oil seal rings from both sides to reduce dimension A.
Specification
Dimension A - 5.0 mm (0.197 in)
- Coat the oil seal rings with ATF WS and install them to the rear transaxle cover.
Note: Do not damage the O-rings.
- Coat the new O-rings (1, 2) with ATF WS and install them to the 2nd coast and overdrive brake piston.
- Install the 2nd coast and overdrive brake piston.
- Coat the piston with ATF WS and install it to the rear transaxle cover.
Note:
| • | Stop pressing when the spring seat is 1 to 2 mm (0.039 to 0.078 in) from the snap ring groove to prevent the spring seat from being deformed. |
| • | Do not expand the snap ring excessively. |
- Using a press, install the overdrive brake return spring and snap ring to the rear transaxle cover.
- Coat the new O-rings with ATF WS, and install them to the rear transaxle cover plugs.
- Install the rear transaxle cover plugs (1-4) to the rear transaxle cover and tighten to
7 N·m (62 lb in).
- Apply Three Bond 1281 sealant, or equivalent, to the transaxle case.
- Install the rear transaxle cover with the bolts and tighten to
25 N·m (18 lb ft).
- Install the forward clutch hub sub-assembly onto the transaxle case.
- Install the bearing to the forward clutch hub.
- Coat a new input shaft oil seal ring with ATF WS, and install it to the input shaft.
- Coat a new clutch piston O-ring (1) with ATF WS, and install it to the forward clutch piston.
- Install the forward clutch piston to the input shaft.
- Install the return spring and clutch balancer to the input shaft.
- Using a press (1) and snap ring pliers, install the snap ring to the input shaft.
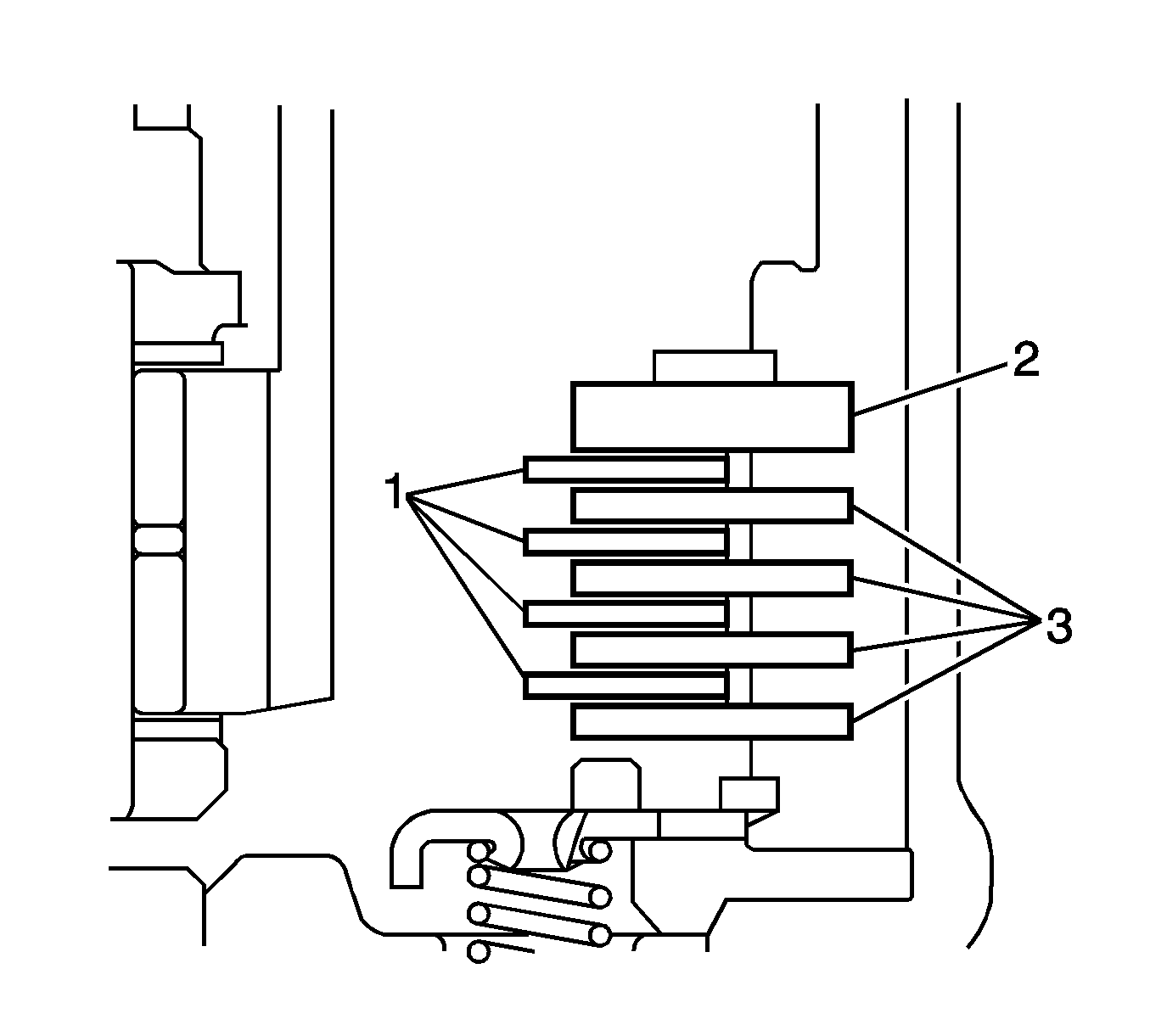
- Install the front clutch disc.
- Install the plates (3), discs (1) and flange (2).
- Using a screwdriver, install the snap ring to the input shaft.
- Inspect the pack clearance of the forward clutch.
Note: If the clearance is not within the specified range, install a new brake flange.
- Using a dial indicator, measure the pack clearance while applying and releasing compressed air.
Specification
Pack clearance - 1.41 to 1.80 mm (0.0555 to 0.0708 in)
- There are four different thicknesses of flanges available. Refer to
Transmission General Specifications
- Install the bearing to the input shaft assembly.
- Install the input shaft assembly to the transaxle case.
- Install the new gaskets (1, 2) to the transaxle case.
- Install the differential gear assembly to the transaxle case.
- Install the oil pump with the bolts and tighten to
22 N·m (16 lb ft).
- Inspect the input shaft assembly.
- Make sure that the input shaft turns smoothly.
- Inspect the input shaft end play.
- Measure the end play in the axial direction.
Specification
End play - 0.38 to 1.29 mm (0.0149 to 0.0507 in)
- If the end play is not as specified, replace the forward clutch hub thrust needle roller bearing and the stator shaft thrust needle bearing.
- Apply Three Bond 1281 sealant, or equivalent, to the transaxle case.
- Install the transaxle housing with the bolts.
| • | Tighten Bolts 1 to
29 N·m (21 lb ft). |
| • | Tighten Bolts 2 to
22 N·m (16 lb ft). |
- Coat the new O-rings (1, 2) with ATF WS and install them to the C-2 accumulator piston.
- Install the spring and C-2 accumulator piston.
Specification
| • | Free length/Outer diameter - 17.20-66.90 mm (0.677-2.633 in) |
- Coat the new O-rings (1, 2) with ATF WS and install them to the C-3 accumulator piston.
- Install the spring and C-3 accumulator piston.
Specification
| • | Free length/Outer diameter - 18.70-87.30 mm (0.736-3.437 in) |
- Coat the new O-rings (1, 2) with ATF WS and install them to the B-2 accumulator piston.
- Install the spring and B-2 accumulator piston.
Specification
| • | Free length/Outer diameter - 15.50-66.90 mm (0.610-2.633 in) |
- Install the spring and the check ball body (1).
- Install a new brake drum gasket.
- Coat a new transaxle case gasket (1) with ATF WS, and install it to the transaxle case.
- Coat a new transaxle case 2nd brake gasket (1) with ATF WS, and install it to the transaxle case.
- Coat a new O-ring (1) with ATF WS, and install it into the transmission wire.
- Insert the transmission wire to the transaxle.
- Install the transmission wire (1) with the bolt and tighten to
5 N·m (44 lb in).
- Align the groove of the manual valve with the pin of the manual valve lever.
- Temporarily install the valve body with the bolts (1, 2, 3, 4). Refer to
Transmission General Specifications for Bolt Length - 1.
- Temporarily install the detent spring (1) and detent spring cover with the bolts (2, 4). Refer to
Transmission General Specifications for Bolt Length - 2.
- Check that the manual valve lever is in contact with the center of the roller at the tip of the detent spring.
- Tighten the bolts to
11 N·m (97 lb in).
- Connect the solenoid connectors.
- Install the ATF temperature sensor (6) with the lock plate and bolt. Tighten the bolt to
11 N·m (97 lb in).
- Coat a new gasket (1) with ATF WS, and install it to the oil strainer.
- Install the valve body oil strainer assembly to the automatic transaxle with the bolts (1). Tighten the bolts to
11 N·m (97 lb in).
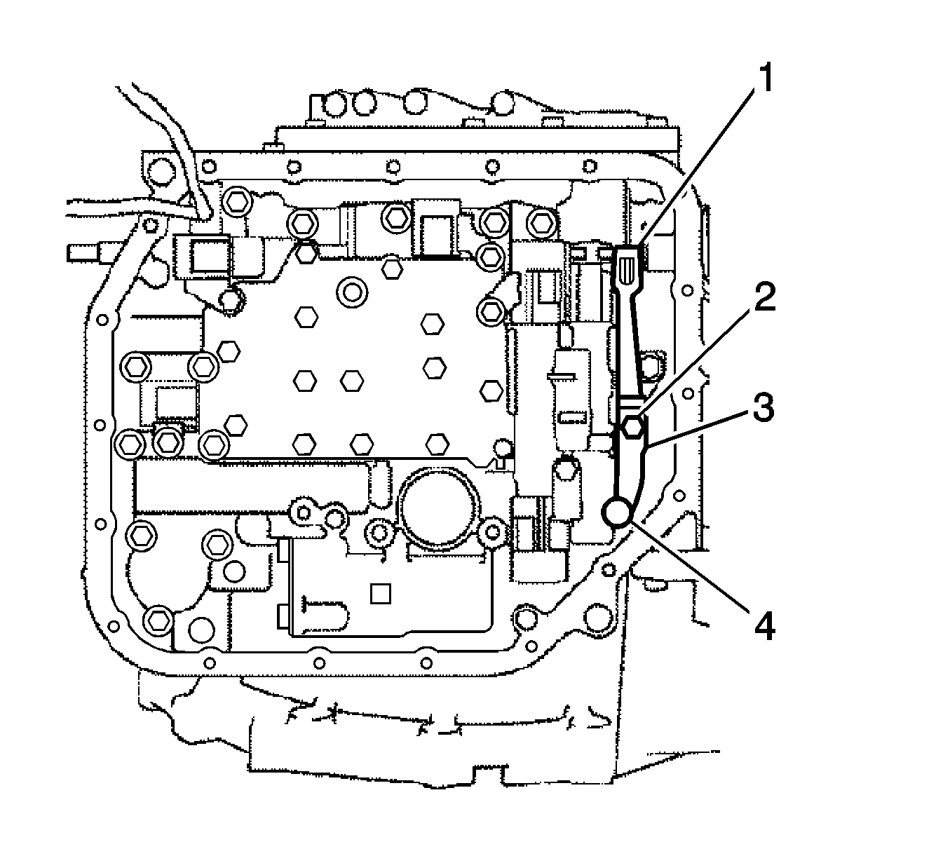
- Install the magnets (1) to the oil pan.
- Install a new oil pan gasket to the oil pan.
- Install the oil pan with the bolts and tighten to
8 N·m (71 lb in).
- Install the breather plug to the transaxle case.
- Install the breather plug hose to the breather plug.
- Coat the new O-rings with ATF WS, and install them to the No. 1 transaxle case plugs.
- Install the No. 1 transaxle case plugs (1) to the transaxle housing and transaxle case and tighten to
7 N·m (62 lb in).
- Install the No. 1 transaxle case plug (1) to the transaxle case and tighten to
7 N·m (62 lb in).
- Coat the new O-rings with ATF WS, and install them into the oil cooler tube unions.
- Install the oil cooler tube unions to the transaxle case. Tighten the plugs to
27 N·m (20 lb ft).
- Coat a new O-ring with ATF WS, and install it on the speed sensor.
- Install the speed sensor to the transaxle case with the bolt. Tighten the bolt to
5 N·m (44 lb in).
- Install the park/neutral position switch assembly to the automatic transaxle.
- Temporarily install the bolts (1, 2).
- Replace the lock plate with a new one and tighten the manual valve shaft nut to
7 N·m (62 lb in).
- Temporarily install the control shaft lever.
- Turn the lever counterclockwise until it stops, then turn it clockwise two notches.
- Remove the control shaft lever.
- Align the groove with the neutral base line (1).
- Hold the switch in this position and tighten the bolts to
5 N·m (44 lb in).
- Using a screwdriver, stake the nut with the lock plate.
- Install the control shaft lever (1) with the nut and washer. Tighten the nut to
13 N·m (115 lb in).
- Coat a new O-ring with ATF WS and install it to the speedometer driven hole cover sub-assembly.
- Install the speedometer driven hole cover subassembly (1) to the transaxle housing. Tighten the bolt to
7 N·m (62 lb in).