GM Service Manual Online
For 1990-2009 cars only

Special Tools

    • DT-49187 5th Driven Gear Replacer
    • J 35405 Differential Preload Wrench

    Object Number: 2011801  Size: SH
  1. Coat the rotating surface of the front differential side gear with gear oil.
  2. Install the front differential side gear thrust washers to the front differential side gears.
  3. Install the front differential side gears, front differential pinions, and front differential side gear thrust washers to the front differential case.
  4. Install the front differential pinions with the front differential washers while turning the front differential pinion.

  5. Object Number: 2011800  Size: SH
  6. Coat the rotating surface of the No. 1 front differential pinion shaft with gear oil.
  7. Install the No. 1 front differential pinion shaft to the front differential case so that the hole for the front differential pinion shaft straight pin is aligned with the hole in the front differential case.

  8. Object Number: 2011812  Size: SH
  9. Using a pin punch and a hammer, install the front differential pinion shaft straight pin to the front differential case.

  10. Object Number: 2011814  Size: SH
  11. Using a chisel and hammer, stake the front differential case hole.

  12. Object Number: 2011803  Size: SH
  13. Hold the front differential pinion to the front differential case side. Using a dial indicator, measure the front differential side gear backlash.
  14. Specifications
    Standard backlash - 0.05-0.20 mm (0.002-0.0079 in)

  15. If backlash is out of specification, select another front differential side gear thrust washer and adjust backlash. Refer to Manual Transmission Specifications for Front Differential Side Gear Thrust Washer .

  16. Object Number: 2011266  Size: SH
  17. Clean the surface that contacts the differential case.
  18. Using a heater, heat the front differential ring gear to 90-110°C (194-230°F).
  19. Caution: Refer to Fastener Caution in the Preface section.


    Object Number: 2011834  Size: SH
  20. After moisture on the ring gear has completely evaporated, align the matchmarks, quickly install the front differential ring gear to the front differential case with the bolts and tighten to 106 N·m (78 lb ft).

  21. Object Number: 2011836  Size: SH
  22. Install the speedometer drive gear to the front differential case.

  23. Object Number: 2011764  Size: SH

    Note: Assemble the reverse gear and the No. 1 transmission clutch hub in the correct direction.

  24. Coat the reverse gear with gear oil.
  25. Install the No. 1 synchromesh shifting key springs and No. 1 transmission clutch hub to the reverse gear.
  26. Using a screwdriver, install the No. 1 synchromesh shifting keys to the reverse gear.

  27. Object Number: 2011766  Size: SH
  28. Using a press (1), install the output shaft front bearing (inner race) to the output shaft.

  29. Object Number: 2011767  Size: SH

    Note: Align the No. 1 synchronizer ring set with the hole of the 1st gear.

  30. Coat the No. 1 synchronizer ring set with gear oil and install it to the 1st gear.

  31. Object Number: 2011768  Size: SH
  32. Coat the 1st gear needle roller bearing with gear oil and install it to the output shaft.

  33. Object Number: 2011770  Size: SH
  34. Coat the 1st gear with gear oil and install it to the output shaft.

  35. Object Number: 2011773  Size: SH

    Note: 

       • Align the No. 1 synchronizer ring with the No. 1 synchromesh shifting key.
       • Make sure that the 1st gear rotates.

  36. Using a press (1), install the No. 1 transmission clutch hub to the output shaft.

  37. Object Number: 2011774  Size: SH
  38. Coat the gear bushing ball (1) with MP grease, and install it to the output shaft.

  39. Object Number: 2011776  Size: SH
  40. Coat the 2nd gear bushing with gear oil and install it to the output shaft.


    Object Number: 2011779  Size: SH
  41. Coat the 2nd gear bearing spacer with gear oil and install it to the output shaft.

  42. Object Number: 2011535  Size: SH
  43. Coat the 2nd gear needle roller bearing with gear oil and install it to the output shaft.

  44. Object Number: 2011533  Size: SH

    Note: Align the key groove on the No. 2 synchronizer ring set with the No. 1 synchromesh shifting key.

  45. Coat the No. 2 synchronizer ring set with gear oil and install it to the No. 1 transmission clutch hub.

  46. Object Number: 2011782  Size: SH
  47. Coat the 2nd gear with gear oil and install it to the output shaft.

  48. Object Number: 2011783  Size: SH
  49. Using a press (1), install the 3rd driven gear to the output shaft.

  50. Object Number: 2011520  Size: SH
  51. Install the output gear spacer to the output shaft.

  52. Object Number: 2011785  Size: SH
  53. Using a press (1), install the 4th driven gear to the output shaft.

  54. Object Number: 2011787  Size: SH
  55. Using a press (1), install the output shaft front bearing (inner race) to the output shaft.

  56. Object Number: 2011475  Size: SH
  57. Using a press (1), install the input shaft front bearing (inner race).

  58. Object Number: 2011478  Size: SH
  59. Coat the No. 2 transmission hub sleeve with gear oil.
  60. Note: Install the No. 2 transmission clutch hub sleeve and the No. 2 transmission clutch hub in the correct direction.

  61. Using a screwdriver, install the synchromesh shifting key (1) to the input shaft.

  62. Object Number: 2011480  Size: SH
  63. Coat the 3rd gear bearing with gear oil and install it to the input shaft.

  64. Object Number: 2011483  Size: SH
  65. Coat the 3rd gear with gear oil and install it to the input shaft.

  66. Object Number: 2011485  Size: SH
  67. Coat the No. 3 synchronizer ring with gear oil and install it to the 3rd gear.

  68. Object Number: 2011487  Size: SH

    Note: 

       • Align the claw of the clutch hub No. 2 with the notch of the No. 3 synchronizer ring.
       • Make sure that the 3rd gear can rotate.

  69. Using a press (1), install the No. 2 transmission clutch hub to the input shaft.

  70. Object Number: 2011489  Size: SH
  71. Select a snap ring so that clearance between the No. 2 transmission clutch hub and the No. 2 clutch hub shaft snap ring will be within the specified range. Using a brass bar and a hammer, install the snap ring.
  72. Specifications
    Standard clearance - 0.1 mm (0.0039 in) or less

  73. Refer to Manual Transmission Specifications for Snap Ring Thickness 1.

  74. Object Number: 2011224  Size: SH
  75. Coat the 4th gear bearing spacer with gear oil and install it to the input shaft.

  76. Object Number: 2011221  Size: SH

    Note: Align the claw of the No. 2 clutch hub with the notch of the No. 4 synchronizer ring.

  77. Coat the No. 4 synchronizer ring with gear oil and install it to the No. 2 transmission clutch hub.

  78. Object Number: 2011216  Size: SH
  79. Coat the 4th gear needle roller bearing with gear oil and install it to the input shaft.

  80. Object Number: 2011499  Size: SH
  81. Coat the 4th gear with gear oil and install it to the input shaft.

  82. Object Number: 2011505  Size: SH

    Note: 

       • Install the bearing with its groove facing rearward.
       • Make sure that the 3rd gear rotates.

  83. Using a press (1), install the input shaft rear radial ball bearing to the input shaft.

  84. Object Number: 2011507  Size: SH
  85. Select a snap ring so that the clearance between the input shaft radial ball rear bearing and the input shaft rear bearing snap ring will be within the specified range. Using a brass bar and a hammer, install the snap ring.
  86. Specifications
    Standard clearance - 0.1 mm (0.004 in) or less

  87. Refer to Manual Transmission Specifications for Snap Ring Thickness 2.

  88. Object Number: 2010934  Size: SH
  89. Install the No. 5 synchronizer ring middle, No. 5 synchronizer ring outer, and synchronizer pull ring to the No. 5 synchronizer ring inner. Using a screwdriver, secure them with the snap ring.

  90. Object Number: 2010938  Size: SH

    Note: Align the projection of the shifting key spring with the hole of the No. 3 clutch hub.

  91. Install the No. 3 synchromesh shifting key spring to the No. 3 transmission clutch hub.
  92. Note: 

       • Engage the shifting key spring claw to the center of the teeth of the synchronizer ring.
       • Align the projection of the shifting key spring with the hole of the No. 3 clutch hub.

  93. Install the synchronizer ring set and No. 3 synchromesh shifting key spring to the No. 3 transmission clutch hub.
  94. Coat the new transaxle case oil seal lip with MP grease.

  95. Object Number: 2010940  Size: SH
  96. Using a suitable driver (1) and a hammer, install a transaxle case oil seal.
  97. Specification
    Oil seal installation depth: -0.5 to 0.5 mm (-0.020 to 0.020 in)


    Object Number: 2010943  Size: SH
  98. Using a suitable drive (1) and hammer, install the front differential case front tapered roller bearing (outer race) to the manual transaxle case.

  99. Object Number: 2010945  Size: SH
  100. Using a press (1), install the front differential case front tapered roller bearing (inner race) to the front differential case.

  101. Object Number: 2010947  Size: SH
  102. Using a suitable drive (1) and hammer, install the front differential case rear shim.
  103. Install the front differential case rear tapered roller bearing (2) (outer race).

  104. Object Number: 2010949  Size: SH
  105. Using a press (1), install the front differential case rear tapered roller bearing (inner race).


    Object Number: 2010951  Size: SH
  106. Coat the transmission case oil seal lip with MP grease.
  107. Specification
    Oil seal installation depth - 3.0-4.0  mm (0.1181-0.1575 in)

  108. Using a suitable driver (1) and a hammer, install a transmission case oil seal to the manual transmission case.

  109. Object Number: 2010954  Size: SH
  110. Using a suitable driver (1) and a hammer, install the output shaft rear bearing (outer race) to the manual transmission case.
  111. Specifications
    Clearance - 3.8-4.4 mm (0.150-0.173 in)


    Object Number: 2010958  Size: SH

    Note: Align the projection of the output shaft cover with the transmission groove.

  112. Coat the output shaft cover with MP grease, and install it to the manual transaxle case.

  113. Object Number: 2010961  Size: SH
  114. Using a suitable driver (1) and a hammer, install the new output shaft front bearing (outer race).

  115. Object Number: 2010963  Size: SH
  116. Install the output shaft to the manual transaxle case.

  117. Object Number: 2010756  Size: SH
  118. Install the transmission case to the manual transaxle case with the bolts (1-14) and tighten to 29 N·m (21 lb ft).

  119. Object Number: 2010967  Size: SH
  120. Install the bolts (1) to the manual transaxle case and tighten to 29 N·m (21 lb ft).

  121. Object Number: 2010969  Size: SH
  122. Install the output shaft rear bearing case shim to the output shaft.

  123. Object Number: 2010972  Size: SH
  124. Install the rear bearing retainer to the manual transmission case with the bolts and tighten to 43 N·m (32 lb ft).

  125. Object Number: 2010974  Size: SH
  126. Turn the output shaft in both directions to make sure that it starts to turn smoothly.
  127. Using a socket wrench and torque wrench, inspect the preload. Refer to Manual Transmission Specifications for Output Shaft Preload.
  128. If preload is not as specified, select a proper output shaft rear bearing shim and adjust it.
  129. The preload of all the output shaft rear bearing shim varies in torque from about 0.04-0.06 N·m (0.35-0.53 lb in). Refer to Manual Transmission Specifications for Output Shaft Rear Bearings Thickness.

  130. Remove the output shaft rear set nut from the output shaft.

  131. Object Number: 2010978  Size: SH
  132. Remove the bolts and rear bearing retainer from the manual transmission case.

  133. Object Number: 2010969  Size: SH
  134. Remove the output shaft rear bearing shim from the output shaft.

  135. Object Number: 2010967  Size: SH
  136. Remove the bolts (1).

  137. Object Number: 2010756  Size: SH
  138. Remove the bolts (1-14) and manual transmission case from the manual transaxle case.

  139. Object Number: 2010963  Size: SH
  140. Remove the output shaft assembly from the front manual transaxle case.

  141. Object Number: 2010830  Size: SH
  142. Install the differential case assembly to the manual transaxle case.

  143. Object Number: 2010756  Size: SH
  144. Install the bolts (1-14) and manual transmission case to the manual transaxle case, tighten the bolts to 29 N·m (21 lb ft).

  145. Object Number: 2010967  Size: SH
  146. Install the bolts (1) to the manual transaxle case and tighten to 29 N·m (21 lb ft).
  147. Turn the differential case in both directions to make sure that it starts to turn smoothly.

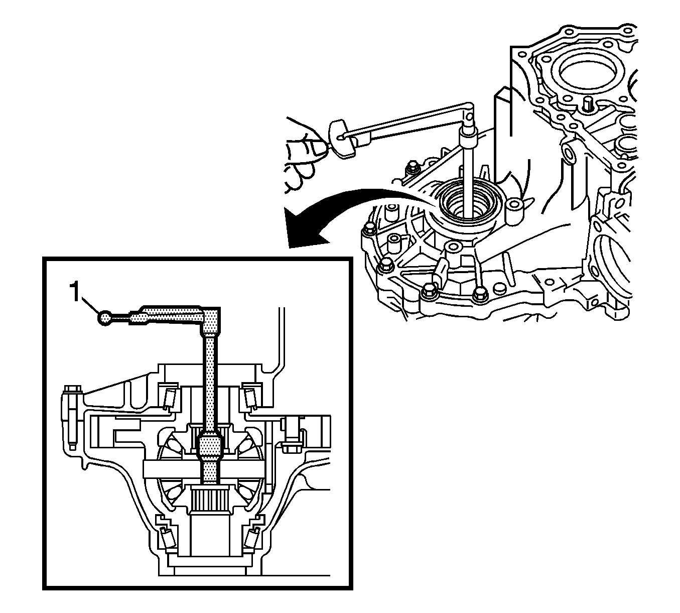
  148. Object Number: 2010994  Size: SH
  149. Using J 35405 and a torque wrench, inspect preload. Refer to Manual Transmission Specifications for Preload Specifications.
  150. If preload is not as specified, select a proper front differential case rear shim and adjust it.

    The preload of all the front differential case rear shims varies in torque from about 0.04-0.06 N·m (0.35-0.53 lb in). Refer to Manual Transmission Specifications for Front Differential Case Shim Thickness.


    Object Number: 2010967  Size: SH
  151. Remove the bolts (1).

  152. Object Number: 2010756  Size: SH
  153. Remove the bolts (1-14) and manual transmission case from the manual transaxle case.

  154. Object Number: 2010830  Size: SH
  155. Remove the differential case assembly from the manual transaxle case.
  156. Coat the lip of the new front transaxle case cover oil seal with MP grease.

  157. Object Number: 2011000  Size: SH
  158. Using a suitable driver (1) and a hammer, install a new front transaxle case cover oil seal to the manual transaxle case.
  159. Specifications
    Clearance - 1.0-2.0 mm (0.0394-0.0787 in)

  160. Coat the new input shaft front bearing with gear oil.

  161. Object Number: 2011002  Size: SH
  162. Using a suitable driver (1) and a hammer, install the oil seal to the manual transaxle case.
  163. Specifications
    Clearance - 4.28-4.60 mm (0.1685-0.1811 in)


    Object Number: 2011010  Size: SH
  164. Install the manual transaxle case receiver to the manual transaxle case with the bolts (1) and tighten to 7 N·m (62 lb in).

  165. Object Number: 2010830  Size: SH
  166. Coat the differential case tapered roller bearing with gear oil, and install the differential case assembly to the manual transaxle case.

  167. Object Number: 2011015  Size: SH
  168. Apply gear oil to each sliding part of the output shaft assembly.
  169. Lift the differential case assembly with the output shaft assembly leaned, and install it to the manual transaxle case.

  170. Object Number: 2011019  Size: SH
  171. Apply gear oil to each sliding part of the input shaft assembly.
  172. Install the input shaft assembly to the manual transaxle case while tilting the output shaft assembly.

  173. Object Number: 2010816  Size: SH
  174. Coat the No. 2 gear shift fork (1) with gear oil, and install it to the input shaft assembly.

  175. Object Number: 2011032  Size: SH
  176. Install the No. 3 gear shift fork to the No. 3 gear shift fork shaft.
  177. Using a brass bar and hammer, install the 2 shift fork shaft snap rings to the gear shift fork shaft.

  178. Object Number: 2010807  Size: SH
  179. Apply gear oil to each sliding part of the No. 3 gear shift fork shaft (1), and install it to the manual transaxle case.

  180. Object Number: 2010804  Size: SH
  181. Apply gear oil to each sliding part of the No. 1 gear shift fork (1), and install it to the output shaft assembly.

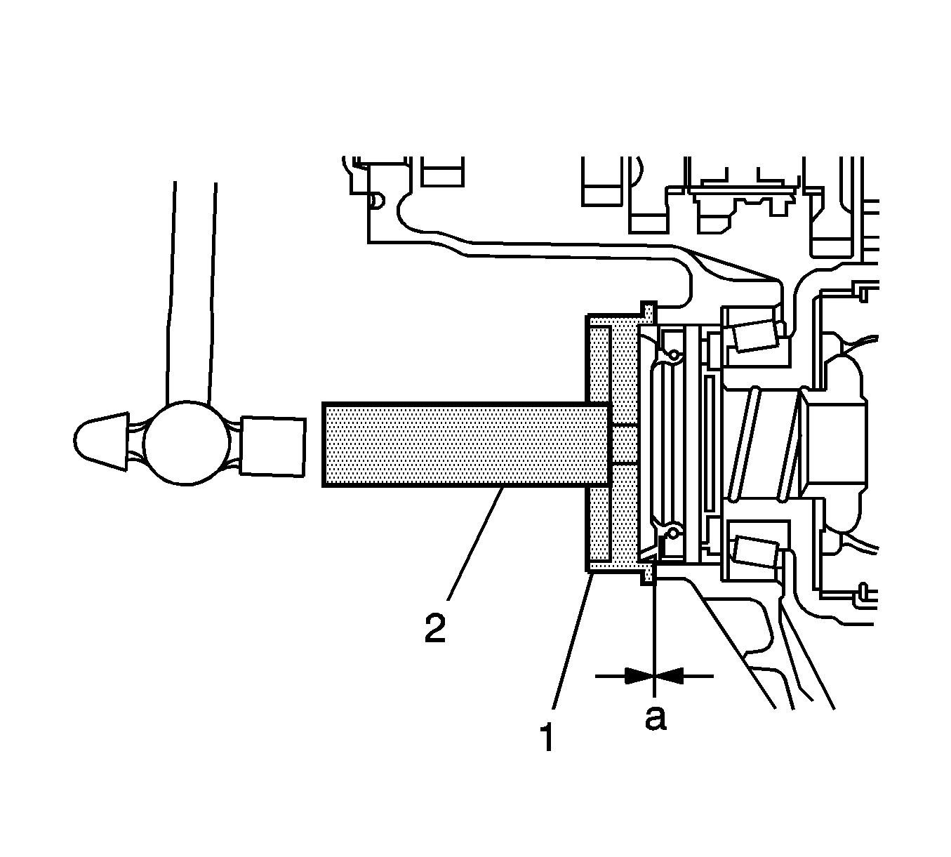
  182. Object Number: 2010799  Size: SH
  183. Install the No. 1 gear shift head to the No. 2 gear shift fork shaft.
  184. Apply gear oil to each sliding part of the No. 2 gear shift fork shaft (2), and install it to the manual transaxle case.

  185. Object Number: 2011034  Size: SH
  186. Install the shift fork set bolt (1) and shift head set bolt to the No. 1 gear shift head and tighten to 24 N·m (18 lb ft).

  187. Object Number: 2011036  Size: SH
  188. Using a magnetic pick-up tool, install the reverse shift fork roller to the reverse shift fork.

  189. Object Number: 2011041  Size: SH
  190. Using a brass bar and hammer, install the shift fork shaft snap ring to the No. 1 shift fork shaft.

  191. Object Number: 2010782  Size: SH
  192. Install the No. 1 gear shift fork shaft (1) to the manual transaxle case.

  193. Object Number: 2011050  Size: SH
  194. Install the shift fork set bolt (1) to the No. 1 gear shift fork and tighten to 24 N·m (18 lb ft).

  195. Object Number: 2011053  Size: SH
  196. Install the reverse shift arm bracket assembly to the manual transaxle case with the bolts (1) and tighten to 17 N·m (13 lb ft).

  197. Object Number: 2011036  Size: SH
  198. Using a magnetic pick-up tool, install the reverse shift fork roller to the reverse shift fork.

  199. Object Number: 2011041  Size: SH
  200. Using a brass bar and hammer, install the shift fork shaft snap ring to the No. 1 shift fork shaft.

  201. Object Number: 2010782  Size: SH
  202. Install the No. 1 gear shift fork shaft (1) to the manual transaxle case.

  203. Object Number: 2011050  Size: SH
  204. Install the shift fork set bolt (1) to the No. 1 gear shift fork and tighten to 24 N·m (18 lb ft).

  205. Object Number: 2011053  Size: SH
  206. Install the reverse shift arm bracket assembly to the manual transaxle case with the bolts (1) and tighten to 17 N·m (13 lb ft).

  207. Object Number: 2011054  Size: SH
  208. Coat the reverse idler gear and reverse idler thrust washer with MP grease, and install them to the reverse idler gear shaft.

  209. Object Number: 2011057  Size: SH

    Note: Align the mark of the reverse idler gear shaft with the hole of the bolt (1).

  210. Install the reverse idler gear to the manual transaxle case.

  211. Object Number: 2011059  Size: SH
  212. Clean the transmission magnet and install it to the manual transaxle case.

  213. Object Number: 2011060  Size: SH
  214. Install the No. 1 oil receiver pipe to the manual transmission case with the bolt (1) and tighten to 17 N·m (13 lb ft).

  215. Object Number: 2011062  Size: SH
  216. Install the No. 2 oil receiver pipe to the manual transmission case with the bolt (1).

  217. Object Number: 2011066  Size: SH
  218. Install the transmission oil baffle and reverse restrict pin with the bolt (1) and tighten to 17 N·m (13 lb ft).

  219. Object Number: 2011069  Size: SH
  220. Using a pin punch, install the slotted pin to the reverse restrict pin assembly.
  221. Specifications
    Clearance (a) - 12.5-13.5 mm (0.492-0.531 in)


    Object Number: 2011073  Size: SH
  222. Coat the reverse restrict pin plug with adhesive. Using a hexagon wrench (6 mm), install the plug (1) in the manual transmission case and tighten to 13 N·m (10 lb ft).

  223. Object Number: 2011076  Size: SH
  224. Apply a bead of sealant Three Bond 1281, or equivalent, to the manual transmission case as shown.

  225. Object Number: 2010756  Size: SH
  226. Install the manual transmission case to the manual transaxle case with the bolts (1-14) and tighten to 29 N·m (21 lb ft).

  227. Object Number: 2010967  Size: SH
  228. Coat the bolts with Three Bond 1281 sealant or equivalent.
  229. Install the bolts (1) to the manual transaxle case.

  230. Object Number: 2011090  Size: SH
  231. Coat the bolt with adhesive. Install a new gasket to the manual transmission case with the bolt (1) and tighten to 30 N·m (22 lb ft).

  232. Object Number: 2011093  Size: SH
  233. Using a brass bar and hammer, install the shift fork shaft snap ring to the No. 1 gear shift fork shaft.

  234. Object Number: 2011097  Size: SH
  235. Using a brass bar and hammer, install the shift fork shaft snap ring to the No. 2 gear shift fork shaft.

  236. Object Number: 2011099  Size: SH
  237. Using a snap ring expander, install the input shaft rear bearing shaft snap ring.

  238. Object Number: 2011101  Size: SH
  239. Install the output shaft rear bearing shim to the output shaft.

  240. Object Number: 2011102  Size: SH
  241. Coat the bolts with Three Bond 1281 sealant or equivalent.
  242. Install the rear bearing retainer to the manual transmission case with the bolts and tighten to 43 N·m (32 lb ft).

  243. Object Number: 2011105  Size: SH
  244. Using DT-49187 replacer  (1), install the 5th driven gear to the output shaft.

  245. Object Number: 2011112  Size: SH
  246. Coat the 5th gear needle roller bearing with gear oil and install it to the input shaft.

  247. Object Number: 2011115  Size: SH
  248. Coat the 5th gear with gear oil and install it to the input shaft.
  249. Note: Align the projection of the synchronizer ring with the hole of the 5th gear.

  250. Install the No. 3 transmission clutch hub to the input shaft.

  251. Object Number: 2011120  Size: SH
  252. Install the No. 3 transmission hub sleeve and No. 3 gear shift fork to the No. 3 transmission clutch hub.

  253. Object Number: 2011122  Size: SH
  254. Coat the shift fork set bolt (1) with Three Bond 1281 sealant, or equivalent, and install it to the No. 3 gear shift fork and tighten to 24 N·m (18 lb ft).

  255. Object Number: 2011125  Size: SH
  256. Select a snap ring that will allow minimum axial play. Using a brass bar and a hammer, install the shaft snap ring. Refer to Manual Transmission Specifications for Snap Ring Thickness 3.
  257. Specifications
    Clearance - 0.1 mm (0.004 in) or less


    Object Number: 2011129  Size: SH
  258. Engage the 1st and 2nd gears (1) simultaneously.

  259. Object Number: 2011132  Size: SH
  260. Install a new manual transmission output shaft rear set nut and tighten to 123 N·m (90 lb ft).

  261. Object Number: 2011133  Size: SH
  262. Using a chisel and a hammer, stake the manual transmission output shaft rear set nut.
  263. Disengage the gears.

  264. Object Number: 2011136  Size: SH
  265. Apply Three Bond 1281 sealant, or equivalent, to the manual transmission case cover sub-assembly as shown in the installation.

  266. Object Number: 2010699  Size: SH
  267. Install the manual transmission case cover subassembly to the manual transaxle case with the bolts (1-10).

  268. Object Number: 2011139  Size: SH
  269. Install the drain plug (1) to the manual transmission case with a new gasket and tighten to 49 N·m (36 lb ft).

  270. Object Number: 2011141  Size: SH
  271. Install the manual transmission filler plug (1) to the transaxle case with a new gasket and tighten to 49 N·m (36 lb ft).

  272. Object Number: 2011144  Size: SH
  273. Coat the shift and select lever shaft assembly with gear oil, and install it to the manual transmission case.

  274. Object Number: 2011147  Size: SH
  275. Install the back-up light switch assembly (1) to the manual transmission case with a new gasket and tighten to 40 N·m (30 lb ft).

  276. Object Number: 2011149  Size: SH
  277. Install the manual transmission breather plug (1) to the manual transmission case.

  278. Object Number: 2011150  Size: SH
  279. Install the shift gate pin (1) to the manual transmission case and tighten to 29 N·m (21 lb ft).

  280. Object Number: 2011153  Size: SH
  281. Install the No. 1 lock ball assembly (1) to the manual transmission case with the pin and tighten to 29 N·m (21 lb ft).

  282. Object Number: 2011166  Size: SH
  283. Install the No. 2 clutch tube bracket (1) with the bolt and tighten to 15 N·m (11 lb ft).

  284. Object Number: 2011169  Size: SH
  285. Coat the bolts (1) with Three Bond 1281 sealant, or equivalent. Install a new gasket and the control shaft cover with the bolts and tighten to 20 N·m (15 lb ft).

  286. Object Number: 2011180  Size: SH
  287. Install the control shift lever with the shift outer lever lock pin (1) to the shift and select lever shaft.
  288. Install the spring washer with the nut and tighten to 12 N·m (9 lb ft).

  289. Object Number: 2011184  Size: SH
  290. Coat the bolts (1, 2) with Three Bond 1281 sealant, or equivalent. Install the selecting bellcrank assembly to the manual transmission case with the bolts and tighten to 20 N·m (15 lb ft).
  291. Install a new O-ring and the speedometer driven hole cover sub-assembly to the transmission case with the bolt and tighten to 6 N·m (53 lb in).
  292. Install the clutch release fork boot to the manual transaxle case.

  293. Object Number: 2011189  Size: SH
  294. Using a deep socket wrench, install the release fork support (1) to the manual transaxle case and tighten to 47 N·m (36 lb ft).
  295. Coat the clutch release bearing assembly with release hub grease, and install it to the clutch release fork sub-assembly.
  296. Apply clutch spline grease to the input shaft spline.

  297. Object Number: 2011203  Size: SH
  298. Install the clutch release fork sub-assembly to the input shaft.