GM Service Manual Online
For 1990-2009 cars only

Tools Required

    • DT 46463 (DW240-150) Transaxle Case Side Bearing Outer Race Adapter
    • DT 46465 (DW240-170) Adapter Handle

    Object Number: 1248130  Size: SH
  1. Place the matchmarks (1) on the ring gear and differential case.

  2. Object Number: 1248132  Size: SH
  3. Remove the 8 bolts.

  4. Object Number: 1248131  Size: SH
  5. Using a plastic hammer, tap on the ring gear to remove it from the case.

  6. Object Number: 1248129  Size: SH
  7. Using a suitable puller, remove the tapered roller bearing of transaxle housing side.

  8. Object Number: 1248134  Size: SH
  9. Using a suitable puller, remove the tapered roller bearing of transaxle case side.

  10. Object Number: 1248136  Size: SH
  11. Using a pin punch and hammer, drive out the pin from the ring gear side.

  12. Object Number: 1248137  Size: SH
  13. Remove the differential pinion shaft from the case.

  14. Object Number: 1248135  Size: SH
  15. Remove the 2 differential pinion gears, 2 differential side gears, 2 differential pinion thrust washers, and 2 differential side gear thrust washers.
  16. Notice: Refer to Brake Piston Is Lowered Notice in the Preface section.


    Object Number: 1245931  Size: SH
  17. Using a driver, remove the oil seal from the transaxle housing.

  18. Object Number: 1245926  Size: SH
  19. Using a suitable puller, remove the side bearing outer race of transaxle housing.
  20. Notice: Refer to Brake Piston Is Lowered Notice in the Preface section.


    Object Number: 1245930  Size: SH
  21. Using a driver, remove the oil seal of transaxle case.

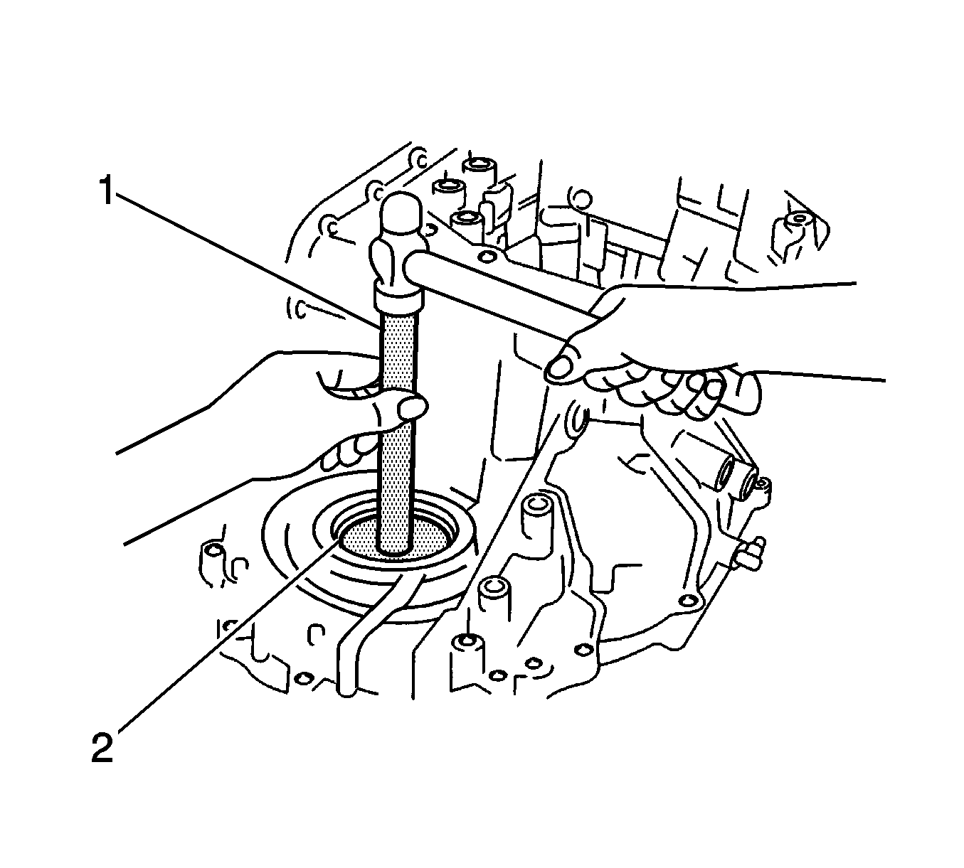
  22. Object Number: 1245925  Size: SH
  23. Using the DT 46463  (2) and the DT 46465  (1), remove the transaxle case side bearing outer race and shim.