GM Service Manual Online
For 1990-2009 cars only
Makes
🢒
Pontiac
🢒
2004
🢒
Wave
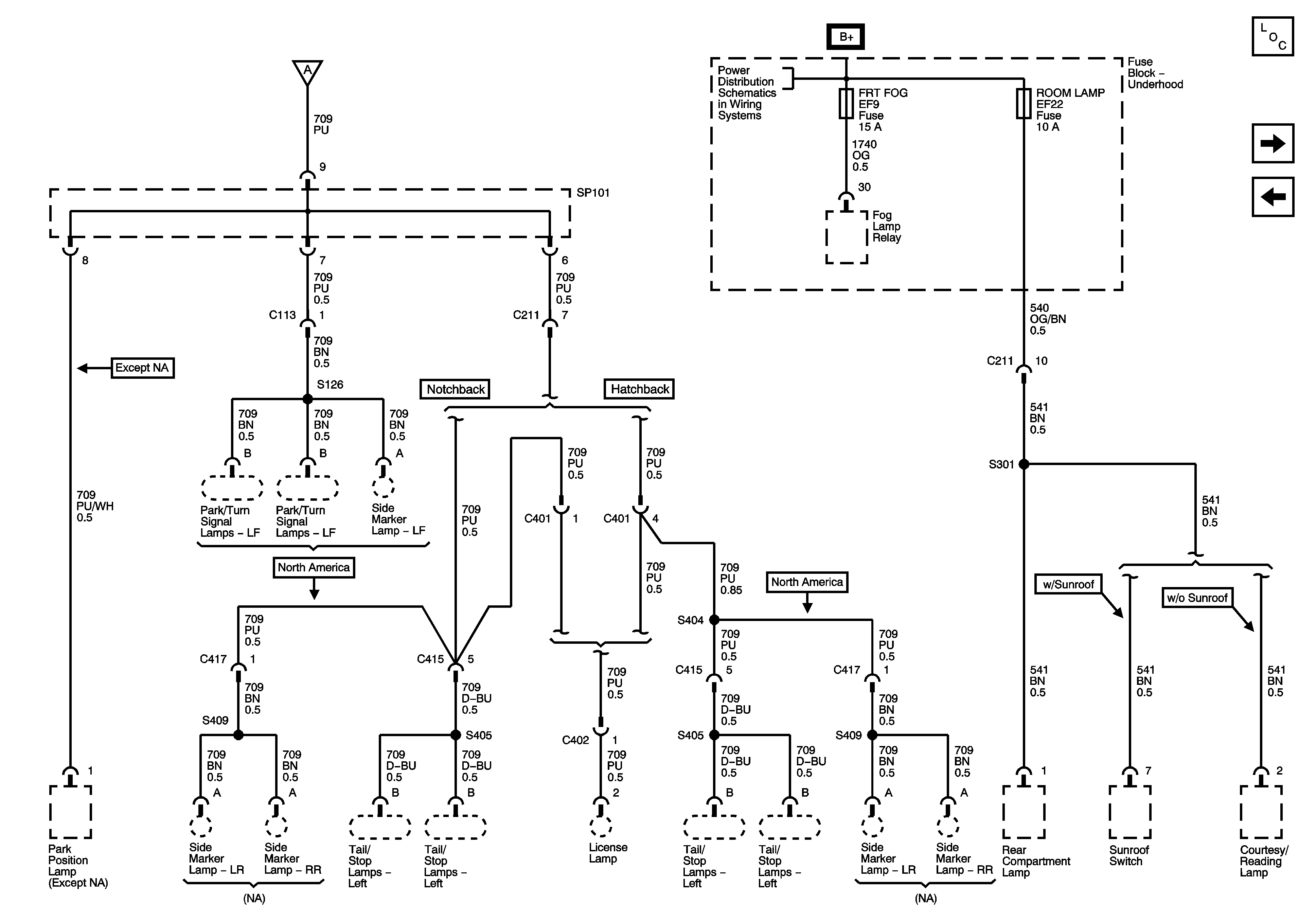
🢒 Underhood Fuse Block - FRONT FOG and ROOM LAMP Fuses
Underhood Fuse Block - FRONT FOG and ROOM LAMP Fuses
Underhood Fuse Block - FRONT FOG and ROOM LAMP Fuses
Master Electrical Component List
Underhood Fuse Block - A/C COMP, HEADLAMP, H/L LOW RH, H/L LOW LH, H/L HI LH, H/L HI RH Fuses
Underhood Fuse Block - ILLUM LAMP, ILLUM RH and LH Fuses
Underhood Fuse Block - ILLUM LAMP, ILLUM RH and LH Fuses
Underhood Fuse Block - Battery Feeds