GM Service Manual Online
For 1990-2009 cars only
Makes
🢒
Pontiac
🢒
2004
🢒
Wave
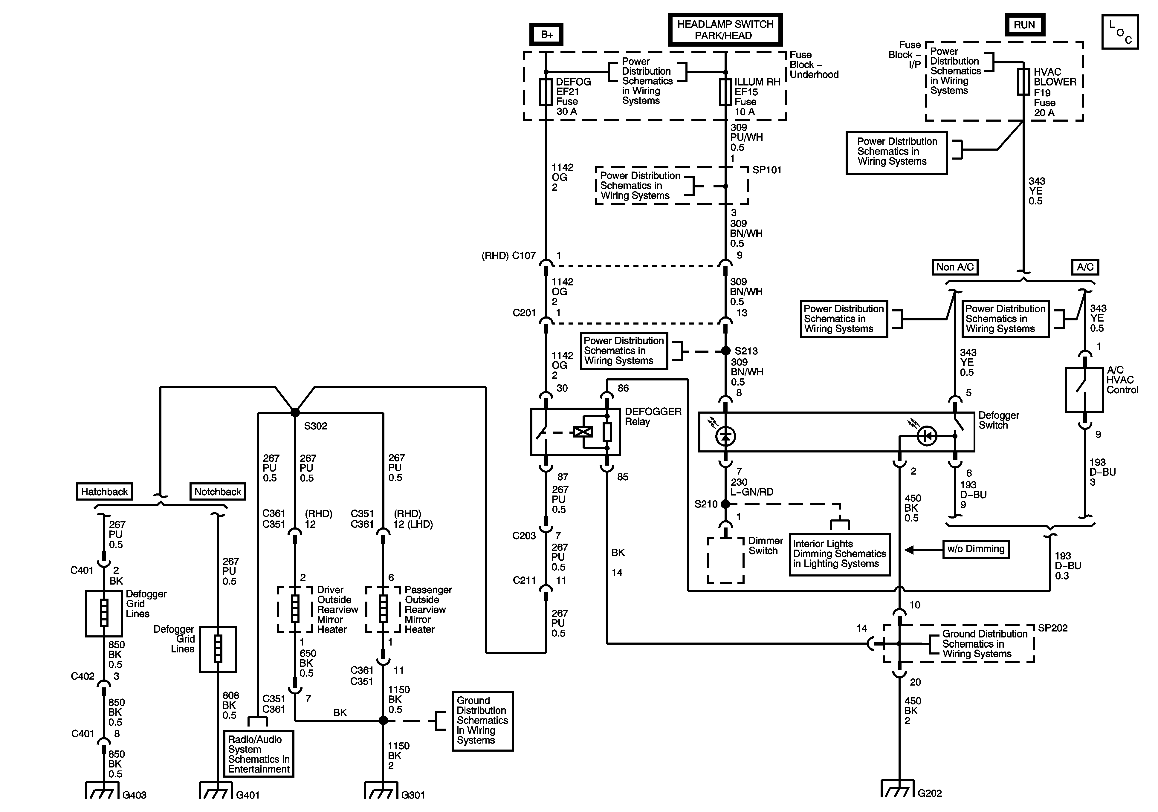
🢒 Rear Window Defogger and Heated Mirrors
Rear Window Defogger and Heated Mirrors
Rear Window Defogger and Heated Mirrors
Master Electrical Component List
Underhood Fuse Block - ABS, Blower, Horn, Sunroof, Defog Fuses
Underhood Fuse Block - IGN 2 Fuse, Ignition Switch, I/P Fuse Block, - DIS INJECTOR, ECM TCM, WIPER WASHER, and HVAC BLOWER Fuses
Underhood Fuse Block - ILLUM LAMP, ILLUM RH and LH Fuses
Underhood Fuse Block - IGN 2 Fuse, Ignition Switch, I/P Fuse Block, - DIS INJECTOR, ECM TCM, WIPER WASHER, and HVAC BLOWER Fuses
Underhood Fuse Block - ILLUM LAMP, ILLUM RH and LH Fuses
Underhood Fuse Block - IGN 2 Fuse, Ignition Switch, I/P Fuse Block, - DIS INJECTOR, ECM TCM, WIPER WASHER, and HVAC BLOWER Fuses
Underhood Fuse Block - IGN 2 Fuse, Ignition Switch, I/P Fuse Block, - DIS INJECTOR, ECM TCM, WIPER WASHER, and HVAC BLOWER Fuses
Interior Lights I/P W/O Dimmer
G202 2 of 2
G301 (LHD)
Radio and Speakers