GM Service Manual Online
For 1990-2009 cars only
Makes
🢒
Pontiac
🢒
2004
🢒
Wave
🢒 Power Door Locks
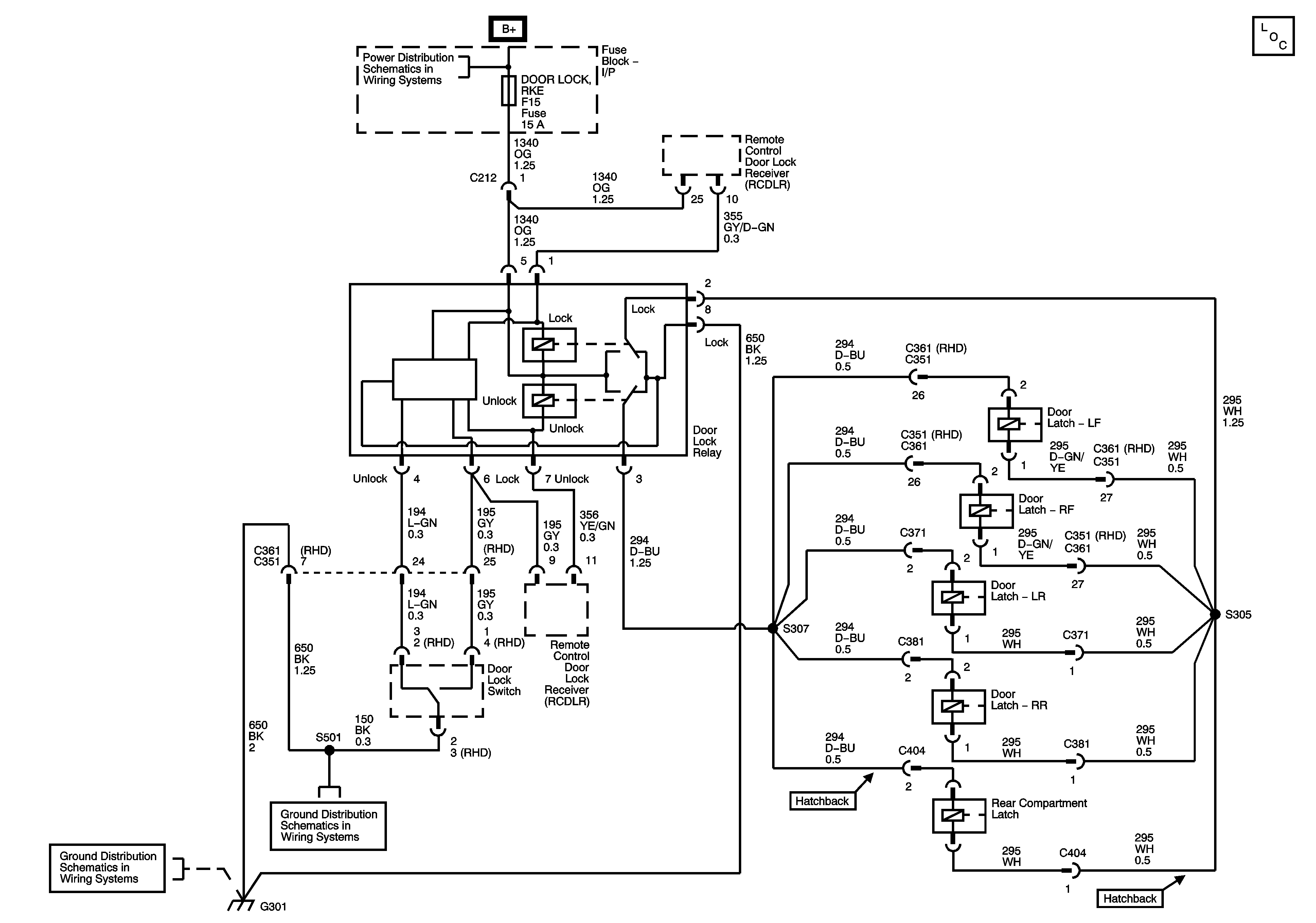
Power Door Locks
Power Door Locks
Master Electrical Component List
Underhood Fuse Block - I/P Fuse, I/P Fuse Block - Horn, Stoplamp, Meter Hazard, Door Lock RKE, ECM TCM, and Clock Audio Fuses
G301 (LHD)
G301 (LHD)