GM Service Manual Online
For 1990-2009 cars only
Makes
🢒
Pontiac
🢒
2004
🢒
Wave
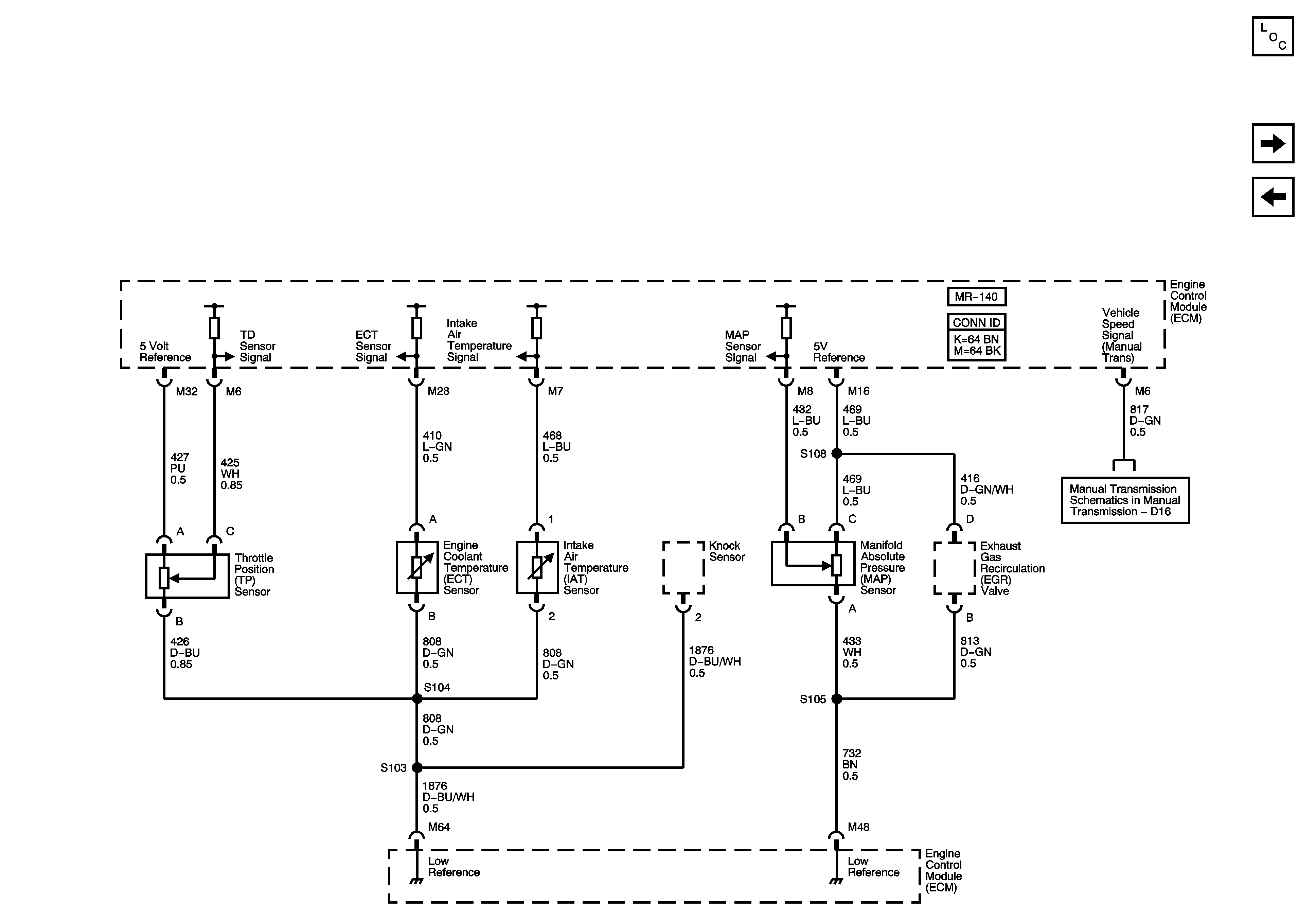
🢒 Engine Data Sensors - Pressure and Temperature
Engine Data Sensors - Pressure and Temperature
Engine Data Sensors - Pressure and Temperature
Master Electrical Component List
Engine Data Sensors - Oxygen Sensors
Module Power, Ground, Serial Data, Malfunction Indicator Lamp (MIL)
Vehicle Speed Sensor