GM Service Manual Online
For 1990-2009 cars only
Makes
🢒
Pontiac
🢒
2004
🢒
Wave
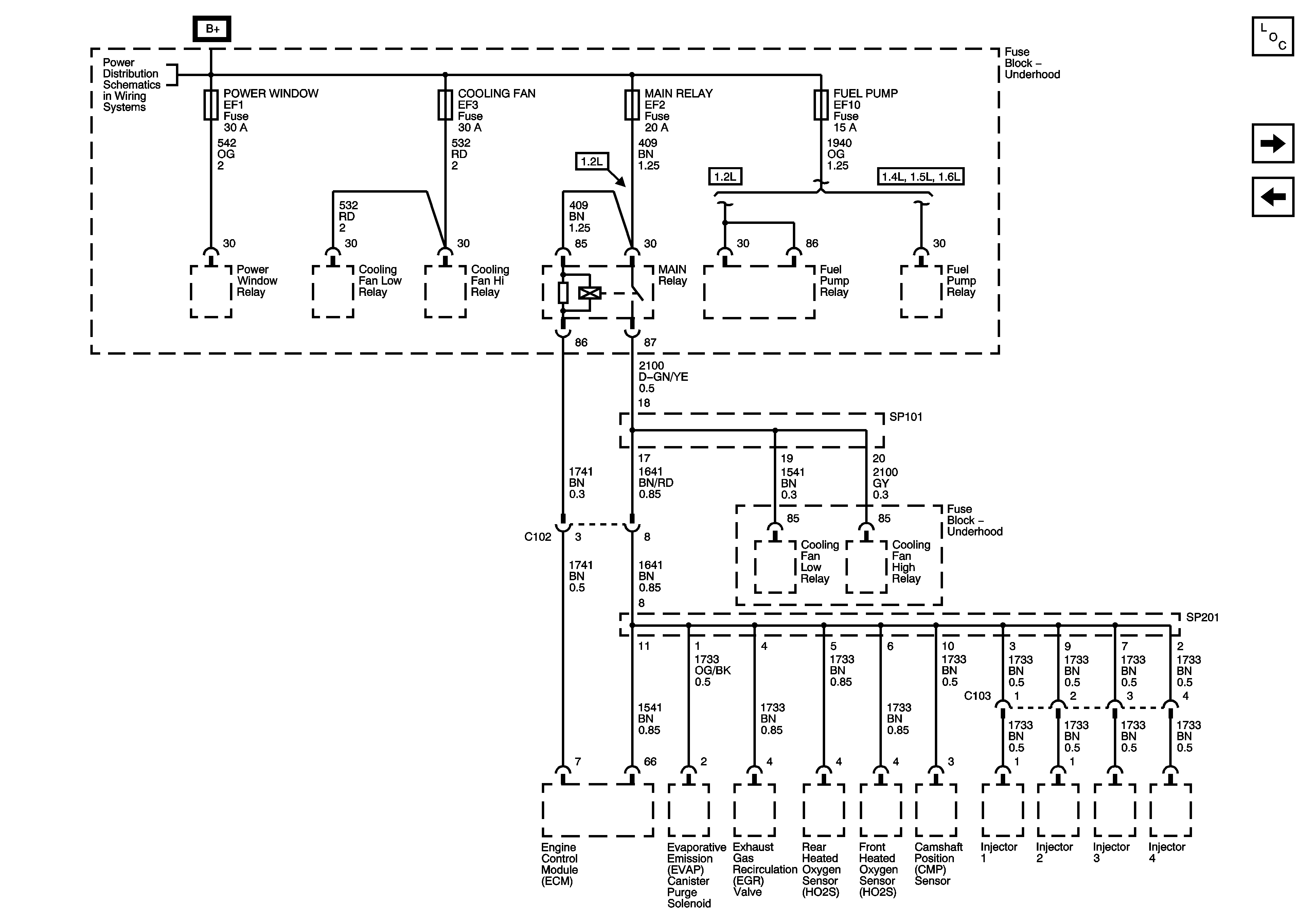
🢒 Underhood Fuse Block - Power Window, Cooling Fan Low Relay, Main Relay (1.2L), and Fuel Pump Fuses
Underhood Fuse Block - Power Window, Cooling Fan Low Relay, Main Relay (1.2L), and Fuel Pump Fuses
Underhood Fuse Block - POWER WINDOW, COOLING FAN LOW Relay, MAIN Relay (1.2L), and FUEL PUMP Fuses
Master Electrical Component List
Underhood Fuse Block - ILLUM LAMP, ILLUM RH and LH Fuses
Underhood Fuse Block - ABS, Blower, Horn, Sunroof, Defog Fuses
Underhood Fuse Block - Battery Feeds