GM Service Manual Online
For 1990-2009 cars only
Makes
🢒
Pontiac
🢒
2004
🢒
Wave
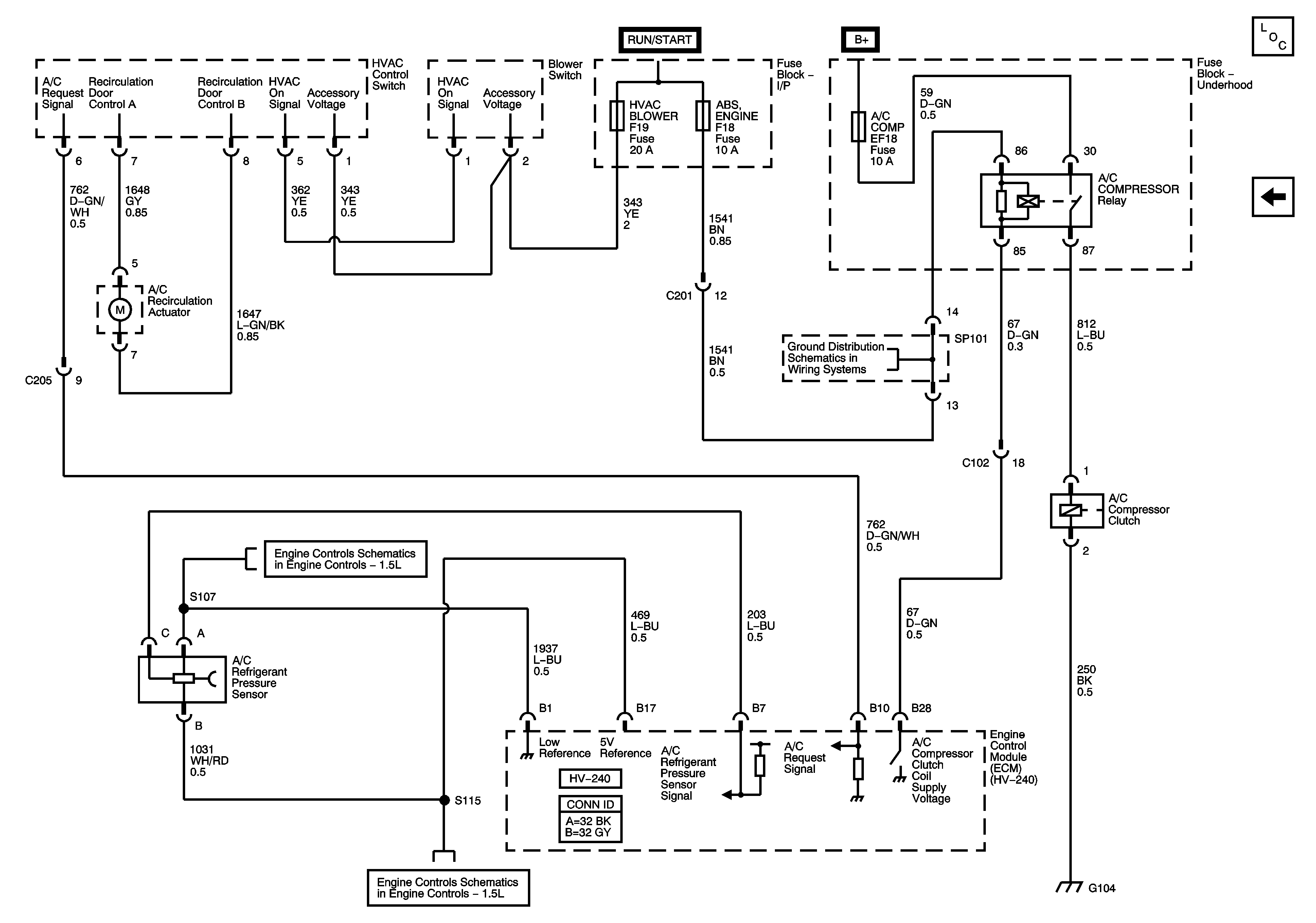
🢒 HVAC Manual - Compressor Controls (HV-240)
HVAC Manual - Compressor Controls (HV-240)
HVAC Manual - Compressor Controls (HV-240)
Master Electrical Component List
HVAC Manual - Compressor Controls (MR-140)
Underhood Fuse Block - A/C COMP, HEADLAMP, H/L LOW RH, H/L LOW LH, H/L HI LH, H/L HI RH Fuses
Engine Data Sensors - Pressure and Temperature
Engine Data Sensors - Pressure and Temperature