GM Service Manual Online
For 1990-2009 cars only
Makes
🢒
Pontiac
🢒
2004
🢒
Wave
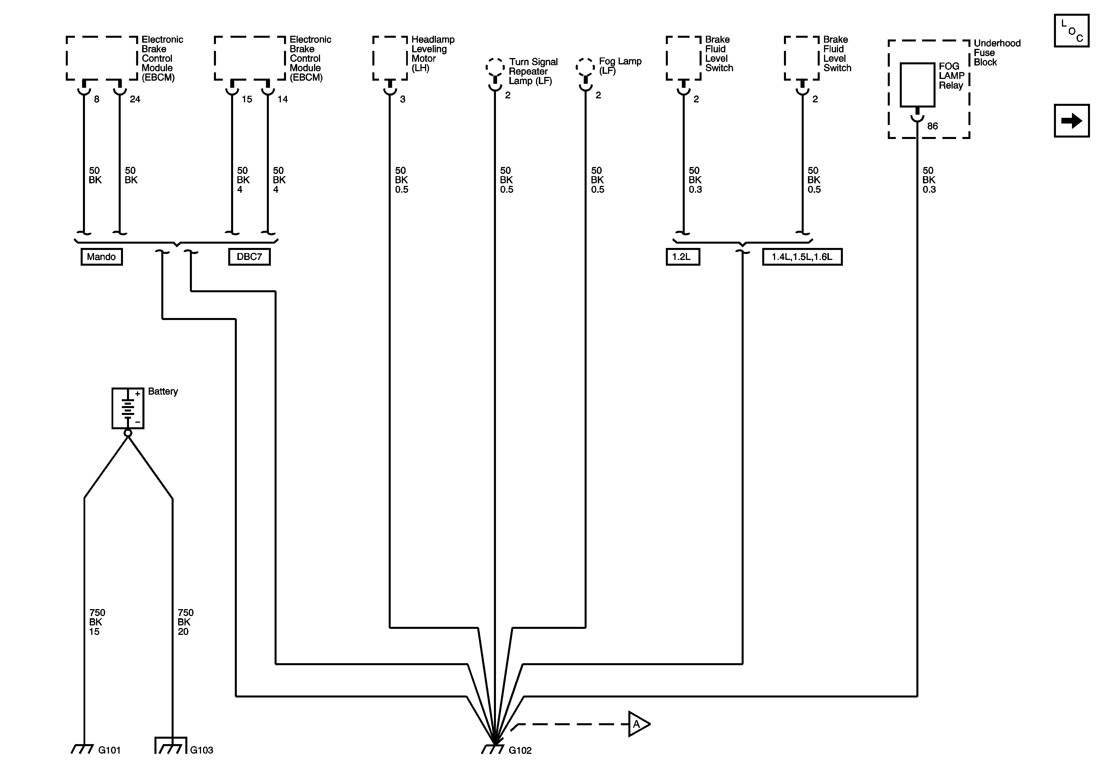
🢒 G101, G102, and G105
G101, G102, and G105
G101, G102, and G105
Master Electrical Component List
G102