GM Service Manual Online
For 1990-2009 cars only
Makes
🢒
Pontiac
🢒
2004
🢒
Wave
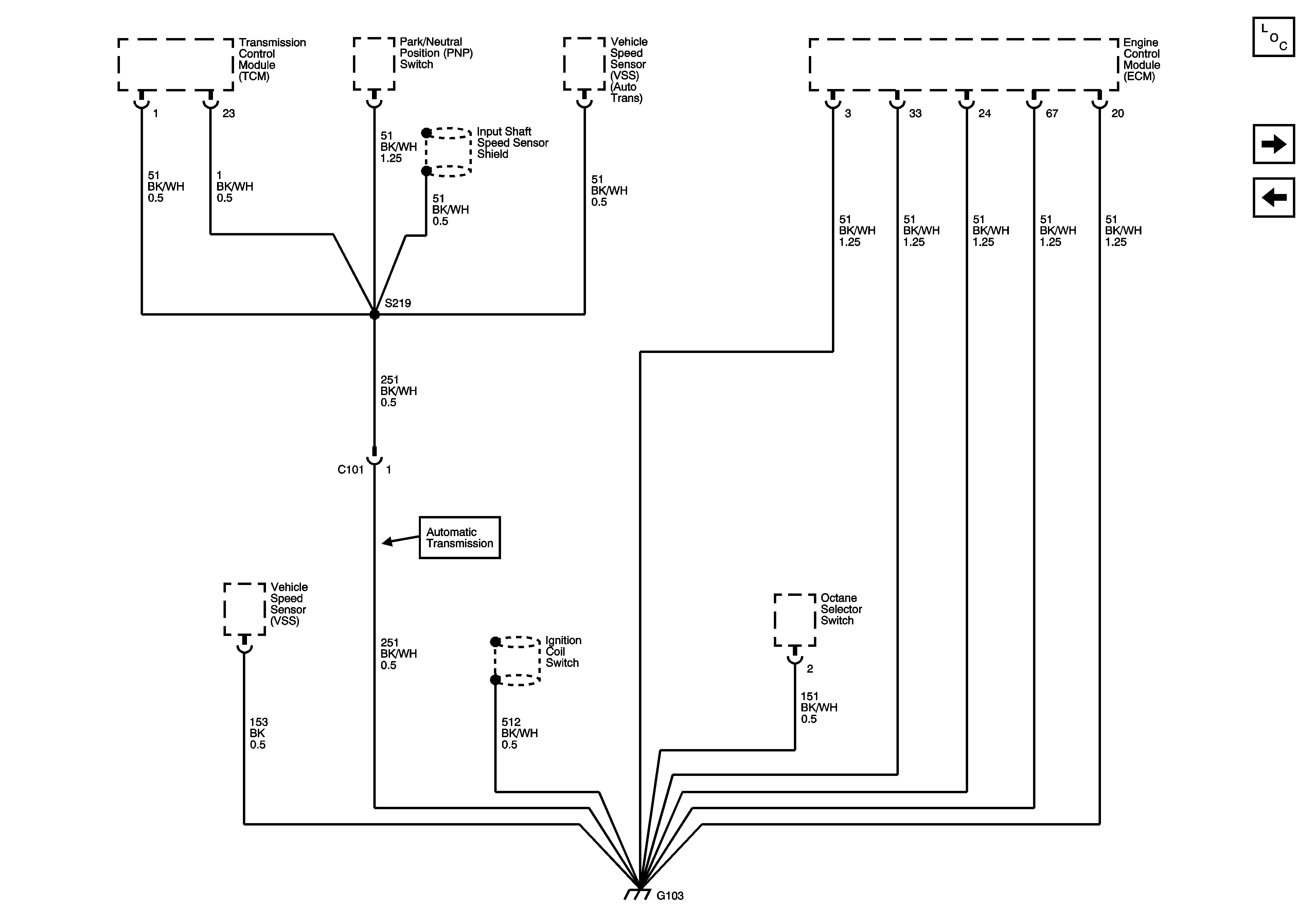
🢒 G103 (Sirius D4)
G103 (Sirius D4)
G103 ( Sirius D4)
Master Electrical Component List
G103 (MR-140)
G102