GM Service Manual Online
For 1990-2009 cars only
Makes
🢒
Pontiac
🢒
2004
🢒
Wave
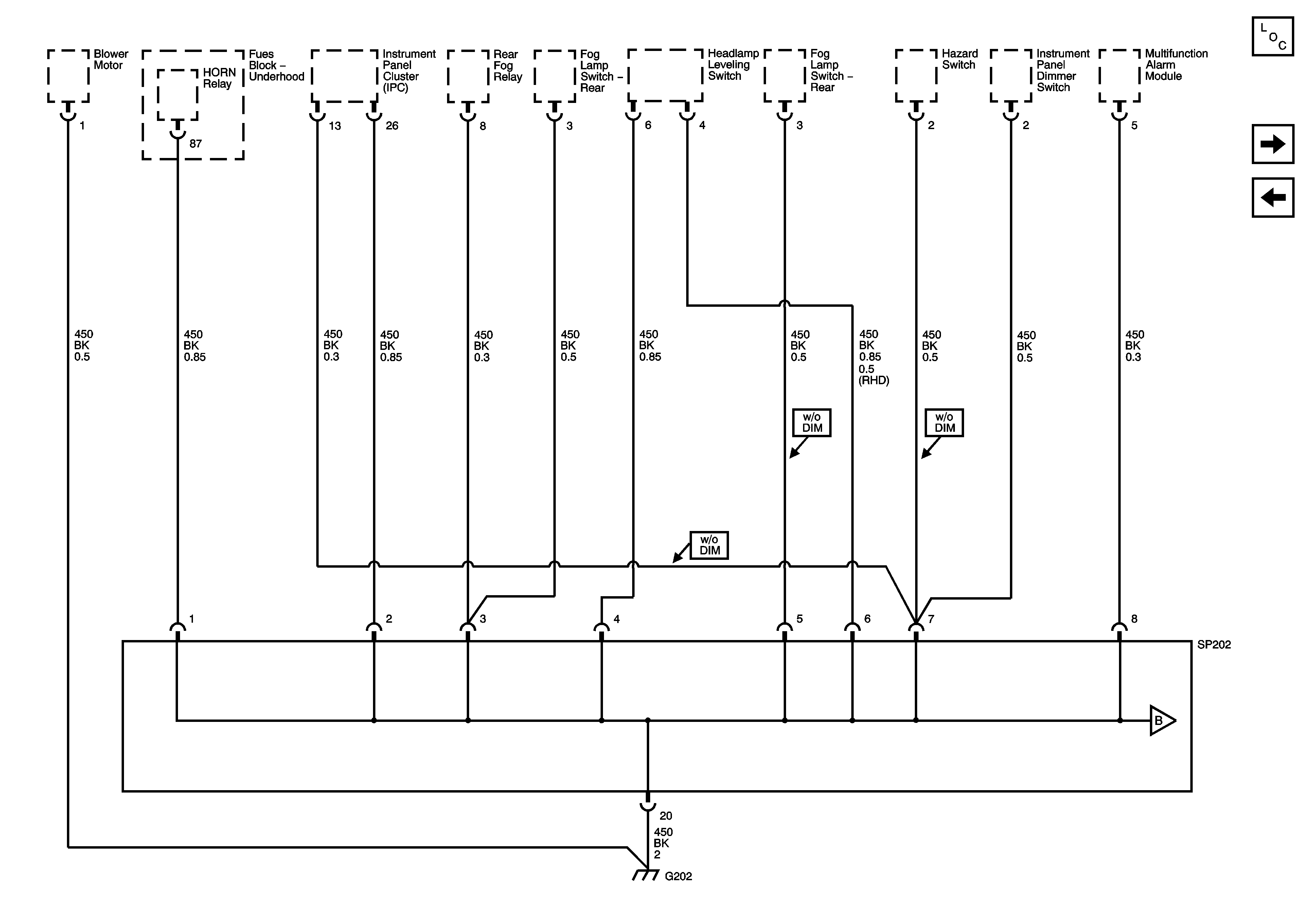
🢒 G202 1 of 2
G202 1 of 2
G202 1 of 2
Master Electrical Component List
G202 2 of 2
G104