GM Service Manual Online
For 1990-2009 cars only
Makes
🢒
Pontiac
🢒
2004
🢒
Wave
🢒 Indicator Lamps and Illumination
Indicator Lamps and Illumination
Indicator Lamps and Illumination
Master Electrical Component List
Warning Indicators W/O Tachometer
Instrument Panel Gages (1.5L)
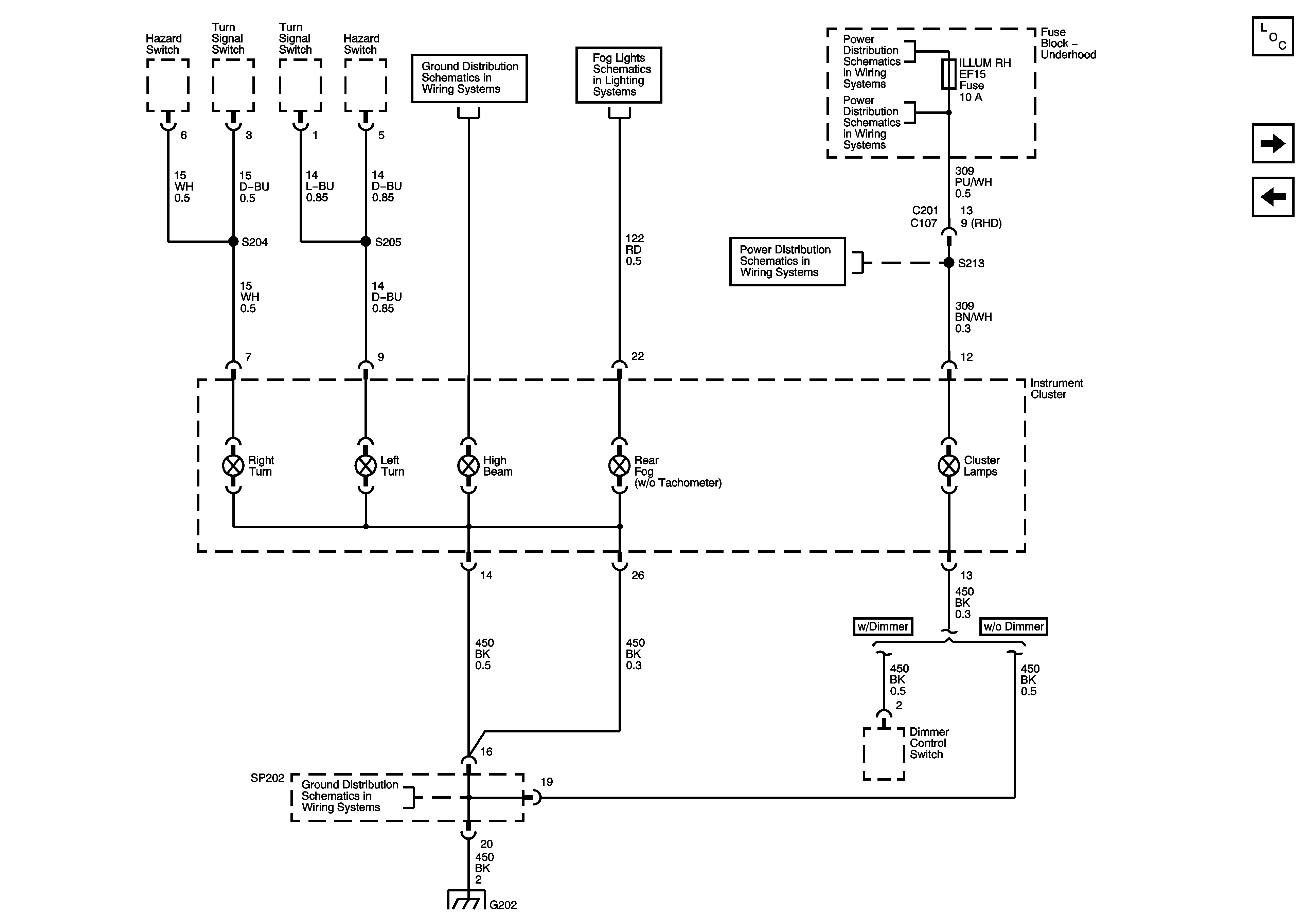
G202 2 of 2
Fog Lamps
Underhood Fuse Block - ILLUM LAMP, ILLUM RH and LH Fuses
Underhood Fuse Block - ILLUM LAMP, ILLUM RH and LH Fuses
G202 2 of 2