GM Service Manual Online
For 1990-2009 cars only
Makes
🢒
Pontiac
🢒
2004
🢒
Wave
🢒 Mando ABS-LHD
Mando ABS-LHD
LHD
Master Electrical Component List
Mando ABS-RHD
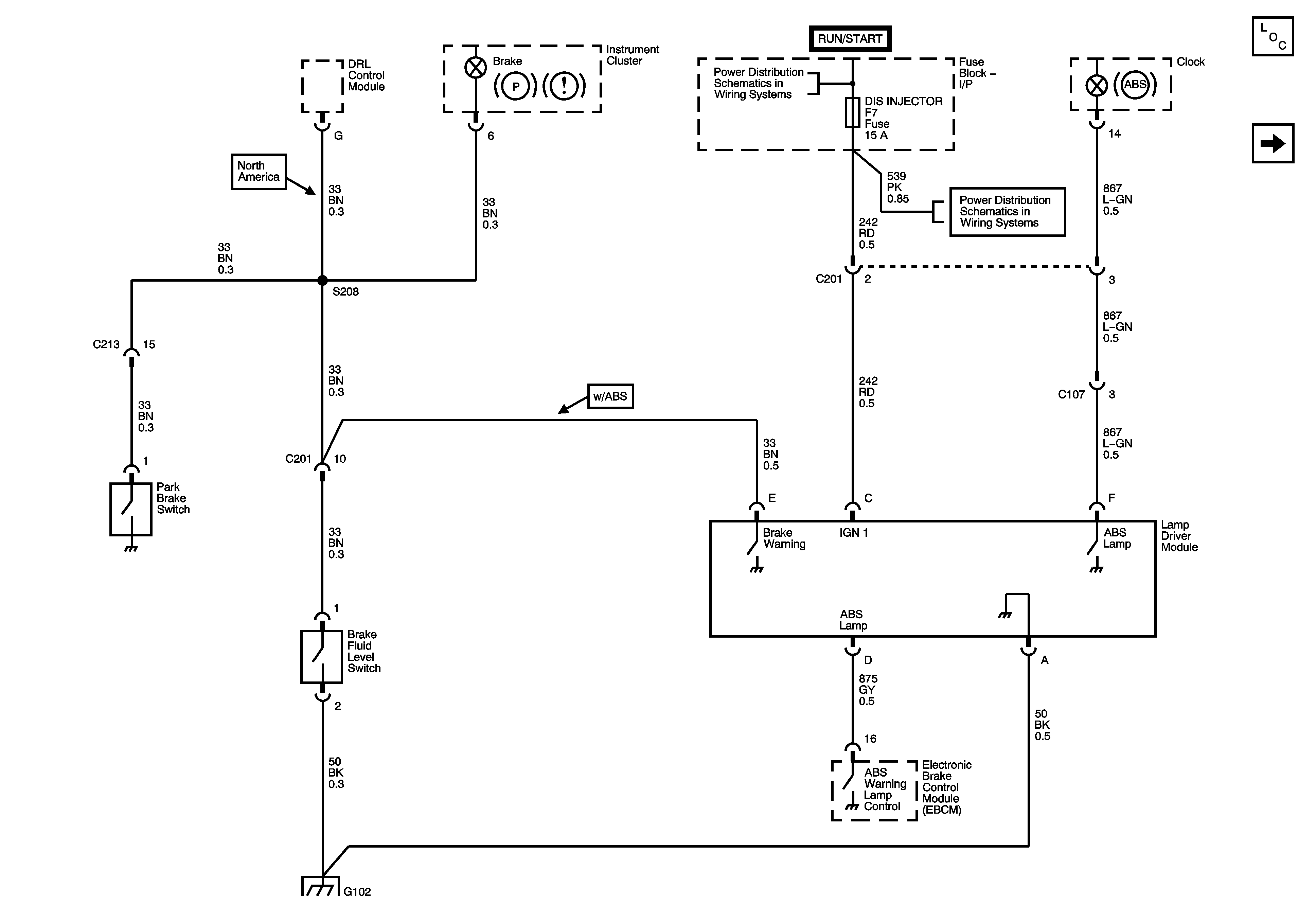
Instrument Panel Fuse Block - DIS Injector Fuse
Instrument Panel Fuse Block - DIS Injector Fuse