GM Service Manual Online
For 1990-2009 cars only
Makes
🢒
Pontiac
🢒
2004
🢒
Wave
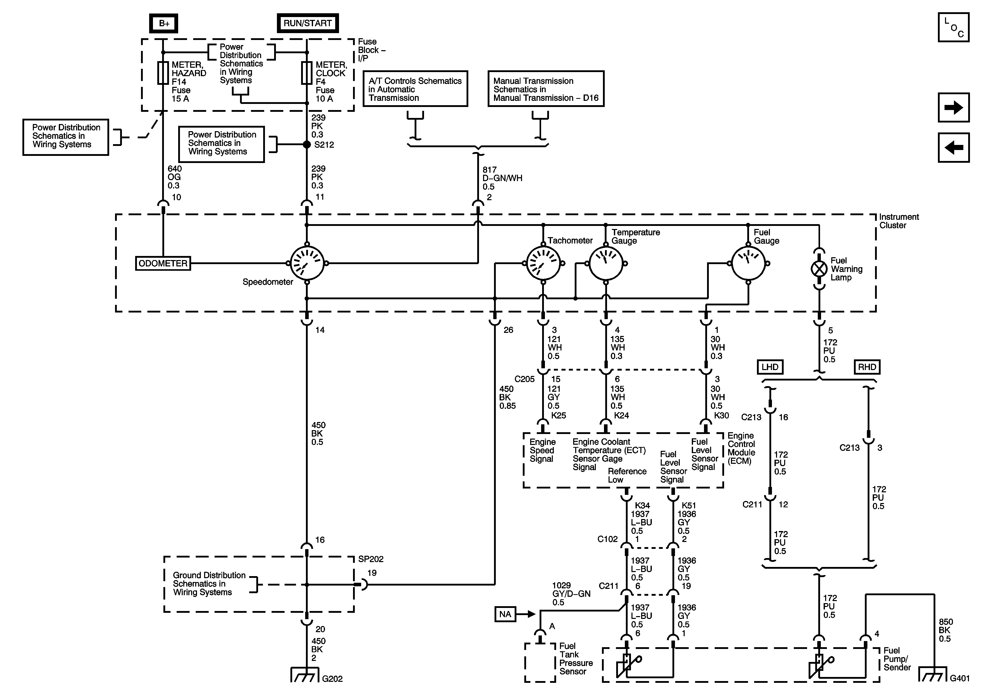
🢒 Instrument Panel Gages (1.4L/1.6L)
Instrument Panel Gages (1.4L/1.6L)
Instrument Panel Gages (1.4L/1.6L)
Master Electrical Component List
Instrument Panel Gages (1.5L)
Instrument Panel Gages (1.2L)
Underhood Fuse Block - I/P Fuse, I/P Fuse Block - Horn, Stoplamp, Meter Hazard, Door Lock RKE, ECM TCM, and Clock Audio Fuses
Underhood Fuse Block - I/P Fuse, I/P Fuse Block - Horn, Stoplamp, Meter Hazard, Door Lock RKE, ECM TCM, and Clock Audio Fuses
Vehicle Speed and Input Speed Sensors
Vehicle Speed Sensor
Underhood Fuse Block - IGN 1 Fuse, Ignition Switch, I/P Fuse Block, - CIGAR JACK, AUDIO CLOCK, METER CLOCK, TSIG, BACKUP LAMP, and AIR BAG Fuses
G202 2 of 2