GM Service Manual Online
For 1990-2009 cars only
Figure 1:

1 of 5


Object Number: 1282487  Size: LF
(1)Hood Panel
(2)Dash Panel Upper
(3)Dash Panel Lower
(4)Dash Crossmember
(5)Fender
(6)Extension
(7)Wheelhouse Rear
(8)Battery Tray
(9)Brace Wheelhouse
(10)Wheelhouse Front
(11)Longitudinal Front
(12)Radiator Crossmember
(13)Front Panel Upper
Figure 2:

2 of 5


Object Number: 1282488  Size: LF
(1)Windshield Pillar Garnish Molding Reinforcement
(2)Roof Inner Side Frame
(3)Trim Panel Replacement - Rear Quarter Upper Reinforcement
(4)Tailgate
(5)Side Lower Panel
(6)Door Opening Frame
(7)Rear Door
(8)Reinforcement
(9)Impact Beam
(10)Rear Door Inner Panel
(11)Front Door
(12)Front Door Inner Panel
(13)Center Pillar Reinforcement
(14)Rocker Reinforcement
(15)Front Pillar Lower Reinforcement
Figure 3:

3 of 5


Object Number: 1282489  Size: LF
(1)Roof Inner Side Frame
(2)Inner Center Pillar
(3)Side Inner Rail
(4)Trunk Lid
(5)Rear Door
(6)Impact Beam
(7)Reinforcement
(8)Rear Door Inner Panel
(9)Front Door
(10)Front Door Inner Panel
(11)Side Lower Panel
(12)Door Opening Frame
(13)Inner Center Pillar Reinforcement
(14)Rocker Reinforcment
(15)Front Pillar Lower Reinforcement
(16)Winshield Pillar Reinforcement
Figure 4:

4 of 5


Object Number: 1282490  Size: LF
(1)Back Panel Lower
(2)Reinforcement
(3)Floor Panel Rear
(4)Floor Panel Rear Front
(5)Longitudinal Rear
(6)Crossmember
(7)Floor Panel Front
(8)Floor Panel Side
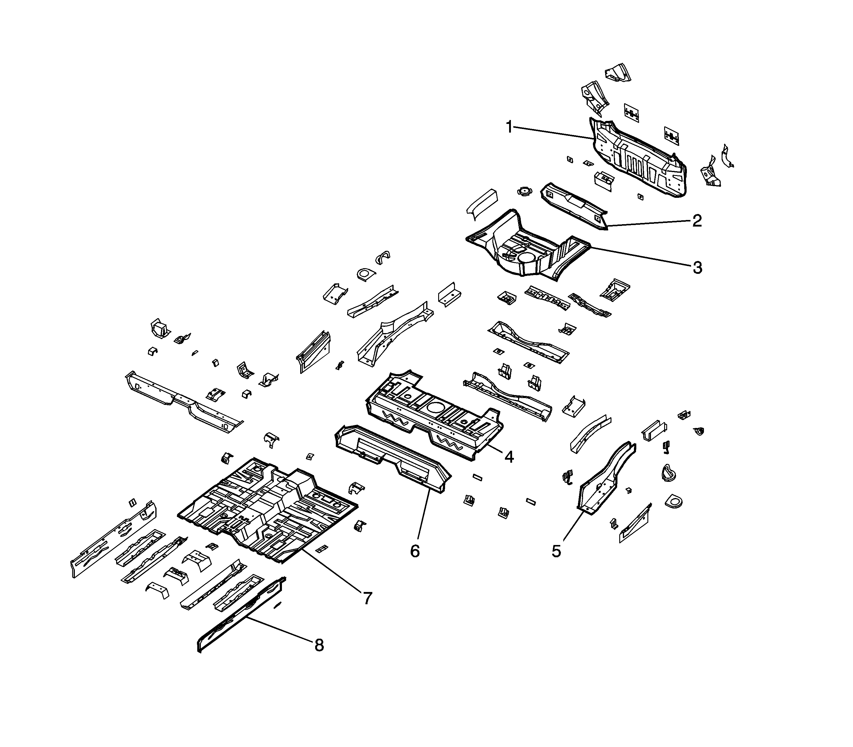
Figure 5:

5 of 5


Object Number: 1282491  Size: LF
(1)Back Panel Upper
(2)Reinforcement
(3)Back Panel Lower
(4)Floor Panel Rear
(5)Longitudinal Rear
(6)Floor Panel Rear Front
(7)Crossmember
(8)Floor Panel Front
(9)Floor Panel Side