GM Service Manual Online
For 1990-2009 cars only
Makes
🢒
Pontiac
🢒
2005
🢒
Wave
🢒
Body
🢒
Doors
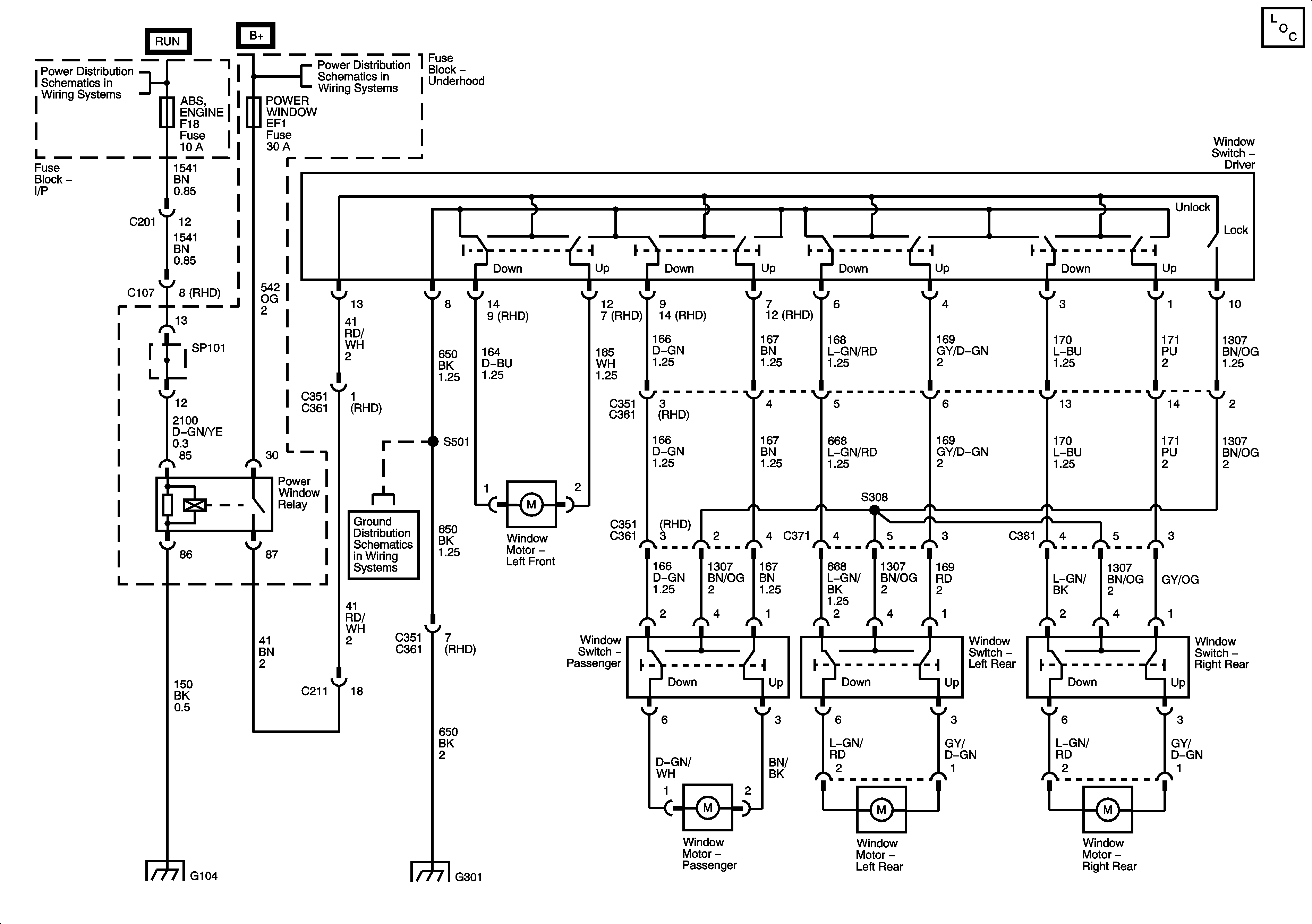
🢒 Power Window Schematics
Master Electrical Component List
Underhood Fuse Block - Battery Feeds
Underhood Fuse Block - Battery Feeds
G301 (LHD)
G104
G301 (LHD)