GM Service Manual Online
For 1990-2009 cars only
Makes
🢒
Pontiac
🢒
2005
🢒
Wave
🢒
Body
🢒
Lighting Systems
🢒 Headlights/Daytime Running Lights (DRL) Schematics
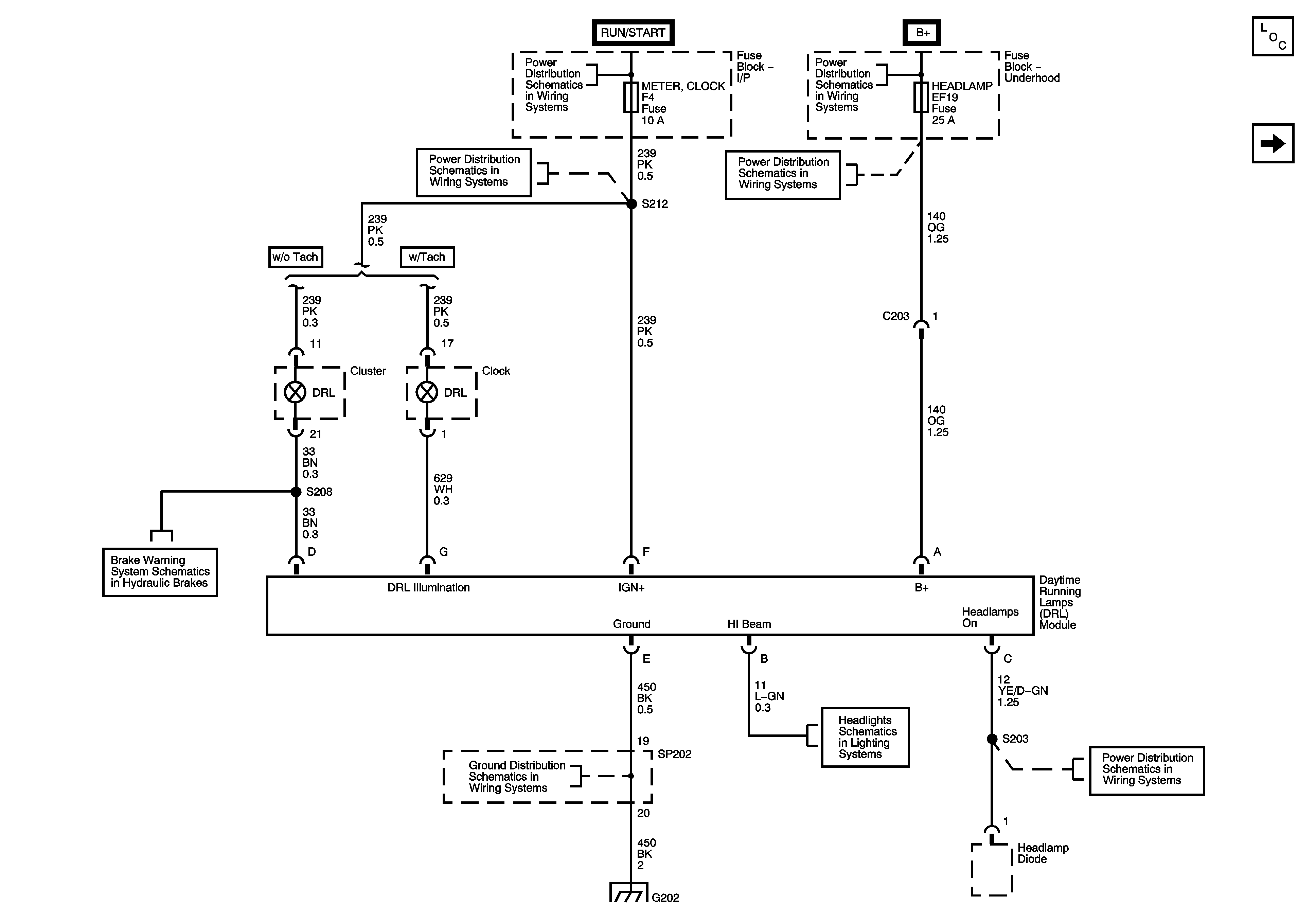
Figure
1:
Daytime Running Lights - North America
Master Electrical Component List
Daytime Running Lights - Scandinavia
Underhood Fuse Block - IGN 1 Fuse, Ignition Switch, I/P Fuse Block - CIGAR JACK, AUDIO CLOCK, METER CLOCK, TSIG, BACKUP LAMP, and AIR BAG Fuses
Underhood Fuse Block - A/C COMP, HEADLAMP, H/L LOW RH. H/L LOW LH, H/L HI LH, H/L HI RH Fuses
Underhood Fuse Block - IGN 1 Fuse, Ignition Switch, I/P Fuse Block - CIGAR JACK, AUDIO CLOCK, METER CLOCK, TSIG, BACKUP LAMP, and AIR BAG Fuses
Underhood Fuse Block - A/C COMP, HEADLAMP, H/L LOW RH. H/L LOW LH, H/L HI LH, H/L HI RH Fuses
G202 - 2 of 3
G201, G202 - 3 of 3
Headlamps
Underhood Fuse Block - A/C COMP, HEADLAMP, H/L LOW RH. H/L LOW LH, H/L HI LH, H/L HI RH Fuses
G201, G202 - 3 of 3
Figure
2:
Daytime Running Lights - Scandinavia
Master Electrical Component List
Daytime Running Lights - NA
Underhood Fuse Block - IGN 1 Fuse, Ignition Switch, I/P Fuse Block - CIGAR JACK, AUDIO CLOCK, METER CLOCK, TSIG, BACKUP LAMP, and AIR BAG Fuses
Underhood Fuse Block - A/C COMP, HEADLAMP, H/L LOW RH. H/L LOW LH, H/L HI LH, H/L HI RH Fuses
Underhood Fuse Block - ABS, BLOWER, HORN, SUNROOF, DEFOG Fuses
Underhood Fuse Block - A/C COMP, HEADLAMP, H/L LOW RH. H/L LOW LH, H/L HI LH, H/L HI RH Fuses
Underhood Fuse Block - A/C COMP, HEADLAMP, H/L LOW RH. H/L LOW LH, H/L HI LH, H/L HI RH Fuses
Underhood Fuse Block - A/C COMP, HEADLAMP, H/L LOW RH. H/L LOW LH, H/L HI LH, H/L HI RH Fuses
Underhood Fuse Block - IGN 1 Fuse, Ignition Switch, I/P Fuse Block - CIGAR JACK, AUDIO CLOCK, METER CLOCK, TSIG, BACKUP LAMP, and AIR BAG Fuses
G201, G202 - 3 of 3
Headlamps
Underhood Fuse Block - A/C COMP, HEADLAMP, H/L LOW RH. H/L LOW LH, H/L HI LH, H/L HI RH Fuses
G201, G202 - 3 of 3