GM Service Manual Online
For 1990-2009 cars only
Makes
🢒
Pontiac
🢒
2005
🢒
Wave
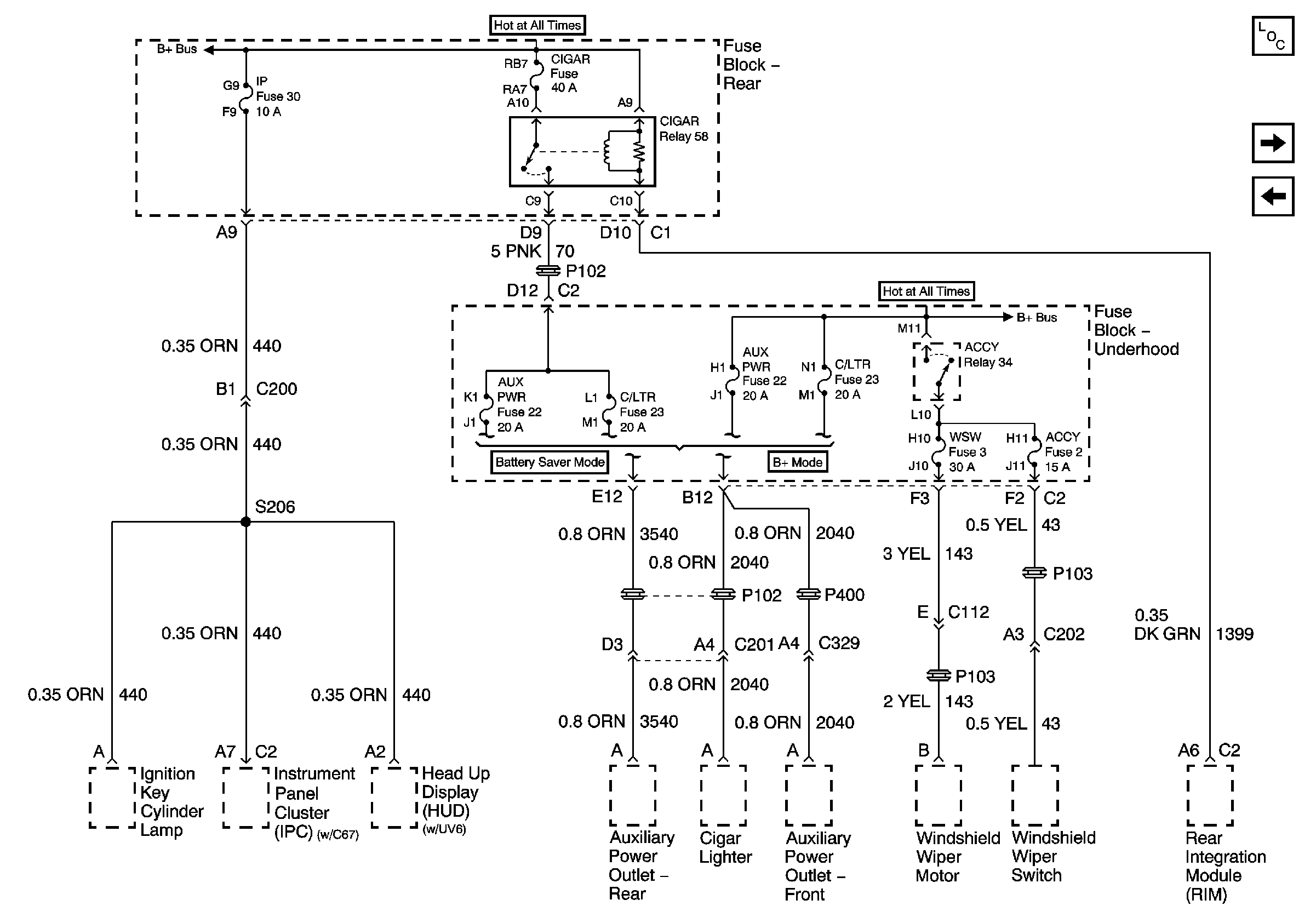
🢒 IP, and CIGAR Fuses
IP, and CIGAR Fuses
I/P and CIGAR Fuses
Master Electrical Component List
IGN SW, and PRK/REV Fuses
TSIG/HAZ, STOP LP, AUDIO, and CD Fuses