GM Service Manual Online
For 1990-2009 cars only
Makes
🢒
Pontiac
🢒
2005
🢒
Wave
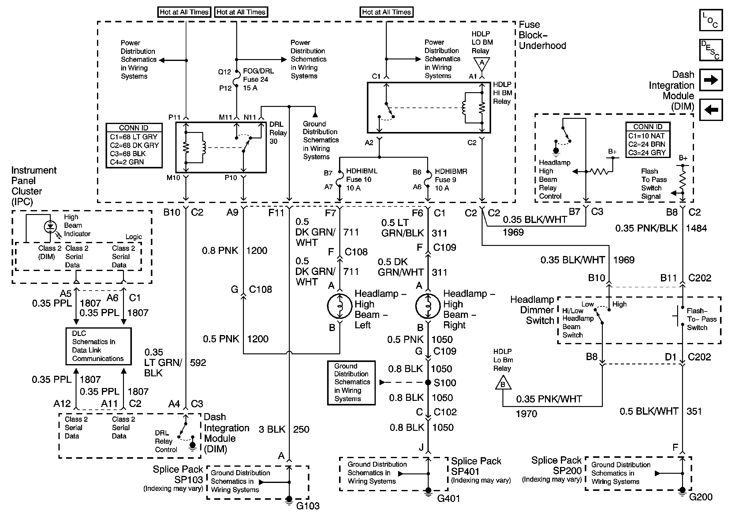
🢒 DRL Controls and High Beam Headlamps
DRL Controls and High Beam Headlamps
DRL Controls and High Beam Headlamps
Master Electrical Component List
Exterior Lighting Systems Description and Operation
Underhood Fuse Block B+ Bus - 3.8L
Serial Data Class 2
Underhood Fuse Block B+ Bus - 3.8L
G103
G103
G401 (2 of 2)
G401 (2 of 2)
Fog/DRL, HDHIBML, HDHIBMR, HDLOBML, and HDLOBMR Fuses - 3.8L
Low Beam Headlamps
Low Beam Headlamps
G200
Low Beam Headlamps
Headlamp, Foglamp, and Ambient Light Sensor Inputs (w/CJ2)