GM Service Manual Online
For 1990-2009 cars only
Makes
🢒
Pontiac
🢒
2005
🢒
Wave
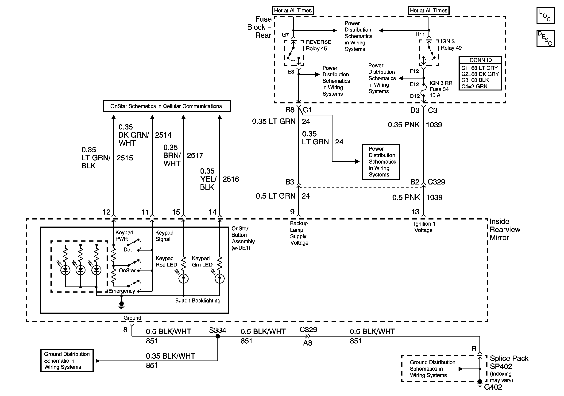
🢒 Inside RV Mirror Schematic
Inside RV Mirror Schematic
Master Electrical Component List
Automatic Day-Night Mirror Description and Operation
Keypad Controls
G402
Rear Fuse Block - B+ Bus
IGN SW, and PRK/REV Fuses
Rear Fuse Block - B+ Bus
Rear Fuse Block - B+ Bus
IGN SW, and PRK/REV Fuses
G402