GM Service Manual Online
For 1990-2009 cars only
Makes
🢒
Pontiac
🢒
2005
🢒
Wave
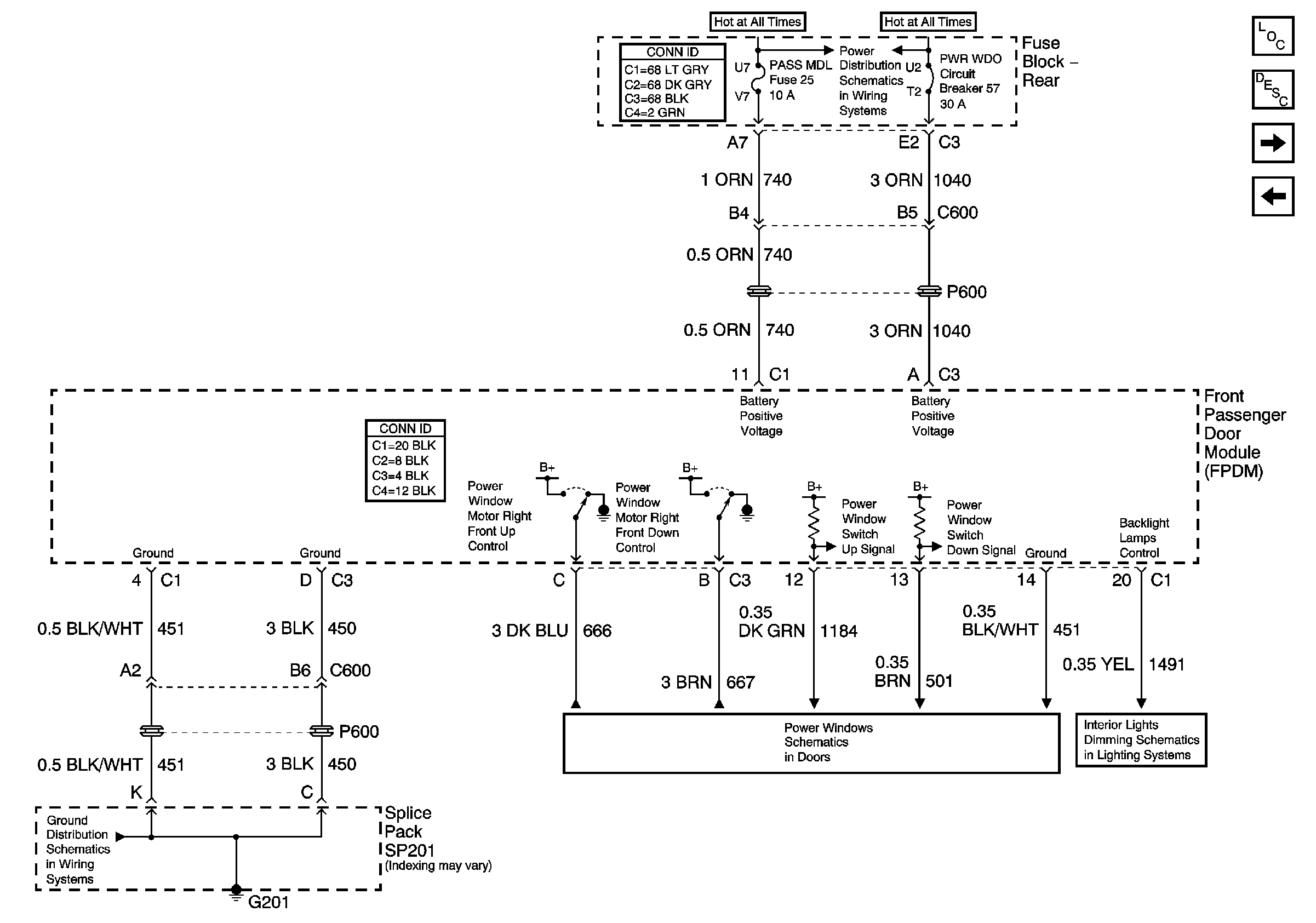
🢒 PDM Power and Ground
PDM Power and Ground
PDM Power and Ground
Master Electrical Component List
Power Door Locks Description and Operation
G201 (1 of 2)
Rear Fuse Block - B+ Bus
Right Front Door
Front Floor Lamps, and Heated Seat Dimming
DDM Inputs/Outputs
DDM Power and Ground