GM Service Manual Online
For 1990-2009 cars only
Makes
🢒
Pontiac
🢒
2005
🢒
Wave
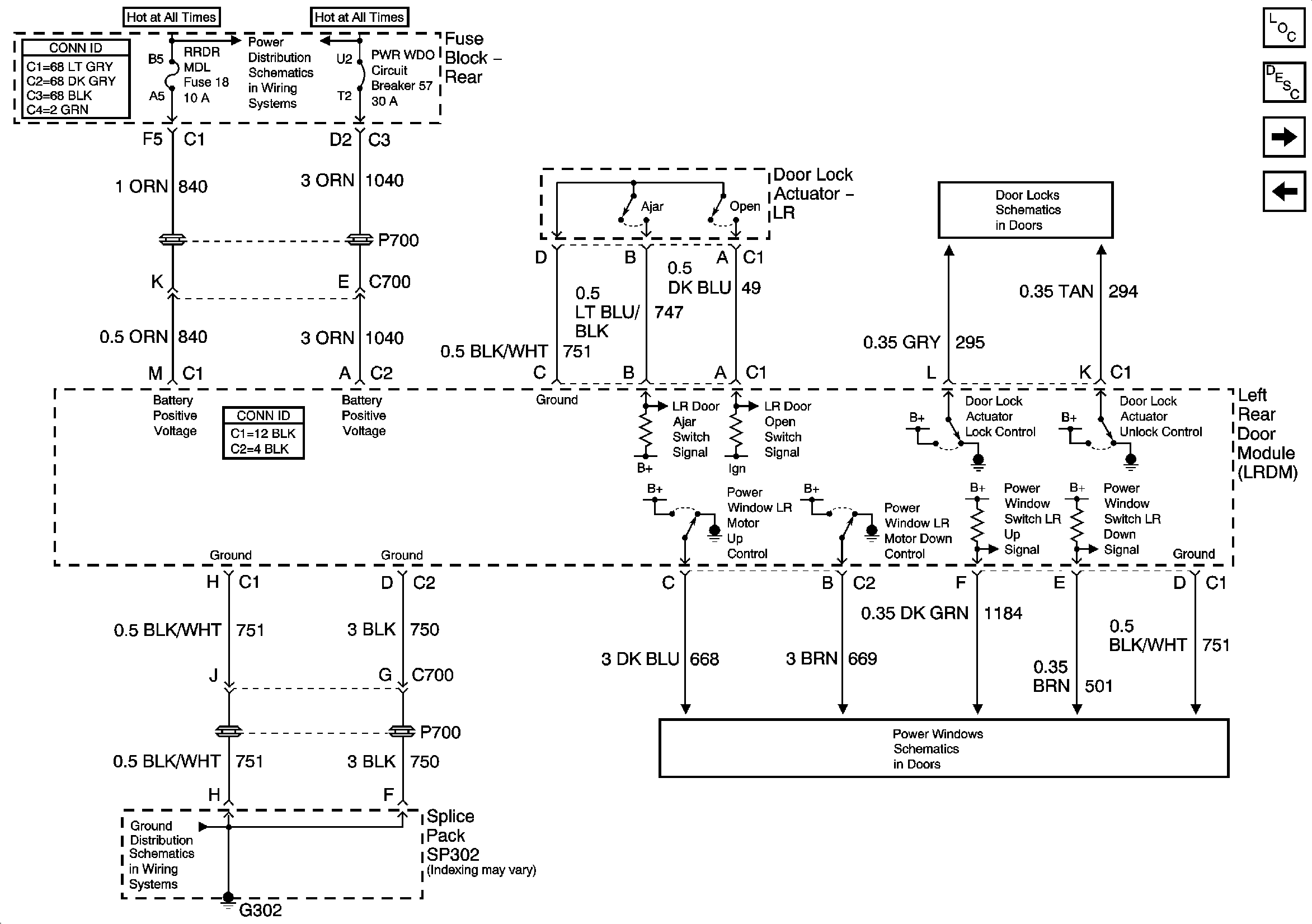
🢒 LRDM
LRDM
LRDM
Master Electrical Component List
Power Door Locks Description and Operation
Rear Fuse Block - B+ Bus
G302
Left Rear Door
Left Rear Door
RRDM
PDM Inputs/Outputs