GM Service Manual Online
For 1990-2009 cars only

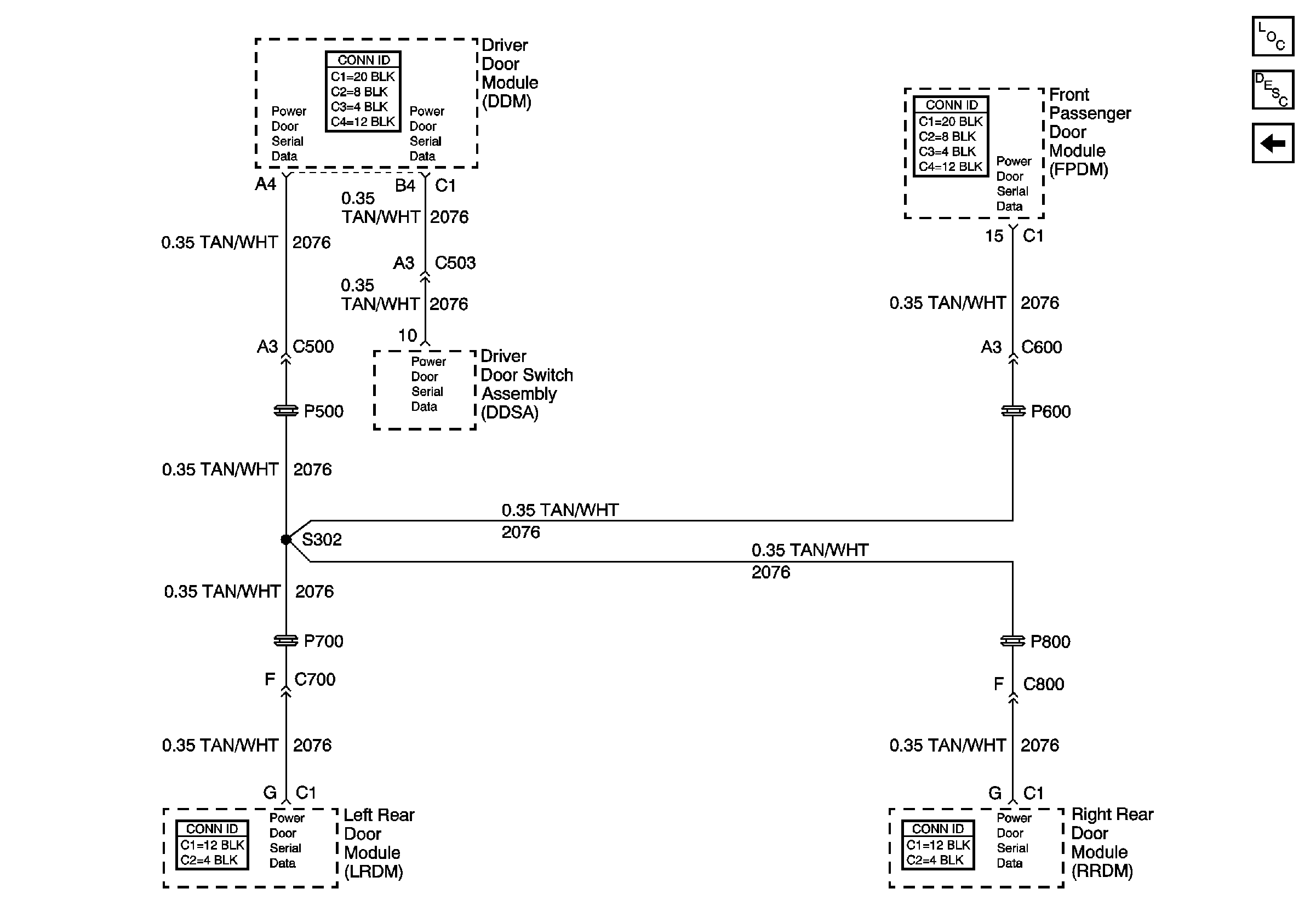
Simple Bus Interface (SBI)

Simple Bus Interface (SBI)


Object Number: 766646  Size: FS
Master Electrical Component List
Power Door Locks Description and Operation
Driver Door Switch Assembly